EasyManua.ls Logo

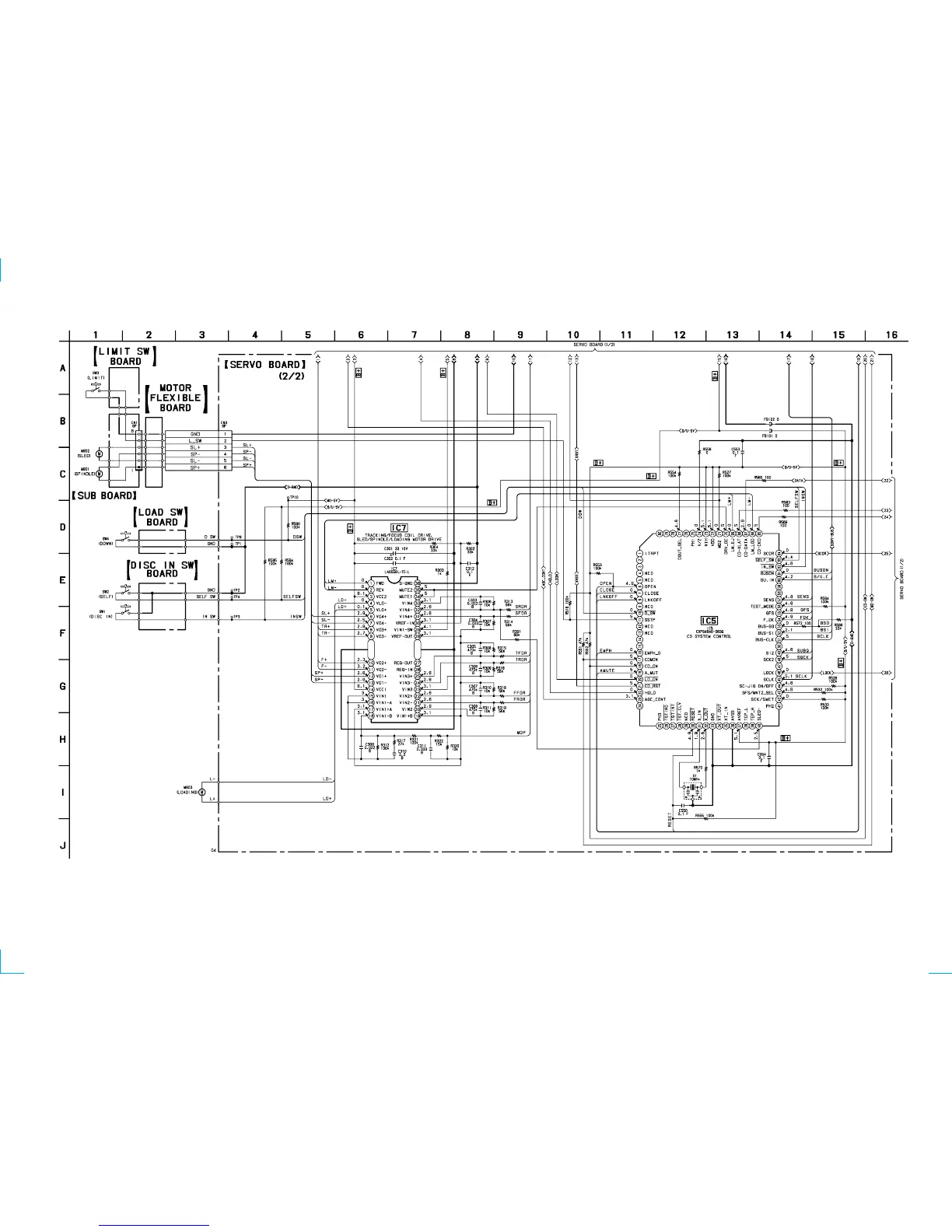
Sony CDX-C4900R - Schematic Diagram -CD Mechanism Section (2;2)

Sony CDX-C4900R
78 pages
Print Icon
To Next Page IconTo Next Page
To Next Page IconTo Next Page
To Previous Page IconTo Previous Page
To Previous Page IconTo Previous Page
Loading...
29 29
CDX-C4900R/C5000R/C5000RX
Note:
Voltage is dc with respect to ground under no-signal
conditions.
no mark : CD PLAY
3-8. SCHEMATIC DIAGRAM — CD MECHANISM SECTION (2/2) — • Refer to page 40 for IC Block Diagrams.
(Page 28)
(Page 28)

Related product manuals