EasyManua.ls Logo

Sony CDX-C4900R - Schematic Diagram -Main Section (3;3)

Sony CDX-C4900R
78 pages
Print Icon
To Next Page IconTo Next Page
To Next Page IconTo Next Page
To Previous Page IconTo Previous Page
To Previous Page IconTo Previous Page
Loading...
88
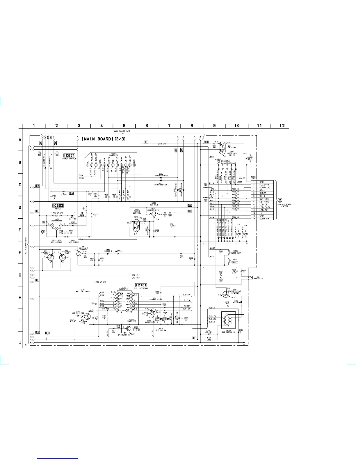
• SCHEMATIC DIAGRAM — MAIN SECTION (3/3) — • Refer to page 39 of Service manual for IC Block Diagrams.
Note:
Voltage is dc with respect to ground under no-signal
(detuned) condition.
no mark : FM
( ) : MW
< > : CD PLAY
: Impossible to measure
CDX-C4900R/C5000R/C5000RX
(Page 9)
(Page 6)
(Page 7)

Related product manuals