EasyManua.ls Logo

Sony CDX-C4900R - Page 41

Sony CDX-C4900R
78 pages
Print Icon
To Next Page IconTo Next Page
To Next Page IconTo Next Page
To Previous Page IconTo Previous Page
To Previous Page IconTo Previous Page
Loading...
41
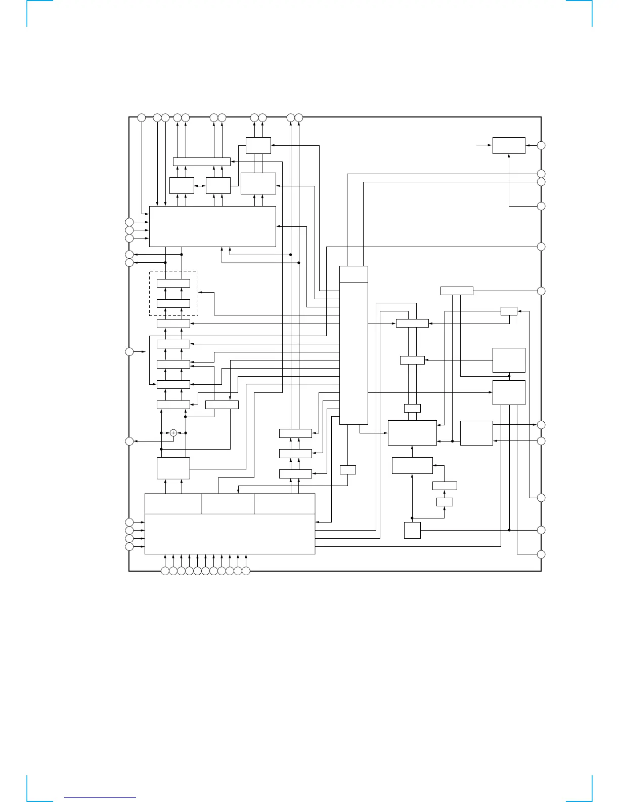
IC151 TDA7402TR
33
34
35
36
37
38
39
40
41
42
43
44
1 2 3 4 5 6 7 8 9 10 11
28 2730 2932 31
MONO
FADER
MONO
FADER
MONO
FADER
SUBWOOFER
+PHASE
CONTROL
MIXER
OUTPUT CONTROL
LP
HP
BASS
TRABLE
VOLUME
SOFT MUTE
MUTE
IN GAIN
BEEP
PLL
PIL, DET
LOUDNESS
LOUDNESS COMPANDER
IN GAIN
+ AUTO
ZERO
MAIN SOURCE
SELECTOR
MIXING
SELECTOR
SECOND SOURCE
SELECTOR
IIC-BUS
DIGITAL
CONTROL
DEMODULATOR
+STEREO ADJUST
+STEREO BLAND
PILOT
CANCELLATION
LP
MALTI
PATH
DETECTOR
AM/FM
NOISE
BLANKER
PULSE
FORMER
SUPPLY
LP
S & H
HIGH OUT
QUAL.
D/A
12
13
14
15
16
17
18
19
22
21
20
INPUT MULTIPLEXER
CD L
CD R
AUX L
SE2L
AUX R
SE2R
FD2L+
FD2L
FD2R+
FD2R
AM
MD2G
MD2
MD1G (SE4R)
MD1 (SE4L)
MUX
VREF
AC OUTL
AC OUTR
SWINL
SWINR
ACINLF
ACINLR
ACINLR
ACINRR
OUTLF
OUTLR
OUTRF
OUTRR
OUTSWL
OUTSWR
OUTSSL
OUTSSR
26 25 24 23
AMIF
MPX
LEVEL
MP IN
MP OUT
QUAL
MUTE
GND
SDA
SCL
VDD
VOICE
BANDPASS

Related product manuals