EasyManua.ls Logo

Sony CF-CD73 - Cabinet (Rear) Section-2

Sony CF-CD73
58 pages
Print Icon
To Next Page IconTo Next Page
To Next Page IconTo Next Page
To Previous Page IconTo Previous Page
To Previous Page IconTo Previous Page
Loading...
41
ICF-CD73/CD73V
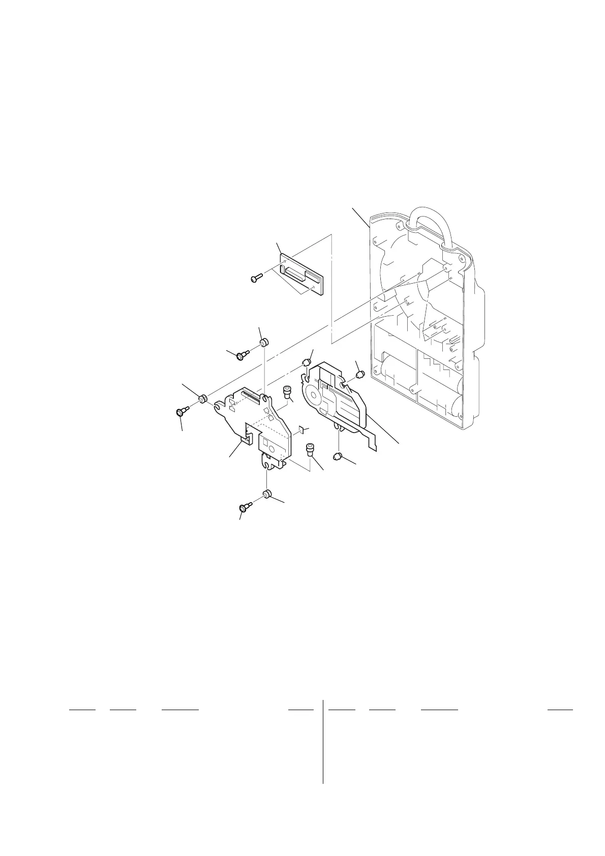
7-6. CABINET (REAR) SECTION-2
Ref. No. Part No. Description Remark
Ref. No. Part No. Description Remark
251 3-044-315-01 SCREW, +PWH TAPPING
252 4-975-762-11 INSULATOR
253 3-251-768-02 CHASSIS (CD)
254 3-044-314-01 RUBBER (VIBRATION)
* 255 A-3683-360-A RELAY BOARD, COMPLETE
256 4-975-811-01 INSULATOR
257 3-254-690-01 LABEL (WATER CHECK)
#1 3-254-151-01 SCREW (B2.6), (+) P TAPPING
(CD73V: LIV (WHITE))
#1 7-685-534-14 SCREW +BTP 2.6X8 TYPE2 N-S
(EXCEPT CD73V: LIV (WHITE))
251
251
251
254
254
254
253
252
256
256
257
252
252
255
mechanism deck section
(KSM-900AAA)
#1
cabinet (rear) section-3
Ver. 1.1

Related product manuals