EasyManua.ls Logo

Sony CFD-980 - Block Diagram -TC Section; Block Diagram -Tuner;CD Section

Sony CFD-980
49 pages
Print Icon
To Next Page IconTo Next Page
To Next Page IconTo Next Page
To Previous Page IconTo Previous Page
To Previous Page IconTo Previous Page
Loading...
CFD-980
— 23 — — 24 — — 25 — — 26 —
18
A
C
FROM
TUNER/CD
SECTION
TU L
CD L
R-CH
HEAD
R-CH
R-CH
L-CH
BIAS
OSC
Q309
PRE AMP
IC301
16
14
8
9
1521
REC H TC
RADIO
LINE
PB AMP
26dB
31
L
TAPE
TAPE
T301
2
MATRIX
SURROUND
TONE
VR
CONTROL
24
29 28 27 2526
18
201923
21
DATA
VC
CLK
LATCH
BC
AUDIO
MUTE
Q311
BASS
AGC
Q310
REG CHK
SWITCH
Q801,802
12
5
STBY
D391
POWER AMP
IC304
R-CH
H/P JACK
J301
L
R
SPEAKER
FUNCTION
SWITCH
S817-821
37
54
75
RESET
IC804
3 1
2
WAKE-UP
CONTROL
FUNCTION
SWITCH
S809-816
FUNCTION
SWITCH
S802-807
Q808
BACK-UP
5V REG
3 2
1
IC802
COM5V
AU 6V
REG
Q304
DRY BATTERY
SIZE " D " R20
6PCS, 9V
DRY BATTERY
SIZE " AA " R6
4PCS, 6V
(BACK-UP)
50
53
LCD801
LIQUID CRYSTAL
DISPLAY PANEL
SEG0
SEG26
COM0
COM3
99
WP
31
KEY1
32
KEY2
33
KEY3
38
RESET
34
P CONT
98
VR CE
96
VR CLK
97
VR DATA
95
A MUTE
19
TAPE
16
REC
20
RADIO
14
HI SPEED
IC801(2/2)
SYSTEM CONTROL
92
93
39
40
OSC
Q803,804
X802
32.768kHz
X801
4.20MHz
TX
TEX
TU SHIFT
XTAL1
EXTAL1
16
S301
REC PB
+5V
REC AMP
AMP
BUFFER
7dB
17
RA
SOUND/VOLUME
IC302
B
TO
TUNER/CD
SECTION
HI SPEED
D802
ESP
Q809
D801
OPR/BATT
100
TC PLAY
M
+9V
MD
MOTOR
MOTOR
ON
TC
PLAY
STBY
SWITCH
Q305,306
2
REG CHK
RESET
SW822
BACKUP +5V
REG
Q303
REG
Q301
SWITCH
Q302
+9V
SWITCH
Q806
SWITCH
Q807
CD +5V
TU +5V
21
CD
SW801
POWER
D355
D356
J302
DC IN
9V
:FM
:CD
:PB
• SIGNAL PATH
:REC
125V
5A
F301
19
B.P.F
FL1
L1
AU6V
L2
L3
FERRITE-ROD
ANTENNA
AU6V
AU6V
D1
D2
D3
ANTENNA
ANT1
FM
TELESCOPIC
1
23
21
24
22
FM
MIX
FM RF I
FM RF O
FM OSC
AM RF
AM OSC
FM
OSC
AM
MIX
AM
OSC
OSC
3
MIX OUT
17
RF IF
AMP
IF
BUFFER
Q18
CF1 CF2
CFT1
6
7
FM IF
AM IF
FM
MPX
FM/AM
BUFFER
FM
DET
AM
DET
16
A
MPX
18
MUTE
11
12
10
ST IND
TU5V
Q15
R-CH
9
FM/AM FRONT-END
IC1
13 20 5
AU6V
QUAD
VCO VCC1 VCC2
TO
TC SECTION
CF4CF3
H FREQ
CUT
Q1
Q2
CE
12
15
11
13
8
7
Q3
14 15
MO/ST
BAND
9
6
5
4
3
1
2
PLL
L.P.F
Q16
R+B
Q19
PLL
IC3
FM
AM
VDD
XO
XI
PD1
CK
DA
CD
IF
P0
P1
Q4
TU5V
X1
75kHz
CE
CK
DA
CD
OPTICAL PICK-UP
BLOCK
(KSC-213 CDM)
LD/POWER
CONTROL
Q701
38
VCC
CD5V
A
VC
C
B
D
E
F
VC
LD
GND
A
C
B
D
E
F
FOCUS
COIL
F+
F
T+
T
TRACKING
COIL
33
34
39
36
35
48
APC
FOCUS PHASE
COMPENSATION
DECODER
SERIAL/
PARALLEL
CONVERTER
FE
AMP
RF
AMP
IIL
TTL
TTL
IIL
COMMAND
VC
TRACKING PHASE
COMPENSATION
LD
PD
E
F
PD1
PD2
6
24
23
20
19
22
21
31
25
SENS
RFO
FOK
C OUT
DATA
XLT
CLK
XRST
1613
FEO TEO SLO
IC703
F/T COIL
SL/SP MOTOR
DRIVER
CD RF/SERVO
PROCESSOR
IC701
18
VCC
CD5V
6
11
T IN
7
10
9
VR
PD
PD
21
22
28
27
5
F IN
20
SL IN
30
SP IN
15
MUTE
F+
F
T+
T
SL+
SL
SP+
SP
M
M
MOTOR
M702
SLED
MOTOR
M701
SPINDLE
S701
LIMIT
EFM
DEMO.
14
1
55
54
56
57
59
50
3
60
XRST
CLV
SERVO
DIGITAL
CLV
SUB CODE
PROCESSOR
CPU I/F
51 52 53 47 46 49 4843
MDP
SPOA
SENS
SCOR
SQSO
SQCK
CLOK
XLAT
DATA
CLK
XLT
DAT
SE
CN
FOK
RF
40
34
35
EMPH
XTAI
XTAO
X701
MUTE
RADIO L
26
CD XLAT
6
CD DATA
13
CD CLK
11
CD SQCK
12
CD SQSO
15
CD SENSE
1
CD SCOR
17
CD MUTE
28
R CONT
24
R DATA
23
R CLK
25
R CE
4
CD XRST
22
R ST
CD
DA
CK
CE
IC801(1/2)
SYSTEM CONTROL
CD DIGITAL
SIGNAL PROCESSOR
IC702
16
:FM
:CD
• SIGNAL PATH
L4
40
EI
E-F
BAL
RV703
37
F BIAS
F
BIAS
RV701
2
FI
F
GAIN
RV702
Q703
Q704
16.9344MHz
27
R MUTE
30
LD ON
21
PCMD
22
BCK
20
LRCK
30
XROF
D/A
I/F
YSR DATA
11
YS CK
13
Y LRCK
12
XROF
17
CLK
9
YM DATA
25
ZSENSE
21
YM CLK
26
YM LD
24
NR RST
20
10
YM DATA
9
ZSENSE
8
YM CLK
7
YM LD
YD MUTE
23
SCOR
19
5
41
.
44
40
36
35
33
34
28
19
1
.
2
18
.
.
31
32
6
.
9
11
15
A0
A8
A9
NWE
NRAS
NCAS
D0
D3
3
4
17
A0
A8
D0
D3
9
4
IC706
D RAM
4
A9
NWE
NRAS
NCAS
IC705
RAM CONTROLLER
16
ZSR DATA
15
Z LRCK
14
Z SCK
18
CD DOOR
DOOR SW
IC704
D/A CONV.
EMPH
2
XI
18
DATA
6
LRCK
8
BCK
5
MUTE
1
RSTN
22
12
LO
14
RO
R CH
CD L
B
TO
TC SECTION
C
TO
TC SECTION
HI SPEED
T
GAIN
RV704
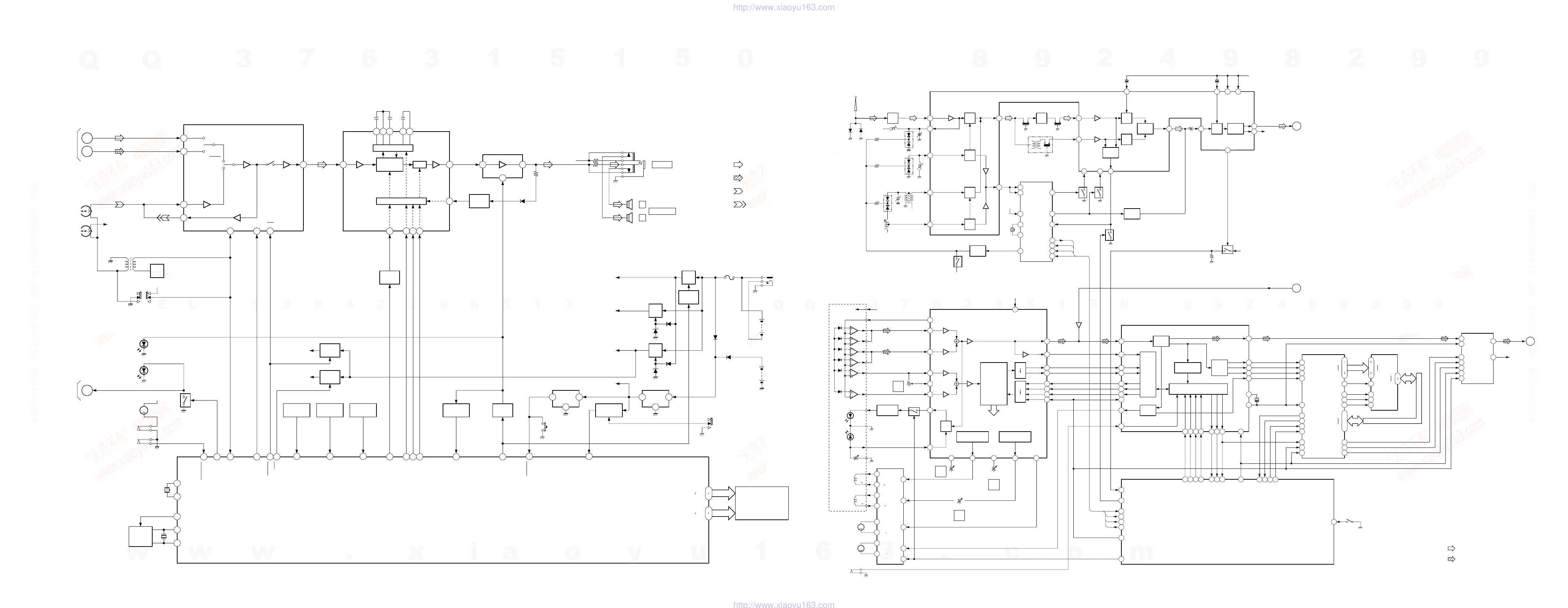
5-2. BLOCK DIAGRAM — TC SECTION — 5-3. BLOCK DIAGRAM — TUNER/CD SECTION —
w
w
w
.
x
i
a
o
y
u
1
6
3
.
c
o
m
Q
Q
3
7
6
3
1
5
1
5
0
9
9
2
8
9
4
2
9
8
T
E
L
1
3
9
4
2
2
9
6
5
1
3
9
9
2
8
9
4
2
9
8
0
5
1
5
1
3
6
7
3
Q
Q
TEL 13942296513 QQ 376315150 892498299
TEL 13942296513 QQ 376315150 892498299
http://www.xiaoyu163.com
http://www.xiaoyu163.com

Other manuals for Sony CFD-980

Related product manuals