EasyManua.ls Logo

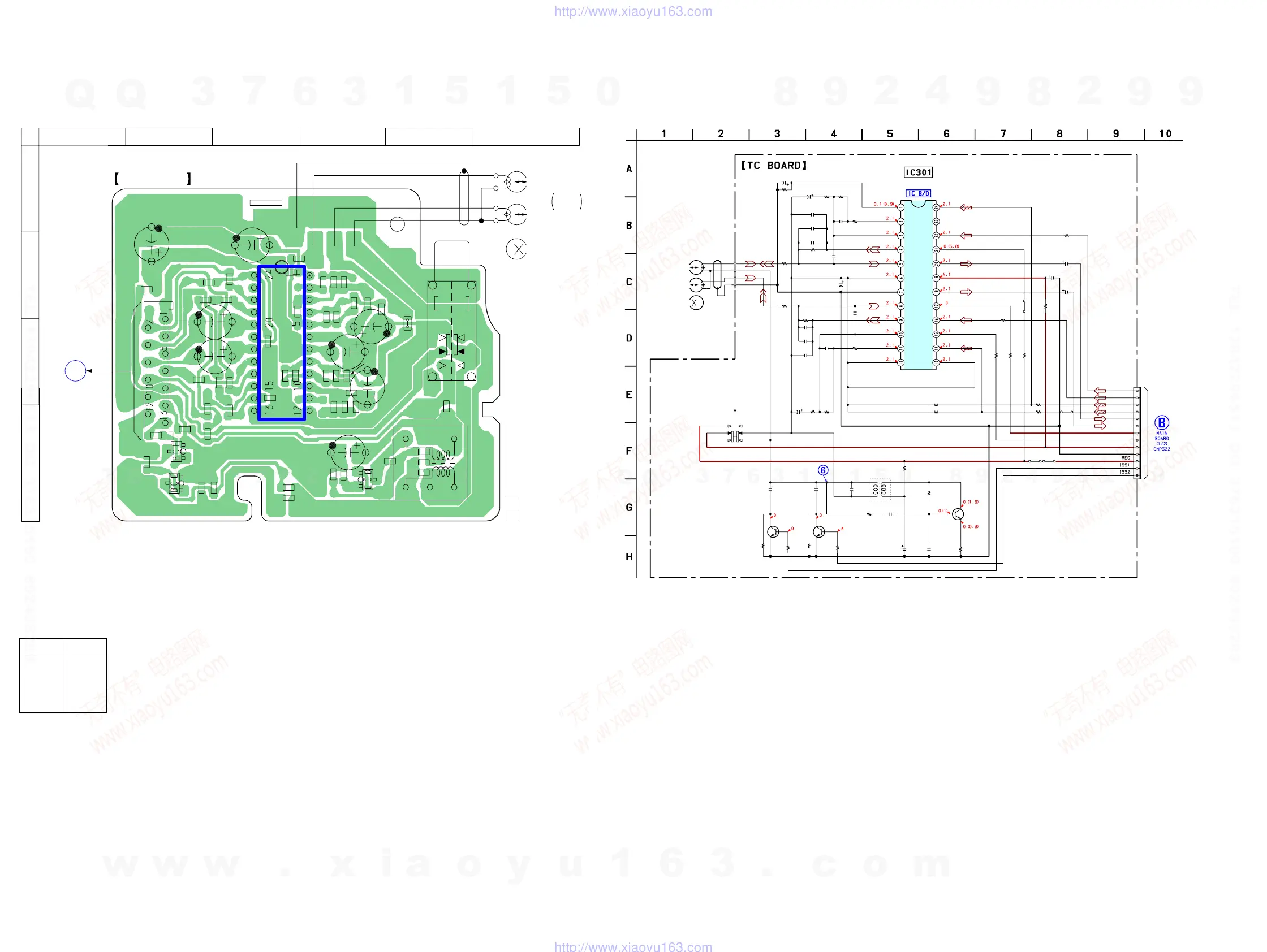
Sony CFD-E77L - Printed Wiring Board - TAPE DECK Section; Schematic Diagram - TAPE DECK Section

Sony CFD-E77L
58 pages
Print Icon
To Next Page IconTo Next Page
To Next Page IconTo Next Page
To Previous Page IconTo Previous Page
To Previous Page IconTo Previous Page
Loading...
CFD-E77L
2828
R202
C202
R203
C203
C204
R204
C205
C302
R103
C103
R104
R102C102
C104
C105R101
R201
R210
R110
R111
C106
C303
C206
R309
R211
R302 R303 R304
R105
R205
R106
R206
R305
R306
C304
C306R308
Q301
R307
R301
C301
IC301
C107
C207
HE301
HRP301
T301
CN303
C101
C201
C307
C305
JC302
JC301
JC304JC303
C310 C308
R312 R311 R313R310
Q303
Q302
68
47
10V
68k
0.047
0.0022
2.2k
47p
100 10V
68k
0.047
2.2k
6847 10V
0.0022
47p15k
15k
100
100
4.7k
1
50V
100 10V
1
50V
47
4.7k
4.7k 4.7k 1k
15k
15k
2.2k
2.2k
150
6.8k
47
10V
0.0122k
2SC2412KT
-146-QR
15
1M
100
10V
TA2068N
470p
470p
13P
0.001
0.001
0.0022
470p220p 100p
1k 1M 1k1M
2SC2412KT-146-QR
2SC2412KT-
146-QR
TAPE
GND
6V
TU-IN-L
TU-IN-R
CD-IN-L
CD-IN-R
L-OUT
R-OUT
LINE
AGC
L.PO
L.NF
L.RO
L.IN
REF
GND
R.IN
R.RO
R.NF
R.PO
MIC.NF
L.LIN
MIC
I/EX
L.RAD
REC
L.LO
VCC
R.LO
LINE
R.RAD
TAPE
R.LIN
MIC
REC/PB EQ AMP,
SELECT SWITCH
1
4
(REC/PB HEAD)
(ERASE HEAD)
L-CH
R-CH
BIAS OSC
BIAS OSC
PB
REC
(REC/PB)
S301
-1 -2
Q302,303
ISS SWITCHING
6-10. PRINTED WIRING BOARD TAPE DECK Section
See page 23 for Circuit Boards Location.
6-11. SCHEMATIC DIAGRAM TAPE DECK Section
See page 36 for Waveform. See page 36 for IC Block Diagram.
Semiconductor
Location
Ref. No. Location
IC301 C-3
Q301 D-4
Q302 D-2
Q303 D-2
IC301
CN303
T301
BIAS
OSC
C102
C302
C202
C301
C304
C303
C206
C106
C103
R210
R206
R201
R301
R104
R103
R202
R203
R204
C104
C203
C204
C201
C205
C105
R305
R101
C101
JC304
R313
R102
C107
C207
R307
C307
R306
C305
R308
C306
R303
JC301
R211
R205
JC303
Q303
Q302
R309
R304
JC302
R111
R105
R106
R302
R310
C310
C308
R311
R312
R110
Q301
B
MAIN BOARD
CNP322
-1 -2
S301
(REC/PB)
PB
r
REC
TC BOARD
1-679-592-
11
(11)
4
1
3
2
L-CH
R-CH
HE301
(ERASE HEAD)
HRP301
REC/PB
HEAD
C
D
1
2 3 4 5 6
A
B
Voltages and waveforms are dc with respect to ground
under no-signal conditions.
no mark : TAPE PLAY
( ) : REC
(Page 29)
(Page 30)
w
w
w
.
x
i
a
o
y
u
1
6
3
.
c
o
m
Q
Q
3
7
6
3
1
5
1
5
0
9
9
2
8
9
4
2
9
8
T
E
L
1
3
9
4
2
2
9
6
5
1
3
9
9
2
8
9
4
2
9
8
0
5
1
5
1
3
6
7
3
Q
Q
TEL 13942296513 QQ 376315150 892498299
TEL 13942296513 QQ 376315150 892498299
http://www.xiaoyu163.com
http://www.xiaoyu163.com

Table of Contents

Related product manuals