EasyManua.ls Logo

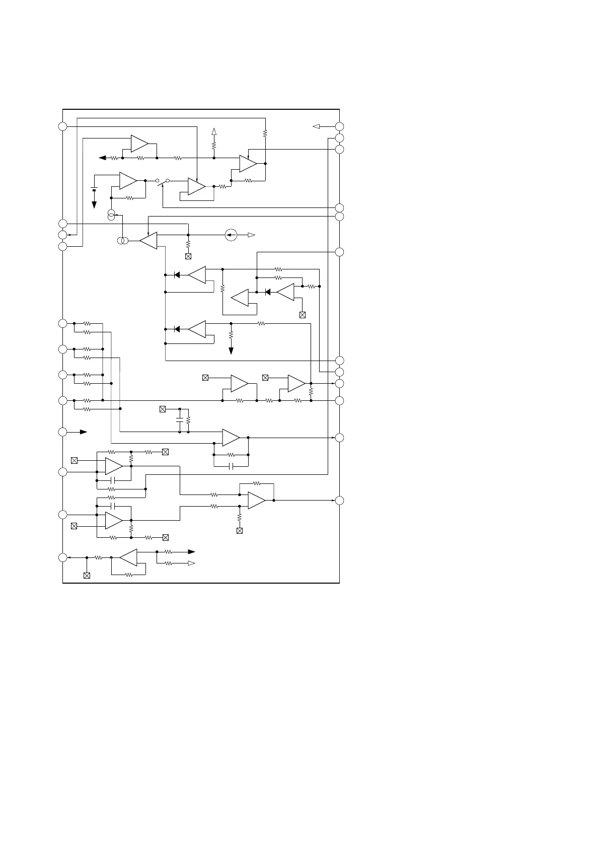
Sony CMT-DC1 - IC Block Diagrams; IC103 CXA2568 M-T6 Block Diagram

Sony CMT-DC1
56 pages
Print Icon
To Next Page IconTo Next Page
To Next Page IconTo Next Page
To Previous Page IconTo Previous Page
To Previous Page IconTo Previous Page
Loading...
34
HCD-DC1
APC PD AMP
APC LD AMP
RF SUMMING AMP
RF EQ AMP
FOCUS ERROR AMP
TRACKING
ERROR AMP
VC BUFFER
VCC
50µA
VEE
VEE
VC
VC
VC
VC
VC
VC
VC
VC
VC
VC
VCC
VEE
VCC
VEE
VEE
VC
VCC
LC/PD
LD ON
HOLD SW
AGC CONT
RFTC
RF I
RF O
RFE
TE
FE
RF BOT
HOLD
AGC VTH
LD
PD
A
B
C
D
VEE
F
E
VC
1
2
3
4
5
6
7
8
9
10
11
12
13
14
15
16
17
18
19
20
21
22
23
24
+
+
+
+
+
+
+
VCC
+
+
+
+
+
+
+
+
+
IC103 CXA2568M-T6