EasyManua.ls Logo

Sony CX-LFA660 - BD Section Block Diagram

Sony CX-LFA660
58 pages
Print Icon
To Next Page IconTo Next Page
To Next Page IconTo Next Page
To Previous Page IconTo Previous Page
To Previous Page IconTo Previous Page
Loading...
2222
CX-LFA660/LFA770
CX-LFA660/LFA770
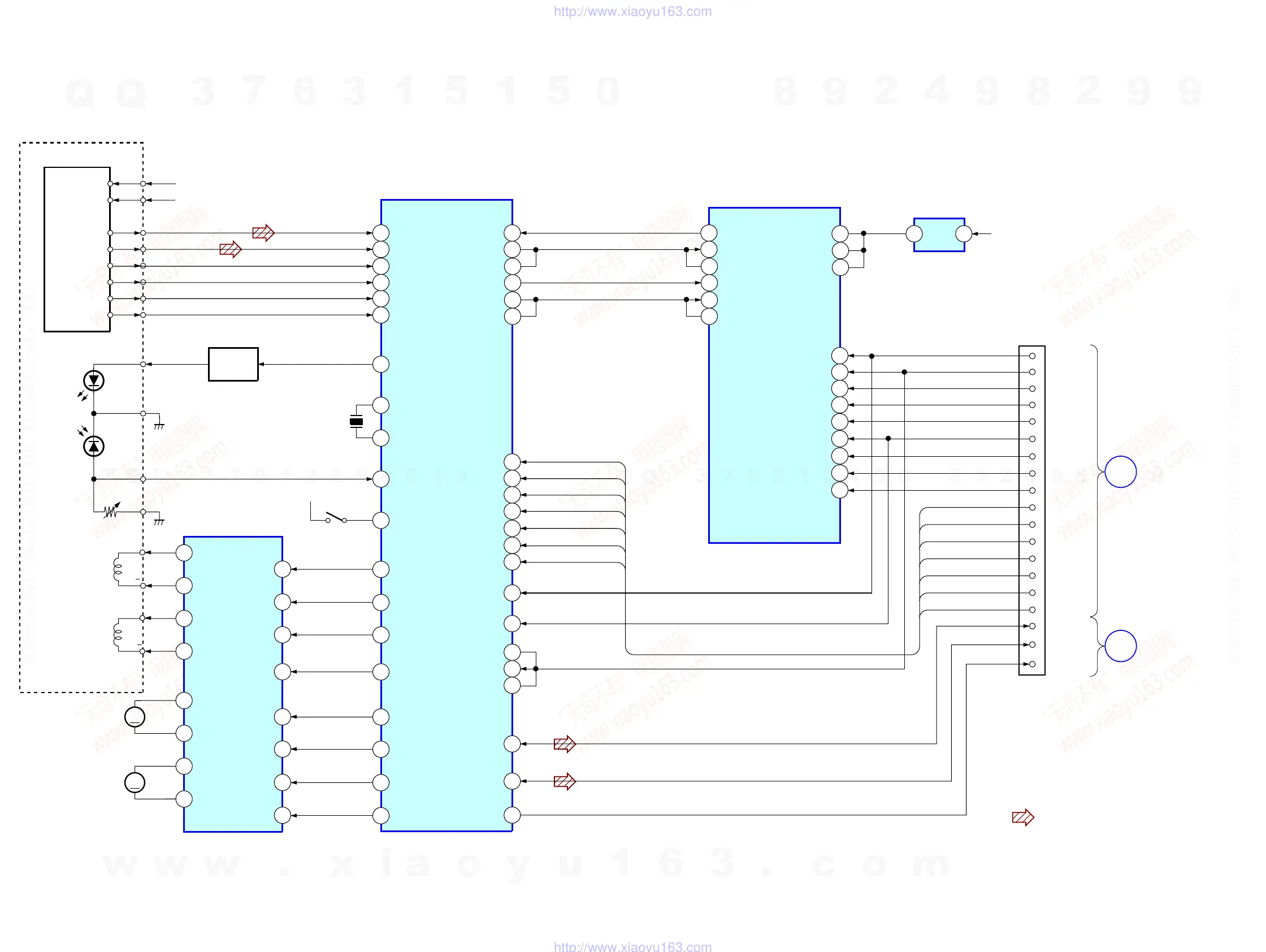
7-1. BLOCK DIAGRAM — BD SECTION —
A
MAIN
SECTION
B
MAIN
SECTION
: CD
• Signal Path
CN201
MP3STB
MP3REQ
MIACK
MICK
MIDIO
MILP
MICS
MP3RST
SRMSTB
SCOR
SENS
CLOCK
XLT
DATA
XRST
XTACN
SCOR
SENS
CLOCK
XLT
DATA
XRST
XTACN
LOUT
ROUT
DOUT
OPTICAL PICK-UP
BLOCK
(KSM-215DCP/C2NP)
LD
DRIVER
Q10
+1.7V
+3.3V
LD
GND
FOCUS
COIL
F+
F
T+
T
TRACKING
COIL
IC251
SW101
X171
16.9MHz
+3.3V
SL/SP MOTOR
DRIVER
IC101
RF AMP
16
7
15
17
18
VR
PD
19
20
21
22
5
9
3
24
MUTE
CH2OUT-F
CH1FIN
CH1RIN
CH2FIN
SFDR
OPIN+
CH2OUT-R
CH1OUT-R
CH1OUT-F
CH4OUT-F
CH4OUT-R
CH3OUT-R
CH3OUT-F
M
M
M101
(SPINDLE)
M102
(SLED)
VCC
VC
A
B
C
D
E
F
DETECTOR
A
B
E
19
F
20
LD
36
PD
37
TFDR
11
SSTP
7
FFDR
13
CH3FIN
30
MPD
6
95
XTACN
100
XRST
102
DATA
104
XLAT
105
CLOCK
86
AOUT2
81
AOUT1
71
DOUT
61
PCMD1
62
LRCK1
63
LRCK
65
PCMD
DIGITAL SIGNAL
IC301
PROCESSOR
21
40
SDO0
11
LRCKIA
16
SFSY/LRCK1B
19
SDIO
14
77
XTAO
78
XTAI
55
VDD
VDD
VDDM
26
27
C
28
D
29
107
SENS
XTACN
XRST
DATA
XLAT
CLOCK
SENS
113
GFS
114
C2PO
2
3
1
FOK
TRDR
12
10
SRDR
CH3RIN
29
CH2RIN
FRDR
14
XRST
100
66
BCK
60
BCK1
BCKIA
15
SBSY/BCK1B
18
6
3.3V
IC303
8
5 1
3
STANBY
36
PO11/BUCK/AD1
8
MIACK
7
MICK
6
MIDIO
4
MICS
5
MILP
2
RESET
41
SRMSTB
115
SCOR
SCOR
REG
w
w
w
.
x
i
a
o
y
u
1
6
3
.
c
o
m
Q
Q
3
7
6
3
1
5
1
5
0
9
9
2
8
9
4
2
9
8
T
E
L
1
3
9
4
2
2
9
6
5
1
3
9
9
2
8
9
4
2
9
8
0
5
1
5
1
3
6
7
3
Q
Q
TEL 13942296513 QQ 376315150 892498299
TEL 13942296513 QQ 376315150 892498299
http://www.xiaoyu163.com
http://www.xiaoyu163.com

Related product manuals