EasyManua.ls Logo

Sony CX-LFA660 - Schematic Diagram - AMP Section

Sony CX-LFA660
58 pages
Print Icon
To Next Page IconTo Next Page
To Next Page IconTo Next Page
To Previous Page IconTo Previous Page
To Previous Page IconTo Previous Page
Loading...
3232
CX-LFA660/LFA770
CX-LFA660/LFA770
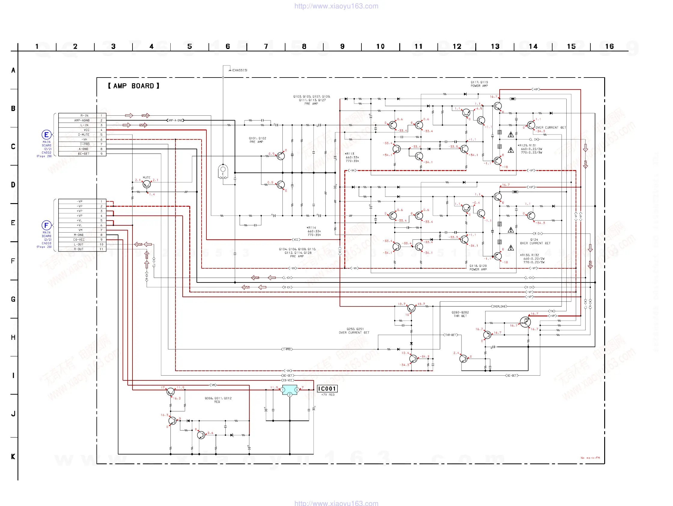
7-10. SCHEMATIC DIAGRAM — AMP SECTION —
C016
C097
C103
C121
C122
C127
C128
C240
C271
D021
D030
D101
D102
D103
D104
D105
D106
D107
D111
D112
D250
EP002
R025
R029
R056
R060
R105
R106
R107
R108
R111
R112
R117
R118
R119
R120
R121
R122
R127
R128
R133
R134
R135
R136
R143
R144
R156
R157
R158
R171
R172
R173
R174
R177
R178
R182
R221
R222
R223
R224
R270
R272
R273
R274
R281
D113
D114
R282
R140
R103
R104
R147
R148
R109
R110
R151
R152
R145
R146
R149
R150
R153 R154
R181
R139
R271
D249
R277
C102
C101
C104
C108
C107
R124
R116
R114
R113
R123
C111
C112
R125
Q103
Q107
R115
Q105
R165
Q109
C125
C113
Q119
R175
Q117
C117
R131
R129
R137
C119
R126
Q104
Q108
C124
R166
Q110
C126
C114
Q112
D108
Q106
Q114
Q120
Q128
R176
TH102
TH101
C118
R132
R130
Q118
R142
C120
R138
Q280
C272
Q282
Q281
C270
R028
R058
Q006
R057
R059 C034
IC001
C014
CNA101
CNA102
Q121
C129
C145
Q101
Q102
C146
C130
C029C028
C040
Q113
Q127
Q111
Q124
R141
Q251
R280
C280
Q250
Q012
Q011
C123
Q123
R155
0.01
0.1
1 50V
1 50V
1 50V
100p
100p
0.1
0.0047
50V
MTZJ-T-77-
10C
1SS133T-77
1SS133T-77
1SS133T-77
1SS133T-77
1SS133T-77
1SS133T-77
1SS133T-77
1SS133T-77
1SS133T-77
1SS133T-77
1SS133T-77
TERMINAL,EARTH
100k
1/4W
47k
47
470
27k
27k
100
100
820
820
10k
10k
100
100
100
100
47
47
2.2k
2.2k
1.8k
1.8k
10k
10k
5.6k
4.7k
4.7k
2.2k
2.2k
2.2k
2.2k
15k
15k
2.2k
100k
100k
27k
27k
10k
47k
10k
10k
2.2k
1SS244T-77
1SS244T-77
10k
0
5.6k
5.6k
4.7k
4.7k
1k
1k
0
0
4.7k
4.7k
100k
10k
1M 47k
2.2k
0
10k
1SS133T-77
6,8k
0.0022
0.0022
1
50V
47
25V
47
25V
2.2k
1/4W
2.2k
1/4W
2.2k
1/4W
47
50V
47
50V
1k
1/4W
2SA1587-BL
(TE85L)
2SC3052F-T1-LF
2.2k
1/4W
2SA1587-BL
(TE85L)
1k
2SC3052F-T1-LF
100p
100p
2SD2642
330
2SB1686
0.1
100
0.01
1k
1/4W
2SA1587-BL
(TE85L)
2SC3052F-T1-LF
0.001
1k
2SC3052F-T1-LF
100p
100p
KTC3200GR
1SS133T-77
2SA1587-BL
(TE85L)
2SC3052F
2SD2642
2SC3052F
330
0.1
2SB1686
1k
0.01
100
DTA114EKA -T146
0.1
2SC3052F-T1-LF
2SA1587-BL
(TE85L)
0.0022
220
10k
2SC3052F-T1-LF
4.7k
220 47
25V
TA7807S
100
16V
9P
11P
2SA1235
0.1
0.015
2SC3052F-T1-LF
2SC3052F-T1-LF
0.015
0.1
0.10.1
100
25V
2SC3052F-T1-LF
2SC3052F
-T1-LF
KTC3200GR-AT
2SA1587-BL
(TE85L)
1k
2SA1587-BL
(TE85L)
47k
1/4W
22
25V
2SD0814A0LS0
KTC3198GR-AT
2SB1370-E
0.001
2SA1587-BL (TE85L)
5.6k
*
1/4W
*
1/4W
*
*
*
*
w
w
w
.
x
i
a
o
y
u
1
6
3
.
c
o
m
Q
Q
3
7
6
3
1
5
1
5
0
9
9
2
8
9
4
2
9
8
T
E
L
1
3
9
4
2
2
9
6
5
1
3
9
9
2
8
9
4
2
9
8
0
5
1
5
1
3
6
7
3
Q
Q
TEL 13942296513 QQ 376315150 892498299
TEL 13942296513 QQ 376315150 892498299
http://www.xiaoyu163.com
http://www.xiaoyu163.com

Related product manuals