EasyManua.ls Logo

Sony HCD-BX3 - Printed Wiring Board AMP Section

Sony HCD-BX3
66 pages
Print Icon
To Next Page IconTo Next Page
To Next Page IconTo Next Page
To Previous Page IconTo Previous Page
To Previous Page IconTo Previous Page
Loading...
HCD-BX3/DX3
3030
12
A
B
C
D
E
F
3456789
(Page 38)
(Page 26)
(Page 26)
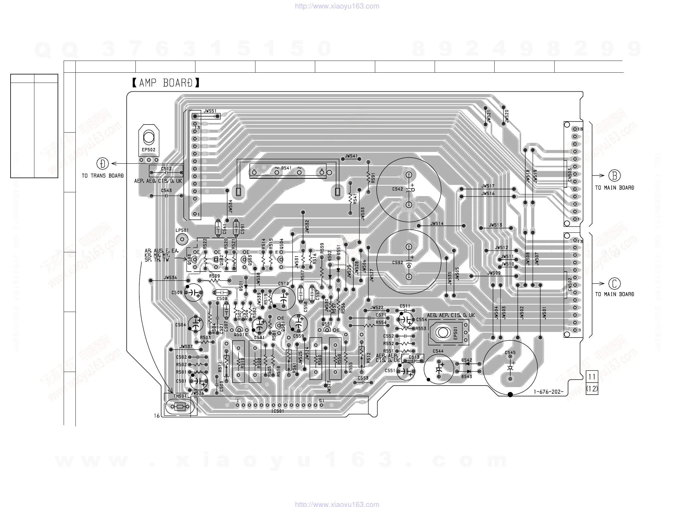
7-9. PRINTED WIRING BOARD AMP SECTION
See page page 21 for Circuit Boards Location.
Ref. No. Location
D501 D-3
D502 D-5
D541 B-4
D542 E-7
D543 E-7
D551 D-5
IC501 F-3
Q501 E-3
Q503 D-3
Q504 D-4
Q551 E-5
Q581 E-4
Q582 D-3
Q583 D-2
Semiconductor
Location
w
w
w
.
x
i
a
o
y
u
1
6
3
.
c
o
m
Q
Q
3
7
6
3
1
5
1
5
0
9
9
2
8
9
4
2
9
8
T
E
L
1
3
9
4
2
2
9
6
5
1
3
9
9
2
8
9
4
2
9
8
0
5
1
5
1
3
6
7
3
Q
Q
TEL 13942296513 QQ 376315150 892498299
TEL 13942296513 QQ 376315150 892498299
http://www.xiaoyu163.com
http://www.xiaoyu163.com

Related product manuals