EasyManua.ls Logo

Sony HCD-CP1 - Display;Power Supply Section Block Diagram

Sony HCD-CP1
53 pages
Print Icon
To Next Page IconTo Next Page
To Next Page IconTo Next Page
To Previous Page IconTo Previous Page
To Previous Page IconTo Previous Page
Loading...
HCD-CP1
– 19 –
– 20 –
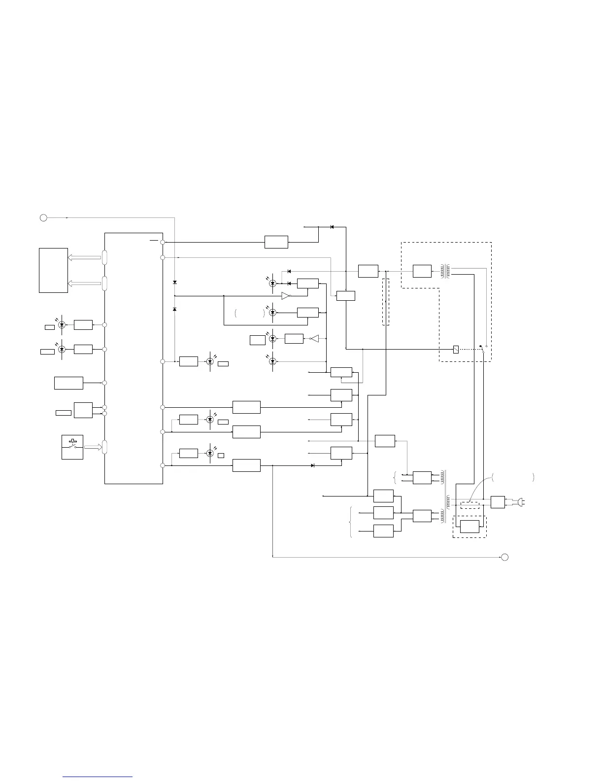
6-3. BLOCK DIAGRAM – DISPLAY/POWER SUPPLY Section –
05
SYSTEM CONTROLLER,
LCD DRIVER
IC801 (3/3)
C
(Page 16)
REC/PB
D
(Page 17)
CD ON
REGULATOR
CONTROL SWITCH
Q311, 312
+12V
REGULATOR
IC306
+5V
REGULATOR
Q310
+8V
REGULATOR
IC304
–8V
REGULATOR
IC305
RECT
D911 – 914
RECT
D907 – 910
RECT
D903 – 906
POWER TRANSFORMER
(MAIN)
T901
VOLTAGE
SELECTOR
S901
LINE
FILTER
LF901
+10V
REGULATOR
Q313
SWITCHING
Q323, 324
AC IN
POWER TRANSFORMER
(SUB)
T902
RY901
B+
B–
+8V
+8V
REGULATOR
IC311
+8V
CD BLOCK, DISC TRAY OPEN/
CLOSE MOTOR DRIVER (IC309) B+
+5V
CD BLOCK B+
+12V
TDA7439 (IC301) B+
+10V
TUNER PACK B+
–8V
AUDIO
CIRCUIT
POWER AMP
(IC101, 201)
D315
REGULATOR
CONTROL SWITCH
Q321, 322
LED DRIVE
Q852
(EXCEPT Hong Kong, Malaysia, Singapore, Thai)
(Hong Kong, Malaysia, Singapore, Thai)
(Hong Kong, Malaysia, Singapore, Thai)
D814
D815
D813
D812
D801, 802
Q655
CD
D852
CD-ON
94
TU-ON
25
TC-ON
98
26
RESET
38
REG-CON
7
+7.5V
REGULATOR
Q314
+5.6V
REGULATOR
IC310
RESET SIGNAL
GENERATOR
IC803
FM 7.5V
FM CIRCUIT B+
B+ SWITCH
Q661, 662
B+ SWITCH
Q653, 654
B+ SWITCH
Q651, 652
LED B+
REGULATOR
CONTROL SWITCH
Q315, 316
RDS-ON
30
LED DRIVE
Q855
TUNER
D855
LED DRIVE
Q854
LED DRIVE
Q856
LED DRIVE
Q858
TAPE
D854
DSG
D856
D858
(DISC TRAY ILLUMINATION)
STANDBY
I/u
D851
D657 – 660
(LCD BACK LIGHT)
BACK UP +5V
SYSTEM CONTROLLER (IC801) B+
Q859
REMOTE CONTROL
RECEIVER
IC802
3
REMOCON
D.S.G.
27
LED DRIVE
Q857
CD SYNC
D857
CD-SYNC
ROTARY
ENCODER
RV801
JOG-A
21
JOG-B
20
36 – 34
SEG0 – SEG31
KEY1 – KEY3
54 – 85
COM0 – COM3
50 – 53
S801 – 822, 824, 825
RV801
VOLUME
LIQUID CRYSTAL
DISPLAY
LCD801
EXCEPT Hong Kong, Malaysia,
Singapore, Thai
CASSETTE HOLDER
BACK LIGHT

Related product manuals