EasyManua.ls Logo

Sony HCD-DP700 - Schematic Diagrams (1;2)

Sony HCD-DP700
88 pages
Print Icon
To Next Page IconTo Next Page
To Next Page IconTo Next Page
To Previous Page IconTo Previous Page
To Previous Page IconTo Previous Page
Loading...
3333
HCD-DP700
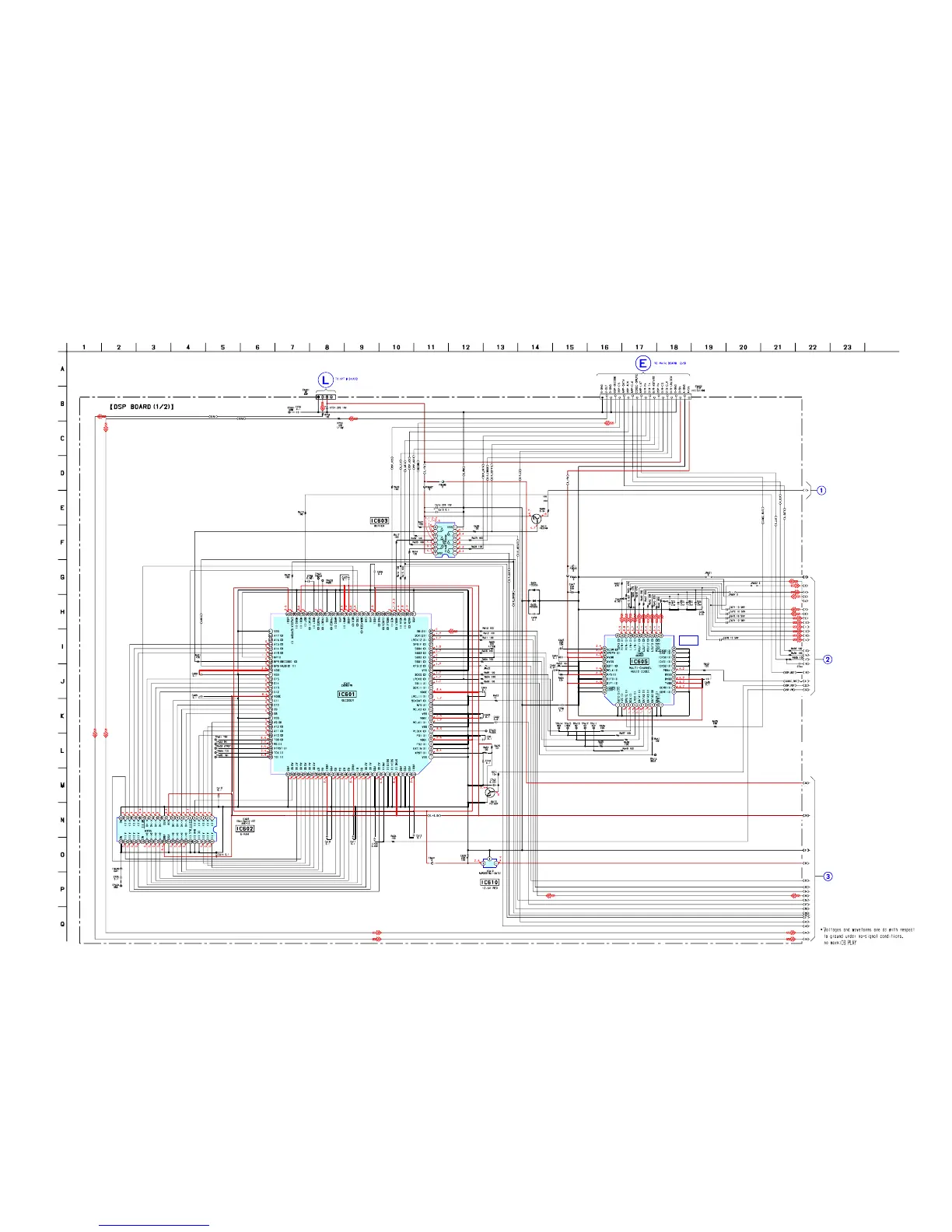
6-10. SCHEMATIC DIAGRAM DSP (1/2) SECTION See page 61 for IC Block Diagrams. See page 56, 57 for IC Pin Function.
TO OPT IN BOARD
(Page 35)
(Page 30)
(Page 34)
(Page 34)
(Page 34)
IC B/D

Related product manuals