EasyManua.ls Logo

Sony HCD-DP700 - Schematic Diagram

Sony HCD-DP700
88 pages
Print Icon
To Next Page IconTo Next Page
To Next Page IconTo Next Page
To Previous Page IconTo Previous Page
To Previous Page IconTo Previous Page
Loading...
3737
HCD-DP700
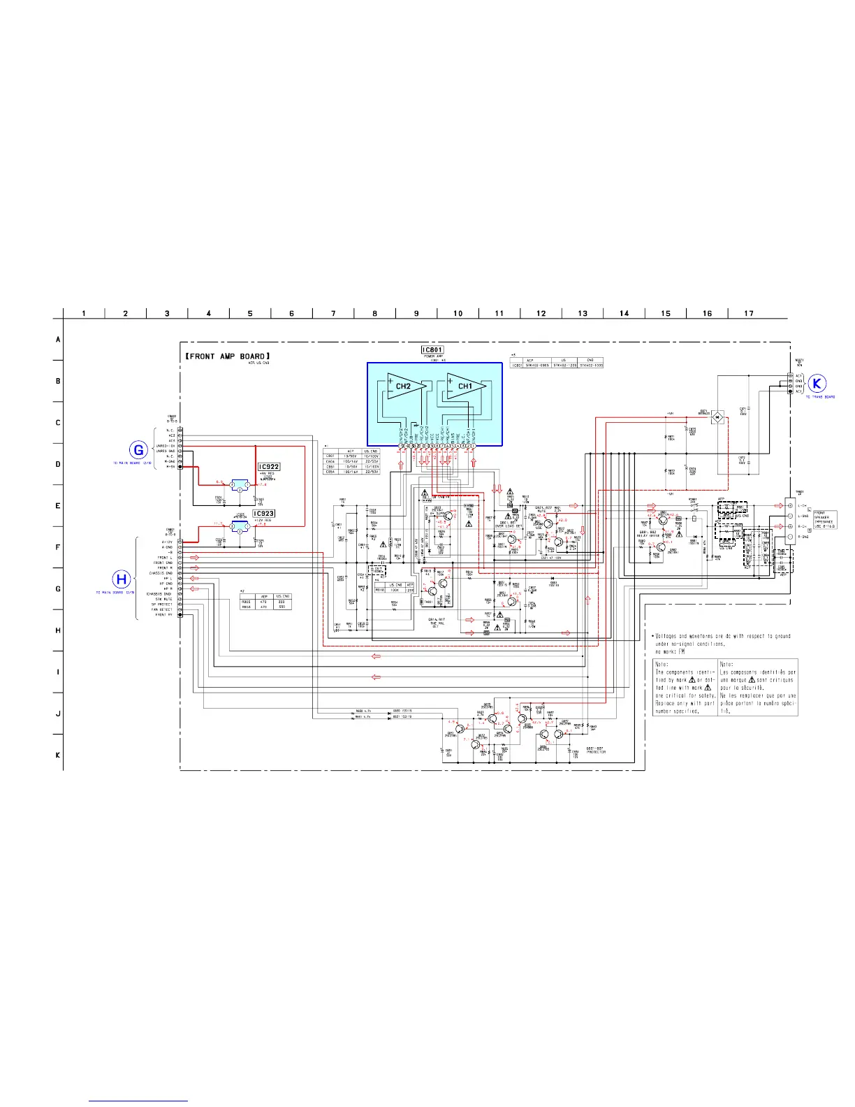
6-15. SCHEMATIC DIAGRAM FRONT AMP SECTION (AEP/US/CND model)
(Page 50)
(Page 30)
(Page 30)

Related product manuals