EasyManua.ls Logo

Sony HCD-DP700 - Page 60

Sony HCD-DP700
88 pages
Print Icon
To Next Page IconTo Next Page
To Next Page IconTo Next Page
To Previous Page IconTo Previous Page
To Previous Page IconTo Previous Page
Loading...
60
HCD-DP700
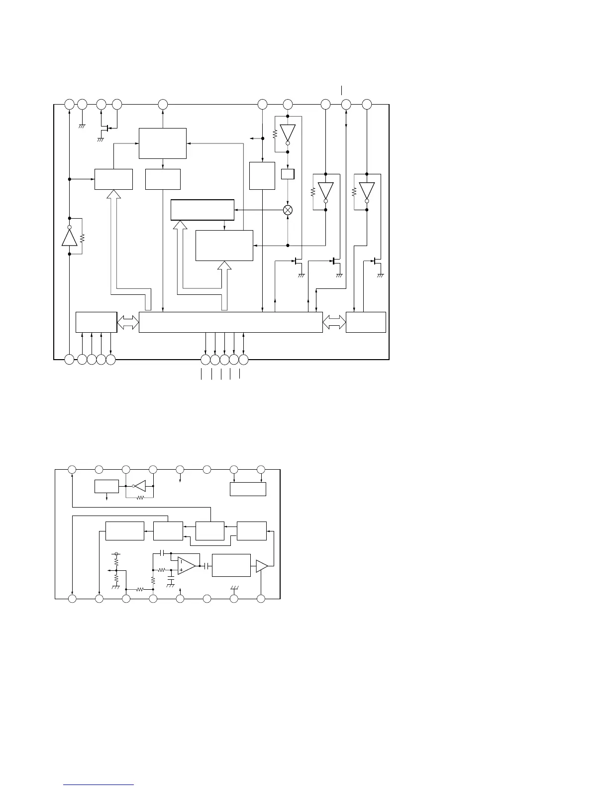
IC51 LC72131 (MAIN BOARD (3/3))
PHASE
DETECTOR
CHARGE PUMP
SWALLOW COUNTER
1/16, 1/17 4BITS
12BITS
PROGRAMMABLE
DRIVER
UNIVERSAL
COUNTER
REFERENCE
DIVIDER
POWER
ON
RESET
1/2
CCB
INTERFACE
1
2
3
4
5
6
7
8
9
16
15
14
13
12
11
10
17
18
1920
XOUT
VSS
AOUT
AIN
PD
VDD
FMIN
AMIN
XIN
DO
CL
DI
CE
IFIN
IO1
BO4
BO3
BO2
BO1
IO2
UNLOCK
DETECTOR
DATA SHIFT REGISTER LATCH
IC81 BU1924 (MAIN BOARD (3/3))
1 2 3 4 5 6 7 8
910111213141516
QUAL
RDATA
VREF
VDD1
VSS1
MUX
VSS3
CMP
RCLK
XO
XI
(NC)
VDD2
VSS2
T1
T2
8TH SWITCHED
CAPACITOR
FILTER
PLL 57KHz
RDS/ARI
BIPHASE
DECODER
DEFFERENTIAL
DECODER
PLL
1187.5Hz
TEST
CLOCK

Related product manuals