EasyManua.ls Logo

Sony HCD-DZ151KB - 6-3. Block Diagram - Power Section

Sony HCD-DZ151KB
110 pages
Print Icon
To Next Page IconTo Next Page
To Next Page IconTo Next Page
To Previous Page IconTo Previous Page
To Previous Page IconTo Previous Page
Loading...
3030
HCD-DZ150K/DZ151KB
HCD-DZ150K/DZ151KB
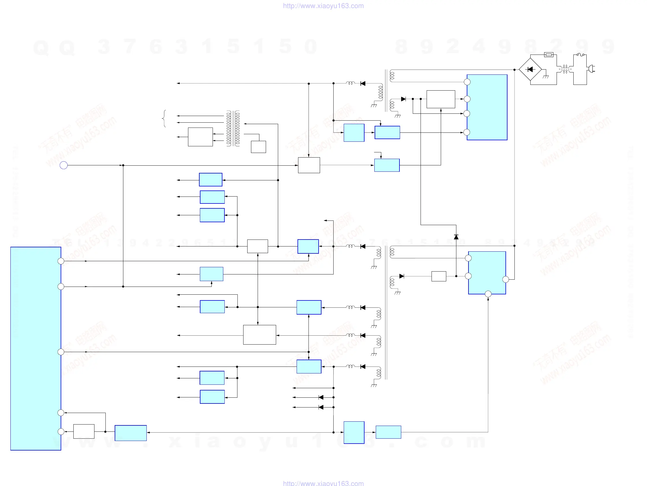
6-3. BLOCK DIAGRAM – POWER SECTION –
F1
F2
VFL
TO FLUORESCENT
INDICATOR TUBE
T801
DC/DC
CONVERTER
IC503
RESET
RECT
D801,802
D804,805
OSC
Q801
12RESET
D
20AC_CUT
40
3
DRAIN
1
8
6
VCC
FB/OLP
START_UP
4
VCC
OCP/SYNC
FB/OLP
4
1
5
P CONT2
P CONT2
41P CONT3
IC501 (3/3)
SYSTEM CONTROLLER
39P CONT1
IC941
+12V REG
IC307
+9V REG
D943
D942
D944
D941
D922
D910
Q921
IC921
POWER
PROTECTION
T902
TRANSFORMER
(SUB)
T901
TRANSFORMER
(MAIN)
PC902
PHOTO
COUPLER
D931
D905
Q943,947
PC901
PC903
D901
E4V
RF +3.3V
+31.5V
IC901
POWER
PROTECTION
AC IN
SW+3.3V
+5V
+5V
PHOTO
COUPLER
PHOTO
COUPLER
REG
IC1107
+3.3V REG
IC1105
+3.3V REG
IC942
+5V REG
IC504
+5V REG
IC943
+3.3V REG
IC951
VOLTAGE
DETECT
IC931
VOLTAGE
DETECT
IC1110
+1.8V REG
IC3050
+1.8V REG
+6V
VOLTAGE
DETECT
Q901
VOLTAGE
CONTROLLER
Q945
MOTOR DRIVE
CONTROLLER
+3.3V
SW+9V
+9V
A12V
+1.8V
D502
D504
E3.3V
BUP3.3V
+1.8V
Q504
5V SW
Q503
SWITCH
IC502
+3.3V REG
+3.3V
E4V
SW +5V
F901
POWER
Thermistor
LINE
FILTER
D
AUDIO/AMP
SECTION
(Page 29)
w
w
w
.
x
i
a
o
y
u
1
6
3
.
c
o
m
Q
Q
3
7
6
3
1
5
1
5
0
9
9
2
8
9
4
2
9
8
T
E
L
1
3
9
4
2
2
9
6
5
1
3
9
9
2
8
9
4
2
9
8
0
5
1
5
1
3
6
7
3
Q
Q
TEL 13942296513 QQ 376315150 892498299
TEL 13942296513 QQ 376315150 892498299
http://www.xiaoyu163.com
http://www.xiaoyu163.com

Table of Contents