EasyManua.ls Logo

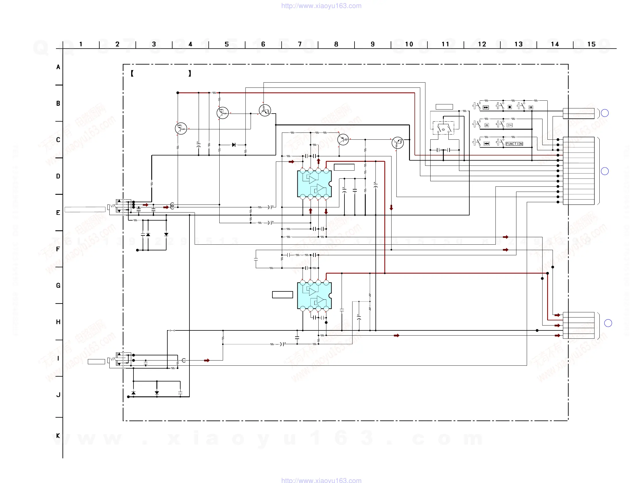
Sony HCD-DZ151KB - 6-21. Schematic Diagram - JACK Board

Sony HCD-DZ151KB
110 pages
Print Icon
To Next Page IconTo Next Page
To Next Page IconTo Next Page
To Previous Page IconTo Previous Page
To Previous Page IconTo Previous Page
Loading...
4747
HCD-DZ150K/DZ151KB
HCD-DZ150K/DZ151KB
6-21. SCHEMATIC DIAGRAM – JACK BOARD –
O
P-SW
BOARD
CN804
(Page 48)
N
FL
BOARD
CN805
(Page 46)
K
IO-S-OUT
BOARD
CN302
(Page 43)
No mark:DVD STOP
3.3
0
2.9
3.3
0
0
2.9
2.9
4.7
0
4.7
3.3
0
4.7
4.7
4.7
4.7
9
4.7
4.7
4.7
4.7
4.7
9
4.7
4.7
4.7
0.47
C431
16V
10
C411
16V
16V
10
C421
16V
47
C401
10V
100
C403
470p
C422
470p
C432
470p
C412
68p
C433
220p
C413
220p
C423
C491
0.001
0.1
C404
0.1
C405
0.068
C434
470
R411
470
R421
1k
R415
1k
R413
1k
R423
1k
R424
2.2k
R433
4.7k
R402
10k
R482
15k
R414
22k
R422
22k
R412
22k
R432
100k
R410
100k
R420
1M
R435
0
JR816
0
R431
0
R434
3.3k
R401
FB470
FB471
FB475
1SS355WTE-17
D492
1SS355WTE-17
D493
RT1N441C-TP-1
Q475
8765
4321
NJM4558M-TE2
IC401
8765
4321
NJM4558M-TE2
IC402
J401
1
2
3
4
5
6
7
J402
1
2
3
4
5
6
7
0.001
C493
0.001
C440
D496
1SS355WTE-17
1SS355WTE-17
D497
TP413
TP414
Q474
RT1P140C-TP-1
R858
0
TP874
TP875
TP876
TP877
TP878
TP879
TP880
TP881
TP882
TP883
TP402
TP409
TP400
TP410
TP418
R444
15k
R443
1k
R442
22k
R445
100P
1
2
3
4
5
6
7
8
9
10
11
12
13
13P
CN806
KEY2
KEY1
KEY0
3.3V
D-GND
DC-CONT
EN B
MO/ST-DET
EN A
PLUG-DET1
A.CAL
GAIN-CONT
PLUG-DET2
3.3k
R853
S803
2.2k
R854
S802
3.3k
R852
S808
S807
0
R851
2.2k
R857
S806
S804
S805
2.2k
R856
1k
R855
TP841
TP842
JL003
JL004
1
2
2P
CN809
GND
KEY0
1k
R403
22
R416
100
R478
RT1P141C-TP-1
Q473
2.2k
R471
RT1P141C-TP-1
Q471
2.2k
R470
6.3V
22
C471
1SS355WTE-17
D470
680
R472
100k
R481
47
R480
RT1N441C-TP-1
Q470
TP415
TP884
S800
1
23
45
0.01
C850
0.01
C849
0
R492
0
R490
1
2
3
4
5P
CN402
F-AUDIO(L)
9V
F-AUDIO(R)
GND
5 MIC2
0.001
C410
0.001
C420
TP403
0
R491
TP412
TP401
JW432
470p
C442
220p
C443
10
C441
470
R441
100k
R440
+
+
-
-
+
+
-
-
VOLUME
JACK BOARD
MIC2
AUDIO IN/MIC1/A.CAL MIC
IC401
AMP
IC402
AMP
MO/ST DETECT
MO/ST DETECT
MO/ST DETECT
GAIN CONT
GAIN CONT
R404
R405
C406
4.7k
4.7k
100
10V
Ver. 1.2
w
w
w
.
x
i
a
o
y
u
1
6
3
.
c
o
m
Q
Q
3
7
6
3
1
5
1
5
0
9
9
2
8
9
4
2
9
8
T
E
L
1
3
9
4
2
2
9
6
5
1
3
9
9
2
8
9
4
2
9
8
0
5
1
5
1
3
6
7
3
Q
Q
TEL 13942296513 QQ 376315150 892498299
TEL 13942296513 QQ 376315150 892498299
http://www.xiaoyu163.com
http://www.xiaoyu163.com

Table of Contents