EasyManua.ls Logo

Sony HCD-EH25 - Page 32

Sony HCD-EH25
54 pages
Print Icon
To Next Page IconTo Next Page
To Next Page IconTo Next Page
To Previous Page IconTo Previous Page
To Previous Page IconTo Previous Page
Loading...
HCD-EH25/EH26
32
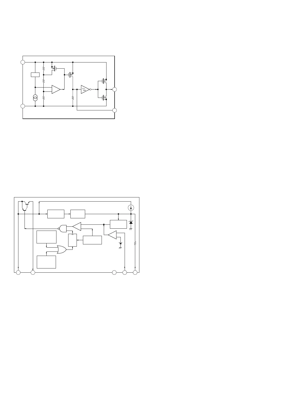
– PT-VBUS Board –
IC901 PQ1CG2032FZ
1
VIN
2
VOUT
3
COM
4
OADJ
5
ON/OFF
ON/OFF
CIRCUIT
VOLTAGE
REGULATOR
SOFT START
R
Q
S
OVERCURRENT
DETECTION
CIRCUIT
OCSILLATION
OVERHEAT
DETECTION
CIRCUIT
+
+
PWM COMPARATOR
ERROR
AMP
VDD 2
GND 1
+
VREF
CD3
OUT
4
IC709 PST3542UL
jomi

Related product manuals