EasyManua.ls Logo

Sony HCD-EP707 - BLOCK DIAGRAM - TAPE DECK SECTION

Sony HCD-EP707
56 pages
Print Icon
To Next Page IconTo Next Page
To Next Page IconTo Next Page
To Previous Page IconTo Previous Page
To Previous Page IconTo Previous Page
Loading...
1717
HCD-EP707
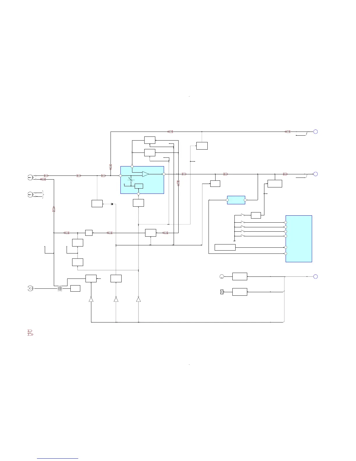
5-2. BLOCK DIAGRAM – TAPE DECK Section –
: RECORD
: TAPE PLAY
ALC,
REC/PB AMP
IC208
R-CH
L-CH
HPRE201 (1/2)
(RECORD/PLAYBACK)
R-CH
R-CH
5
1
2
3
(PROTECT (FWD) DETECT)
(PROTECT (REV) DETECT)
(TAPE DETECT)
(CrO
2
DETECT)
REC
MUTING
Q243
PB
MUTING
Q247
REC/PB
SWITCH
Q246
AMP GAIN
CONTROL
Q242
ALC
SWITCH
Q239
ALC
BIAS
TRAP
CAPSTAN/REEL
MOTOR DRIVE
Q217, 218
REC IN
44
AMS
28
REC SW(FWD)
61
REC SW(RVS)
HALF-SW
59
MODE-SW
57
R-CH
BIAS OSC
T201
12V
REC BIAS
SWITCH
Q226, 227
REC/PB
SWITCH
Q223
REC/PB
SWITCH
Q229, 239
REC/PB
SWITCH
Q220, 221
M
(CAPSTAN/REEL)
TRIGGER
PLUNGER DRIVE
Q215, 216
(TRIGGER PLUNGER)
SYSTEM CONTROLLER
IC101 (1/3)
R-CH
R-CH
R-CH
R-CH
R-CH
(HEAD POSITION DETECT)
R-CH
TL-CH
TR-CH
RL-CH
RR-CH
C
(Page 18)
D
(Page 18)
TROUT
6
V. N
1
AMS
IC209
HPRE201 (2/2)
(ERASE)
BUFFER
Q219
TAPE PLAY/REC DETECT
SENSOR
MUTING
Q241
TAPE TYPE
SELECT SWITCH
Q240
62
BIAS OSC
Q228
OUT1
ALC
IN1
NF1
• SIGNAL PATH
• R-ch is omitted due to same as L-ch.
SOL, REC_EN,
MOTOR_ON
E
(Page 18)
REC_EN
SOL
MOTOR_ON
Q225 Q222Q224
AMP GAIN
CONTROL
Q256
D210
R-CH

Related product manuals