EasyManua.ls Logo

Sony HCD-EP707 - DIAGRAMS; BLOCK DIAGRAM - TUNER SECTION

Sony HCD-EP707
56 pages
Print Icon
To Next Page IconTo Next Page
To Next Page IconTo Next Page
To Previous Page IconTo Previous Page
To Previous Page IconTo Previous Page
Loading...
1616
HCD-EP707
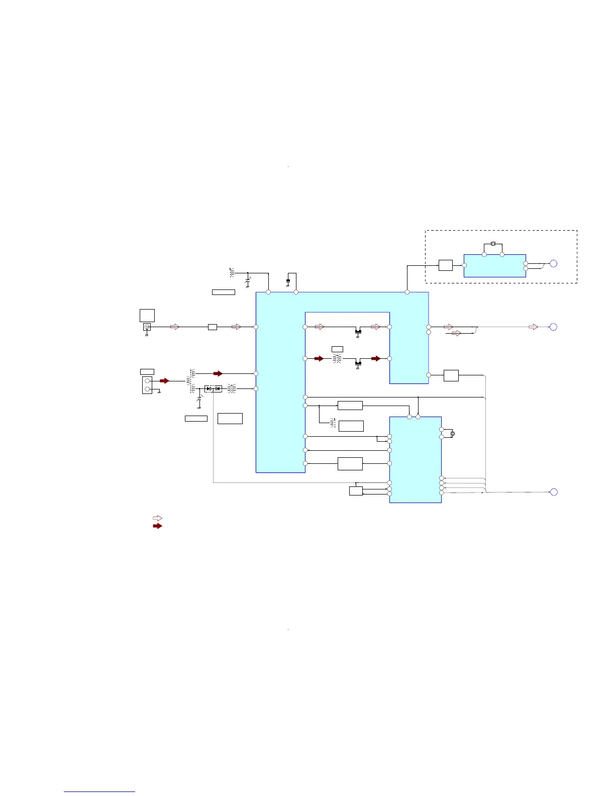
SECTION 5
DIAGRAMS
5-1. BLOCK DIAGRAM – TUNER Section –
• SIGNAL PATH
: FM
: AM
• R-ch is omitted due
to same as L-ch.
CON202
CON201
24 5 10
22
16
FMRF IN FMIF
FMRF OUT
13
FM DET
19
DET OUT
1
AMRF IN
3
AM
OSC
8
AMOSC
BUFFER
20
FMOSC
15
AM/FM SW
7
AM/FMIF
BUFFER
FM
MIX
L OUT
R OUT
17
3
CE
DO
6
4
DI
20
XOUT
1
XIN
CL
5
CF201
9 11
AMIF
7
BO1
12
IFIN
11
IO1
20
AOUT
19
AIN
18
PD
FMIN
AM
MIX
CF202
CF203
B
(Page 18)
A
(Page 18)
FM ANT
75
COAXIAL
AM ANT
BPF
BPF201
IFT202
AM RF
IFT201
AM OSC
Q201
VC205
AM FREQUENCY
COVERAGE
IFT201
FM FREQUENCY
COVERAGE
L204
AM TRACKING
IFT202, VC205
FM TRACKING
L203, VC202
VC202
L203
FM RF
FM/AM IF AMP,
MIX, DET, MPX, OSC
IC202
AM IF
IFT205
TU-L
R-CH
TU-R
DA IN
CLOCK
PLL CE
DA OUT
AGC
12
16
AMIN
15
BUFFER
Q202
STATION
STEREO
14
MONO/ST
8
BO2
FM/AM
SELECT SWITCH
Q204
FM OSC BUFFER
Q252
L. P. F
CF204
7.2MHz
FM/AM PLL
IC201
RCLK
RDATA
RCLK
RDAT
MUX
BUFFER
Q208
4
16
2
CF205
4.332MHz
RDS DECODER
IC203
14
13
XI
XO
H
(Page 19)
(AEP, UK)

Related product manuals