EasyManua.ls Logo

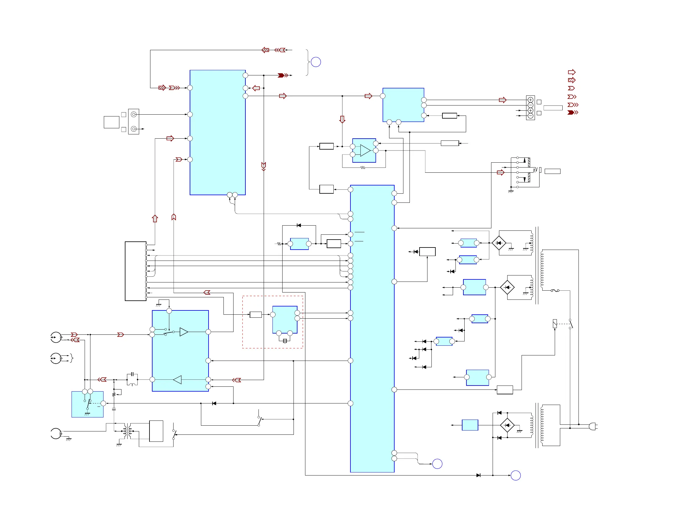
Sony HCD-M10 - Block Diagram - Main Board

Sony HCD-M10
92 pages
Print Icon
To Next Page IconTo Next Page
To Next Page IconTo Next Page
To Previous Page IconTo Previous Page
To Previous Page IconTo Previous Page
Loading...
HCD-M10
4444
BLOCK DIAGRAM – MAIN SECTION –
TU301
TUNER UNIT
C1
MD-L
REC-L
5
IC101
SOUND PROCESSOR
32
LINEOUT1
20
OUT1
L-CH
R-CH
CLK
DO
DI
CE
TUNED
STEREO
R-CH
PJ301
(L)
ANALOG
IN
4
IC901
POWER AMP
5
14
12
11
IC306 (3/3)
MASTER CONTROL
57
STK-POWER
58
53
H/P_MUTE
+OUT1
IN1
-OUT1
STARTING
TIME
52
H/P_CHECK
LINE MUTE
AC CUT
RESET
STBY
SIGNAL
MUTE
12
E1
9
VOL1
29
D1
7
B1
3
CLK
DATA
15 14
Q901,902
MUTING
Q102
+B SWITCH
D401
(R)
SPEAKER
6
Q991
RELAY
DRIVER
R-CH+
R-CH-
TM880
RESET
SWITCH
Q941
Q301
Q101
D942
X401
MUTE
SWITCH
Q121
MUTING
VOL_DATA
VOL_CLK
56
55
ST-CLK
ST-DOUT
ST-DIN
ST-CE
TUNED
70
69
71
72
68
66
67
+
5
IC302
HEADPHONE AMP
6
7
8
L
R
R-CH
CD +10V
J301
50
CD-POWER
POWER-ON
PHONES
BIAS
OSC
Q1005
RV1006
R-CH
L
R
3
1
IC1002
4
REC/PB
REC OUT-L
T1001
REC BIAS
ERASE HEAD
ERASE BIAS
5
24
L-IN
A IN-L
19
A/B-SW
REC IN-L
TAPE
REC
24
21
15
PB-L
20
4
44
REC/PB/PASS
REC-MUTE
48
+12V
Q1006,1007
+5V
Q1013
P
R
REC/PB HEAD
X
IC1001
PB AMP,REC AMP,ALC
73
D902
D901
B+
SWITCH
Q911-912
AMP PER
TC 12V
M +10V
CD +10V
D651-653
CD +5V
D929
CD 10V
BUP +3.3V
SYSCON
+B
D +3.3V
A +3.3V
A +7V
CD +7V
T900
MAIN
TRANSFORMER
T901
SUB
TRANSFORMER
D 57V
REG
IC905
3 1
+4V
REG
IC907
3 1
A +7V
CD +7V
REG
IC904
3 1
CD +10V
REG
IC903
3 1
TC 12V
REG
IC902
3 1
C
AC IN
BACK UP
+5V
R-CH
31
IC908
IC301
RESET
MD
SECTION
B
P.DOWN
AC DET
DA MUTE
MD
SECTION
E
PANEL
SECTION
D995-998
MD
M/H +5V
REG
IC906
3 1
MD M/H +5V
SUB +5.6V
RY991
MDM_POWER
D992
D993
D941
MDM +5V
D602
D 5.7V
2
FM_ON
TU_ON
RDATA
AMP MUX
RCLK
XI XO
513
4
16
14
18
RDS_DATA
RDS_INT
20
DA_MUTE
5
SUB+5.6V
REG
IC991
D923
D924
D928
D925
MUTE
+12V
F902
RDS DECODER
AEP, UK
13
FM DET OUT
: FM
: CD(ANALOG)
• Signal Path
• R-CH is omitted due to same as L-CH.
: PB(TAPE)
: REC(TAPE)
: PLAY(MD)
: REC(MD)

Related product manuals