EasyManua.ls Logo

Sony HCD-M10 - Schematic Diagram - Bd Board (1;2)

Sony HCD-M10
92 pages
Print Icon
To Next Page IconTo Next Page
To Next Page IconTo Next Page
To Previous Page IconTo Previous Page
To Previous Page IconTo Previous Page
Loading...
4949
HCD-M10
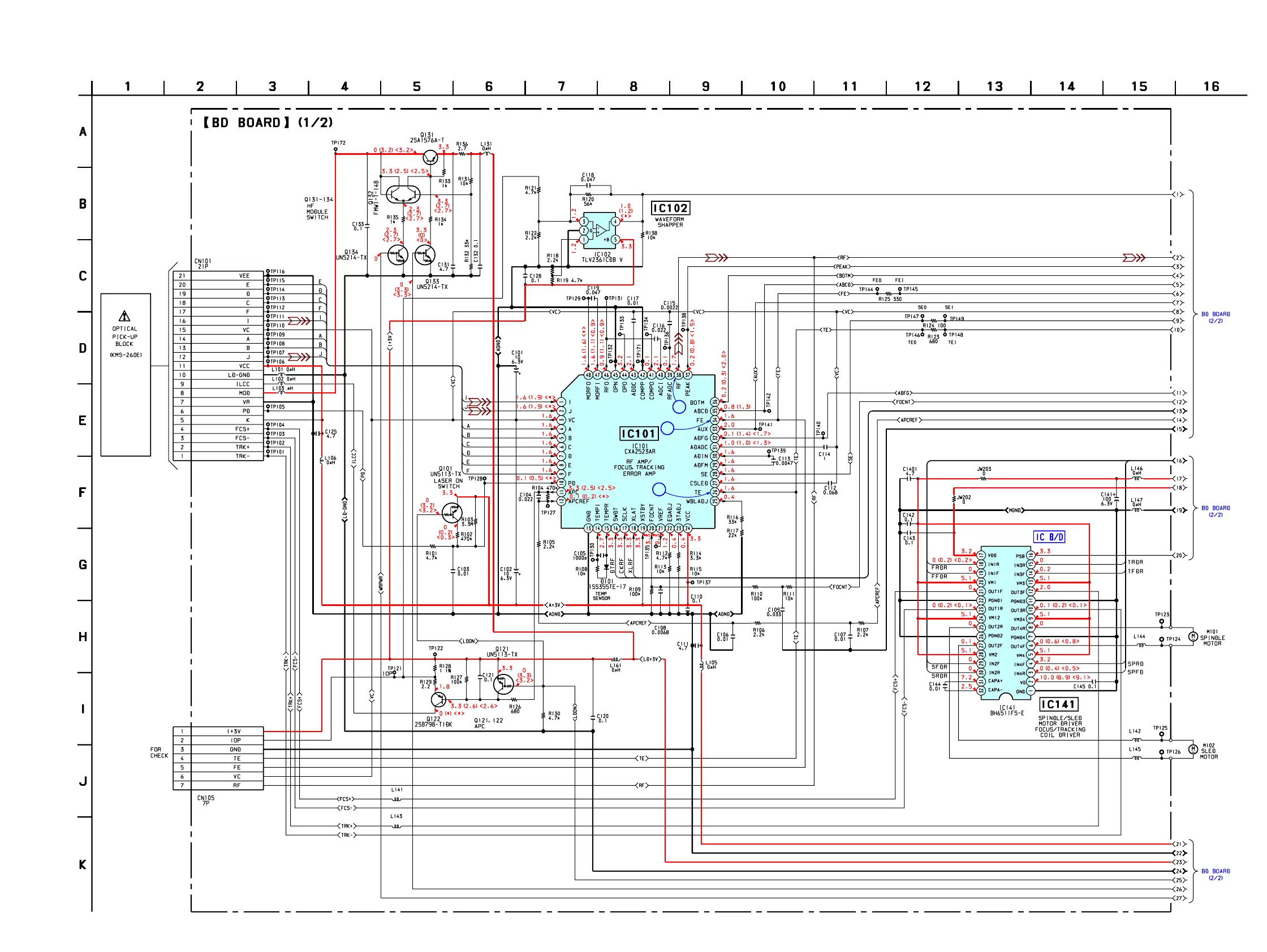
6-6. SCHEMATIC DIAGRAM BD BOARD (1/2)
See page 41 for Waveforms. See page 63 for IC Pin Function Description. See page 70 for IC Block Diagrams.
0
0
0
0
0
1
2
3

Related product manuals