EasyManua.ls Logo

Sony HCD-MC3AV - Schematic Diagrams

Sony HCD-MC3AV
82 pages
Print Icon
To Next Page IconTo Next Page
To Next Page IconTo Next Page
To Previous Page IconTo Previous Page
To Previous Page IconTo Previous Page
Loading...
HCD-MC3AV
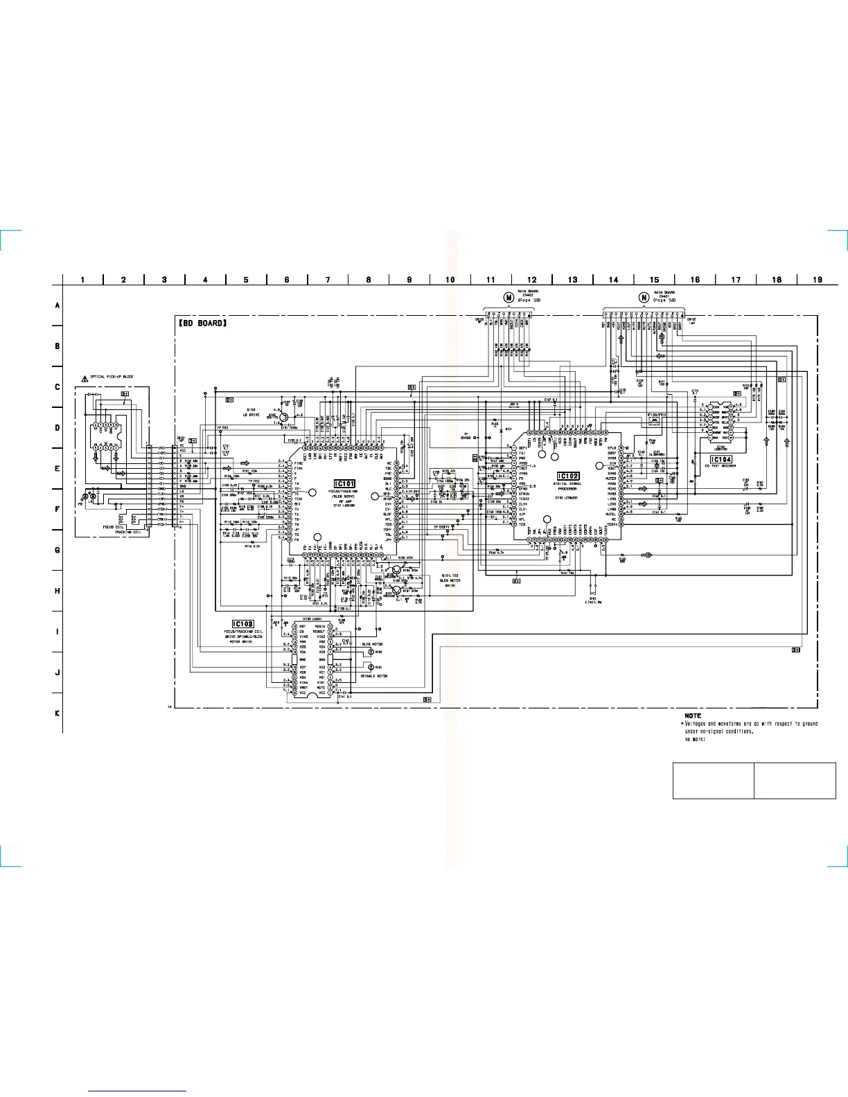
6-4. SCHEMATIC DIAGRAM BD SECTION • See page 75 for Waveforms. • See page 76 for IC Pin Functions.
1SS133T
1
2
3
7
6
4
5
KSS-213BA/F-NP
CD
The components identified by
mark ! or dotted line with mark
! are critical for safety.
Replace only with part number
specified.
Les composants identifiés par
une marque ! sont critiques
pour la sécurité.
Ne les remplacer que par une
pièce portant le numéro spécifié.
— 37 — — 38 —

Related product manuals