EasyManua.ls Logo

Sony HCD-MC3AV - Section 6 Diagrams; Block Diagrams and Printed Wiring Boards

Sony HCD-MC3AV
82 pages
Print Icon
To Next Page IconTo Next Page
To Next Page IconTo Next Page
To Previous Page IconTo Previous Page
To Previous Page IconTo Previous Page
Loading...
HCD-MC3AV
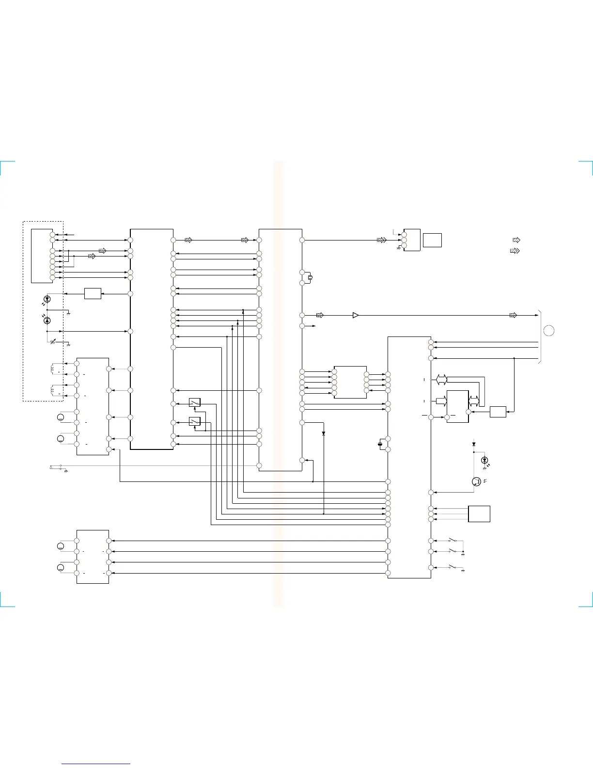
6-1. BLOCK DIAGRAM CD SECTION
SECTION 6
DIAGRAMS
OPTICAL PICK-UP
BLOCK
(KSS-213BA/F-NP)
LD
DRIVER
Q103
A+5V
LD
GND
FOCUS
COIL
F+
F
T+
T
TRACKING
COIL
IC103
FCS/TRK COIL
SL/SP MOTOR
DRIVER
SLED/SPINDLE SERVO
RF AMP
IC101
18
22
T IN
17
19
20
VR
PD
8
7
6
5
15
F IN
10
SL IN
3
SP IN
2
MUTE
F+
F
T+
T
SL+
SL
SP+
SP
M
M
MOTOR
M102
SLED
MOTOR
M101
SPINDOL
S101
LIMIT
VDD
D IN
GND
A+5V
CD
DIGITAL
OUT
IC402
16
:CD
:DIGITAL OUT
• SIGNAL PATH
41
RF SM
VR
58
7
VCC
8
VC
4
A
2
B
1
C
5
D
6
E
10
F
DETECTOR
FOCUS/TRACKING/
FIN 1
2
FIN 2
1
E
3
F
4
LDD
62
LDS
63
FD
16
TO
15
SLD
29
SPD
27
52DATA
50
CLK
51
CL
53
CE
34
TGL
54
DRF
39
CV-
40CV+
Q101
30
SL-
Q102
31
SL+
35TOFF
44SLI
49DEF
36
TES
37
HFL
33JP+
32JP-
DIGITAL SIGNAL
PROCESSOR
IC102
EFMI
10
EFMO
9
DEF
1
TES
16
HFL
15
JP+
19
JP-
20
COIN
56
4.2M
61
CQCK
57
RWC
54
TGL
18
TOFF
17
CONT3
26
CLV+
12
CLV-
13
CONT4
27
31
D OUT
49
PW
CD TEXT
DECODER
IC104
SBSO
2
WFCK
4
MCK
5
FXCK
1
SCOR
3
12
SRDT
11
SCLK
13DQSY
6XMODE
50
SFSY
60
16M
51
CBCK
47
SBSY
53
WRQ
55
SQOUT
3
PDO
45
XI
44
XO
X101
16.9344MHz
37
L CH
40
R CH
R CH
58
RESET
CD CHANGER
CONTROL
IC401
80
IIC DATA
78
IIC CLK
66
65
64
67
55
49
SRDT
SCLK
DQSY
XMODE
WRQ
SQOUT
COIN
50
DB RESET
2
CQCK
48
RWC
58
TGL
57
DRF
54
SL+
47
SL-
59
XTAL
32
EXTAL
31
X401
D151
IC461
MOTOR DRIVER
8
9
11
10
L+
L
T+
T
M
M
MOTOR
M61
LOADING
MOTOR
M62
TABLE
3
2
16
17
L+
L
T+
T
LD OUT
76
LD IN
77
TBL L
75
TBL R
74
30
RESET
42D SENS
FILTER AMP
IC441
815
8
D0
D7
A0
A14
SRAM
IC411
WE
27
20
CE
29
WE
RESET
SW
Q411
U+5V
D51
DISC
SENSOR(S)
Q51
DISC
SENSOR
62
TSENS 1
D51
D402
61
TSENS 2
70
UP SW
71
DOWN SW
69
DOOR SW
63
TSENS 3
TABL
SENSOR
IC51-53
S51
(UP)
S52
(DOWN)
S413
(DOOR)
RESET
IIC DATA
IIC CLK
CD L
TO/FROM
MAIN
BLOCK
(Page 29)
B
— 27 — — 28 —

Related product manuals