EasyManua.ls Logo

Sony HCD-MC3AV - Schematic Diagram Leaf SW Section

Sony HCD-MC3AV
82 pages
Print Icon
To Next Page IconTo Next Page
To Next Page IconTo Next Page
To Previous Page IconTo Previous Page
To Previous Page IconTo Previous Page
Loading...
HCD-MC3AV
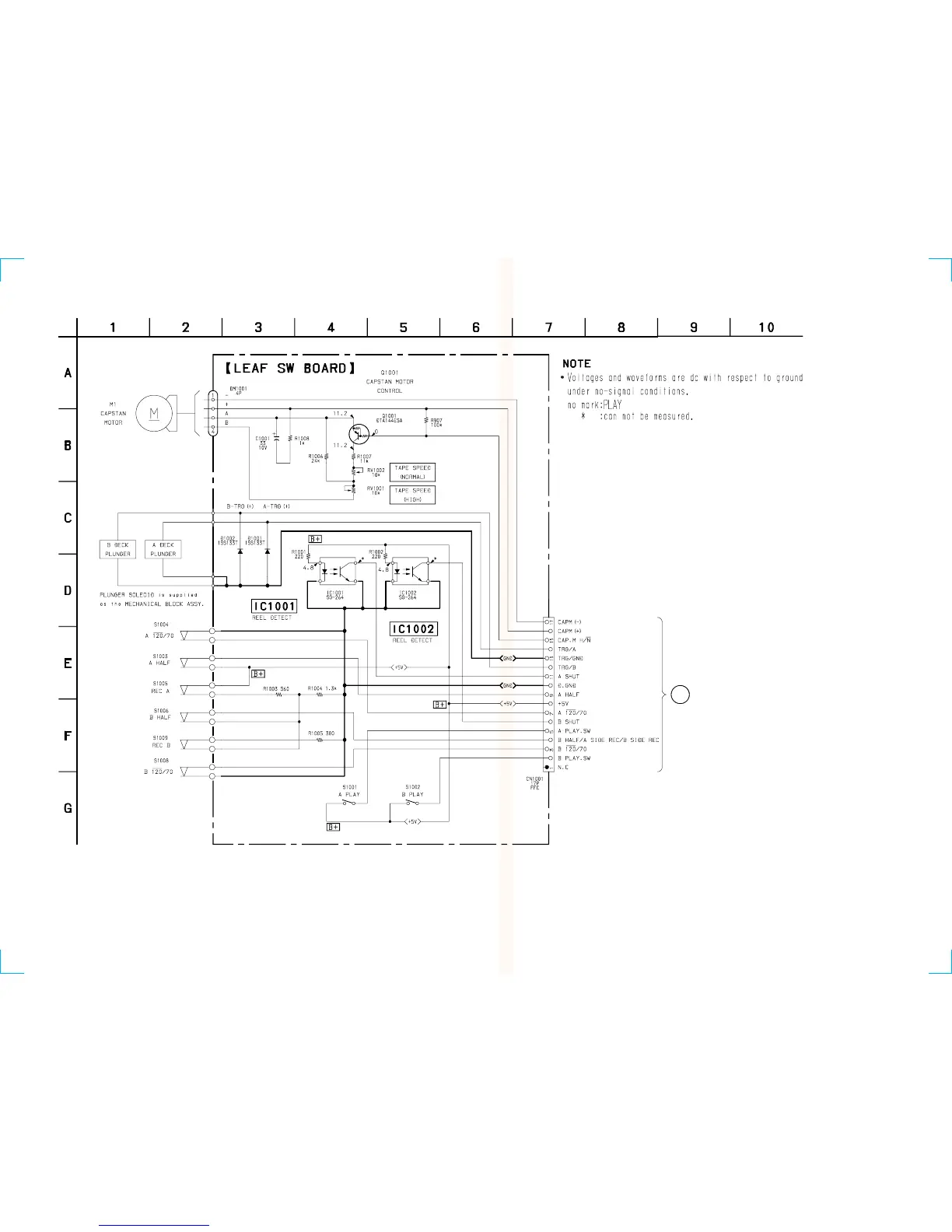
6-10. SCHEMATIC DIAGRAM LEAF SW SECTION
(Page 55)
MAIN BOARD
CN107
Q
16
— 49 — — 50 —

Related product manuals