EasyManua.ls Logo

Sony HCD-MC3AV - Page 27

Sony HCD-MC3AV
82 pages
Print Icon
To Next Page IconTo Next Page
To Next Page IconTo Next Page
To Previous Page IconTo Previous Page
To Previous Page IconTo Previous Page
Loading...
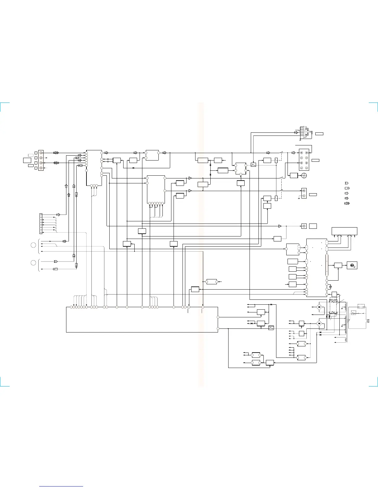
HCD-MC3AV
MAIN SECTION
: FM
: CD
• Signal Path
• RCH is omitted
: PB
: REC
R CH
R CH
SOUND
CONTROL
IC101
L
R
L
R
VIDEO/
MD
OUT
: VIDEO/MD
IN A
69
REC B
57
REC A
58
MIC IN
2
DATA
33
CLOCK
32
LATCH
34
36
L OUT
59
S OUT
60
KIY
IN B
66
IN C
67
IN D
68
40
VOL
DATA
CLOCK
LATCH
ST L
ST D OUT
ST D IN
ST CLK
ST CE
TUNED
STEREO
ST MUTE
CN102
TO/FROM
TUNER
UNIT
TO/FROM
CD
BLOCK
(Page 28)
CD L
RESET
PB L
REC L
SYSTEM
CONTROL
IC501 (2/2)
66
ST D IN
67
ST D OUT
65
ST CLK
68
ST CE
69
TUNED
70
STEREO
72
ST MUTE
3
LATCH
51
CLK
52
DATA
TUNED
STEREO
LATCH
CLOCK
DATA
ST D IN
ST D OUT
ST CLK
ST CE
Q113
MUTE
DBFB
SWITCH
Q111,112
39
BB A
38
BB B
POWER
AMP
IC801
1
6
10
OVER
LOAD DET
Q801
HEAT
SENSOR
Q811,812
+B
D813
D141
SURROUND
PROCESSOR
IC201
L IN
24
LT IN
61
33
S OUT
31
C OUT
DATA
53
DATA
51
CLK
50
CLK
54
ENABLE
52
ENABLE 2
49
Q292
MUTE
Q291
MUTE
Q831,834,881
CENTER AMP
IC831
REAR AMP
IC831
D863
OVER
LOAD DET
Q731
OVER
LOAD DET
1
2 6
4
7
RELAY
CONTROL
IC701
Q733
MUTE
Q732
RELAY
DRIVE
Q701,702
RY701
RY711
RELAY
DRIVE
Q711,712
Q713
MUTE
J781
PHONS
LR
TM701
R CH
R CH
(FRONT)
(REAR)
SPEAKER
TM702
PL DATA
PL CLK
PL LATCH
PL VOL
Q505
MUTE
Q571,572
MUTE
CONT
Q575
MUTE
Q191
MUTE
IC191
J191
2
DBFB H/L
1
LINE MUTE
100
STK MUTE
50
PL DATA
49
PL CLK
42
PL LATCH
41
PL VOL
6
F RELAY
8
PL RELAY
53
CEN MUTE
PL DATA
PL CLK
PL LATCH
PL VOL
RESET
Q501
RESET
IC502
15
RESET
3 1
M U D+5V
54
77
41
53
26
29
34
37
17
14
SPEANA0
SPEANA3
SEG1
SEG20
G1
G13
LED1
LED16
KEY0
KEY3
FL601
DISPLAY
DISPLAY CONTROL
IC601
F1 F2
LED
DRIVER
Q601-604
Q608-612
D611-628,630-633
D637-640
25
LED SEL
8
XO
9XI
32
L+R
13
FUCTION
KEY
SPEANA
IC603
S652
JOG
4
S601-629,631-644
SIRCS
IC602
10
RESET
24
DATA
23
CLOCK
VOL A
19
VOL B
20
SIRCS
33
P U+5V
JOG A
21
JOG B
22
55
IIC DATA
56
IIC CLK
IIC DATA
IIC CLK
IIC DATA
IIC CLK
F1
F2
T991
MAIN +B
REG
AC
IN
MAIN -B
D821
D901-904
Q901,902,915
REG
IC901
13
REG
IC902
13
REG
Q916,951,952
FAN101
FAN
DRIVE
Q703,704
A +7V
TC +7V
TC -7V
CD -UNREG
FAN M -UNREG
POWER
SWITCH
D914
POWER
SWITCH
Q905,906
Q907,908
RDS D+5V
TC D+5V
CD A+5V
AUDIO D+5V
MUTE +5V
D917
CD M+7V
A-7V
P U+5V
CD U+5V
M U D+5V
TC EMRG M+5V
POWER
SWITCH
Q911-914
REG
IC904
13
REG
IC903
13
ST A+10V
PL VCC
TC M+12V
46
CD POWER
5
POWER
16
J101
SUPER
WOOFER
CENTER
S651
VOLUME
IN
IIC CLK
IIC DATA
11
12
.
79
80
.
.
.
1
6
.
14
18
31
.
X601
8MHz
F993
F992
JW992
B
TO/FROM
AUDIO
BLOCK
(Page 32)
A
-30V
REG
Q910
78VKK
Q903
16
AC CUT
F994
JW996
JW997
US,CND MODEL
AUS MODEL
US,CND MODEL
US,CND
MODEL
JW994
AUS MODEL
— 29 — — 30 —

Related product manuals