EasyManua.ls Logo

Sony HCD-MC3AV - Page 28

Sony HCD-MC3AV
82 pages
Print Icon
To Next Page IconTo Next Page
To Next Page IconTo Next Page
To Previous Page IconTo Previous Page
To Previous Page IconTo Previous Page
Loading...
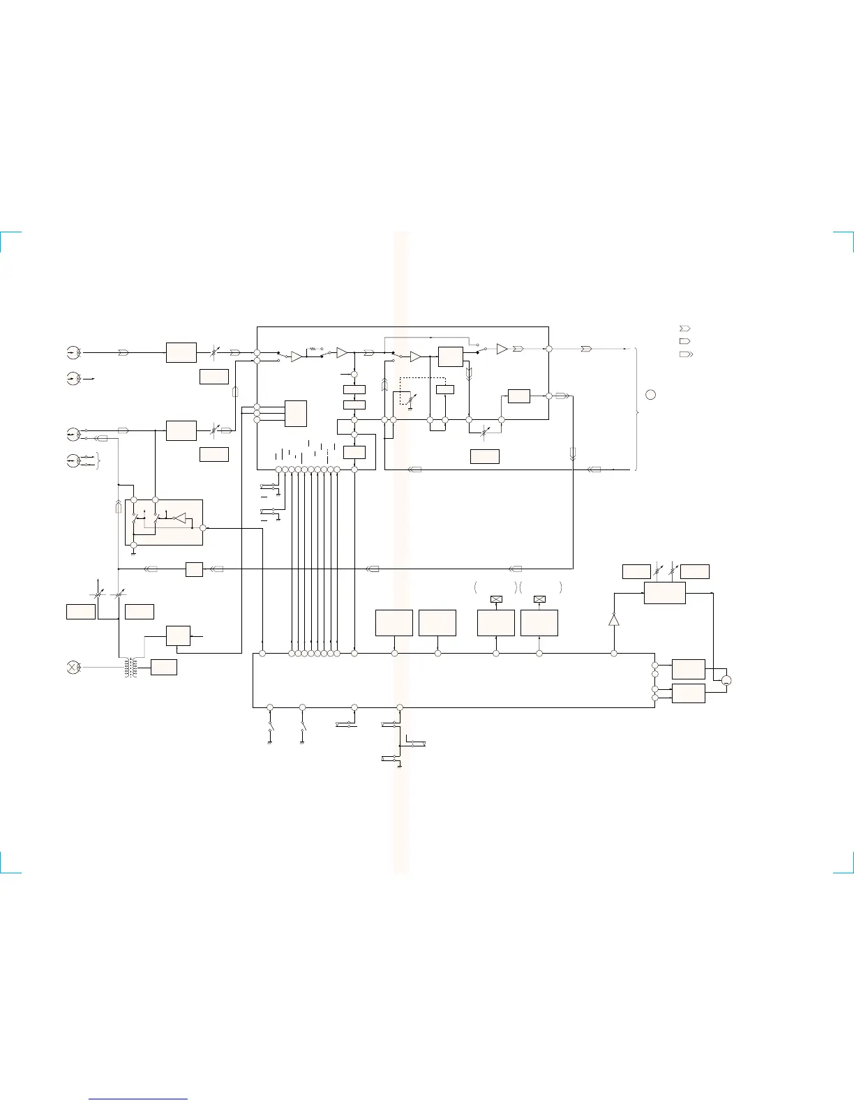
HCD-MC3AV
AUDIO SECTION
PB EQ AMP
(DECK A)
IC611
PB LEVEL (L)
(DECK A)
REC-L
PB-L
CAPSTAN MOTOR
CONTROL SWITCH
Q1001
CAPSTAN
MOTOR DRIVE
Q336 – 339
1
A
TO/FROM
MAIN
BLOCK
(Page 29)
L-CH
R-CH R-CH
HP101
(PLAYBACK)
PB EQ AMP
(DECK B)
IC601
L-CH
R-CH R-CH
R-CH
R-CH
HRPE101 (1/2)
(RECORD/PLAYBACK)
ALC
REC
EQ AMP
AMS
CIRCUIT
DOLBY NR
AMP
CIRCUIT
BIAS
CONTROL
CIRCUIT
DOLBY PASS
R-CH
L.P.F.
BUFFER
Q335
M
M1
(CAPSTAN)
HRPE101 (2/2)
(ERASE)
BIAS OSC
T621
B+
(A+7V)
R-CH
3
46
28
43
36
40
35 34
39
26
31
19
15
16
18
20
22 23
24
2517
99
94
93
92
90 89
88
87
31
33
32
+
48
4
2
RV311
PB LEVEL (L)
(DECK B)
RV301
TAPE SPEED
(NORMAL)
RV1002
TAPE SPEED
(HIGH)
RV1001
REC LEVEL (L)
(DECK B)
RV301
REC BIAS (R)
(DECK B)
RV441
REC BIAS (L)
(DECK B)
BIAS OSC
Q621, 622
REC BIAS
SWITCH
Q623
ROTATION
DETECT SENSOR
(DECK A)
IC1001
RV341
BIAS
TRAP
C331, L331
REC/PB SWITCHING
IC602
SYSTEM CONTROLLER
IC501 (2/2)
DECK PROCESS
DECK A/B SELECT, PB/REC EQ AMP,
DOLBY NR AMP, ALC, AMS
IC301
AIN (L)
BIN (L)
MAOUT
PB OUT (L)
EQ OUT
(L)
MSIN
MSOUT
BIAS ON/OFF
70
120
BIAS (N)
BIAS (C)
BIAS (M)
S1004
A 120/70
B NORM/CROM
ALC ON/OFF
PB A/B
NORM/HIGH
NR ON/OFF
RM ON/OFF
REC/PB/PASS
LM ON/OFF
(DECK A 120/70)
98
S1003
S1001
(DECK A PLAY)
S1002
(DECK B PLAY)
(DECK A HALF)
S1008
(DECK B 120/70)
27
REC OUT (L)
ROUT (L)
RIN (L)
ALC (L)
EQ IN (L)
ALC
IN (L)
44
38
97
AMS-IN
26
A-SHUT
ROTATION
DETECT SENSOR
(DECK B)
IC1002
27
B-SHUT
TRIGGER
PLUNGER DRIVE
(DECK A)
Q333, 334
84
A-TRG
TC-MUTE
R/P-PASS
NR-ON/OFF
REC-MUTE
BIAS
EQ-H/N
PB-A/B
ALC-ON/OFF
TC-RELAY
A-PLAY-SW
B-PLAY-SW
A-HALF
28
S1006
(DECK B HALF)
S1009
(DECK B REC)
S1005
(DECK A REC)
B-HALF
SL1
TRIGGER PLUNGER
DECK A
TRIGGER
PLUNGER DRIVE
(DECK B)
Q331, 332
83
B-TRG
82
17
77
CAP-M-H/L
CAPM-CNT1P
CAPM-CNT2P
CAPSTAN
MOTOR DRIVE
Q340 – 343
85
86
CAPM-CNT1M
CAPM-CNT2M
SL2
TRIGGER PLUNGER
DECK B
95 96
• SIGNAL PATH
: PLAYBACK (DECK A)
: PLAYBACK (DECK B)
: RECORD
16
B+
B+
— 31 — — 32 —

Related product manuals