EasyManua.ls Logo

Sony HCD-MC3AV - Page 40

Sony HCD-MC3AV
82 pages
Print Icon
To Next Page IconTo Next Page
To Next Page IconTo Next Page
To Previous Page IconTo Previous Page
To Previous Page IconTo Previous Page
Loading...
HCD-MC3AV
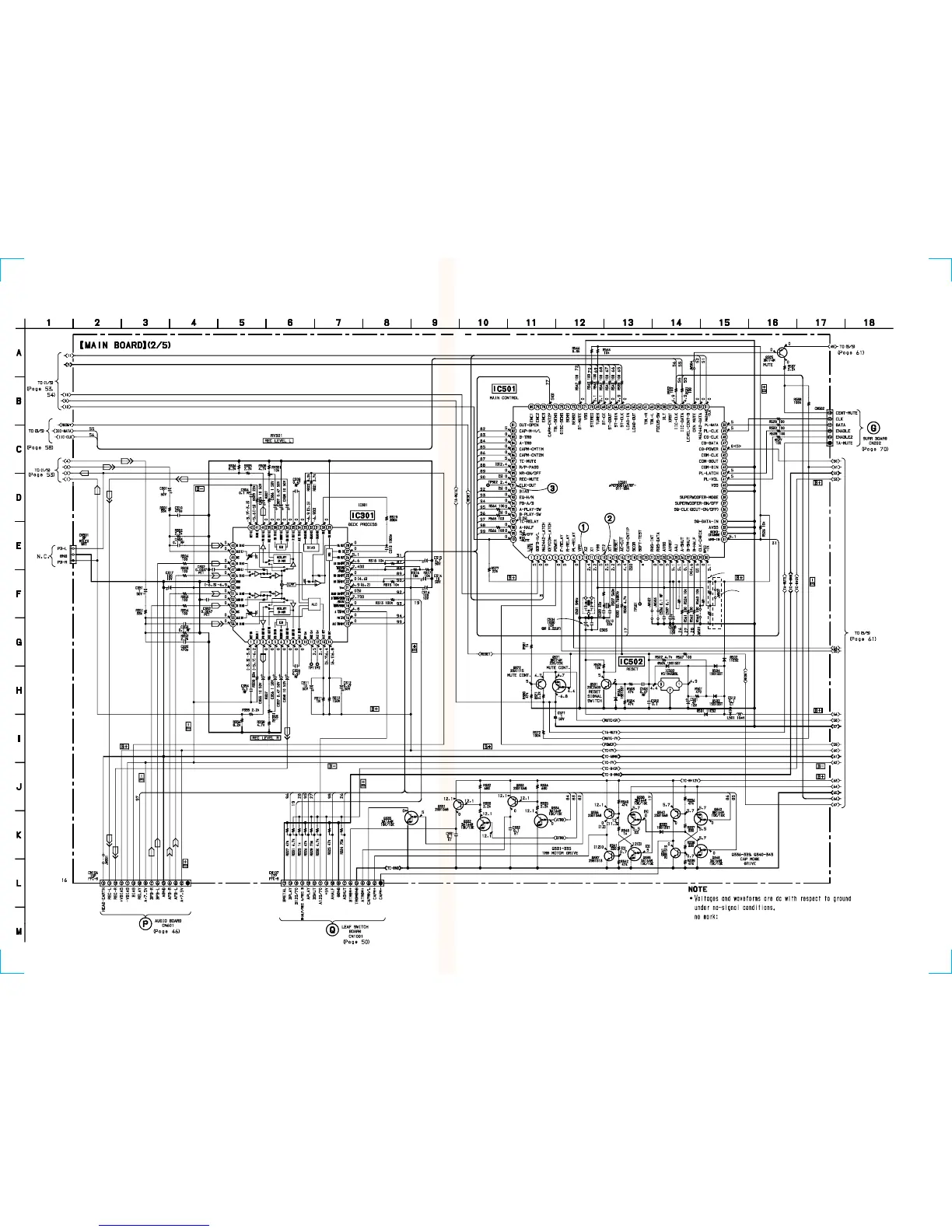
6-13. SCHEMATIC DIARGAM MAIN (2/5) SECTION • See page 51 for Printed Wiring Board. • See page 75 for Waveforms. • See page 81 for IC Pin Functions.
4.7k
4.7k
HA12215F
0.01
R511
4.7k
AUS MODEL
US,CND
MODEL
R512
6.8k
PB (DECK A)
[ ]: PB (DECK B)
< >: REC
— 55 — — 56 —

Related product manuals