EasyManua.ls Logo

Sony HCD-NE3 - Schematic Diagram - AMP Section

Sony HCD-NE3
48 pages
Print Icon
To Next Page IconTo Next Page
To Next Page IconTo Next Page
To Previous Page IconTo Previous Page
To Previous Page IconTo Previous Page
Loading...
HCD-NE3
2323
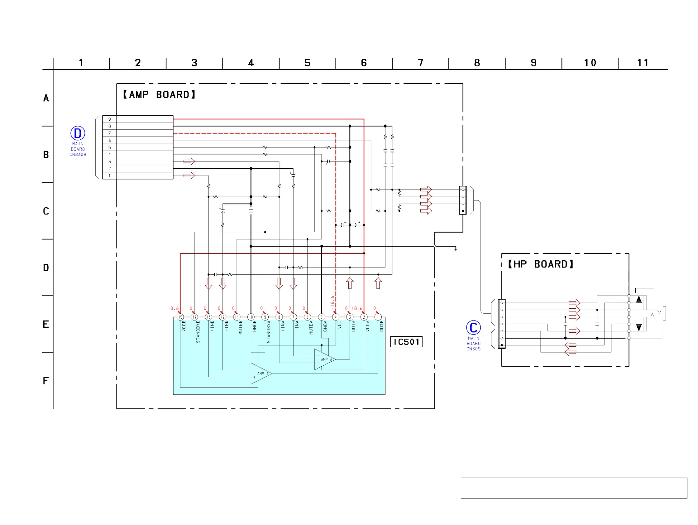
6-9. SCHEMATIC DIAGRAM – AMP Section –
The components identified by mark 0 or dotted
line with mark 0 are critical for safety.
Replace only with part number specified.
Les composants identifiés par une marque 0 sont
critiques pour la sécurité. Ne les remplacer que
par une pièce portant le numéro spécifié.
R512
R511
R506
R502
R501
R505
R508
C506
R514
R507
C503
R503
C507
R517
R518
C516
C509 C510
R509C505
R504C501
C521C520
CNB501
CN502
J301
EP903
R515
C512
C511 C513
C514
R516
R520
R519
CN501
IC501
33k
33k
1k
47k
1k
47k
680
47
25V
10k
10k
47
25V
680
0.1
56k
47k
100
16V
220
35V
220
35V
47k100p
47k100p
10000p10000p
7P
9P
2.2
1
11
1
2.2
330
330
4P
LM1876TF
L
R
AGND
-B
AMP-MUTE
GND
+B
AMP-STBY
PROTECT
SP OUT(L)
SP OUT(R)
HP OUT(R)
HP OUT(L)
SP OUT(R)
GND
SP OUT(L)
PHONES
SP OUT(L)
SP OUT(R)
HP OUT(R)
HP OUT(L)
(CHASSIS GND)
POWER AMP
(Page 21)
(Page 21)

Related product manuals