EasyManua.ls Logo

Sony HCD-NE3 - Schematic Diagram - POWER Board

Sony HCD-NE3
48 pages
Print Icon
To Next Page IconTo Next Page
To Next Page IconTo Next Page
To Previous Page IconTo Previous Page
To Previous Page IconTo Previous Page
Loading...
HCD-NE3
2727
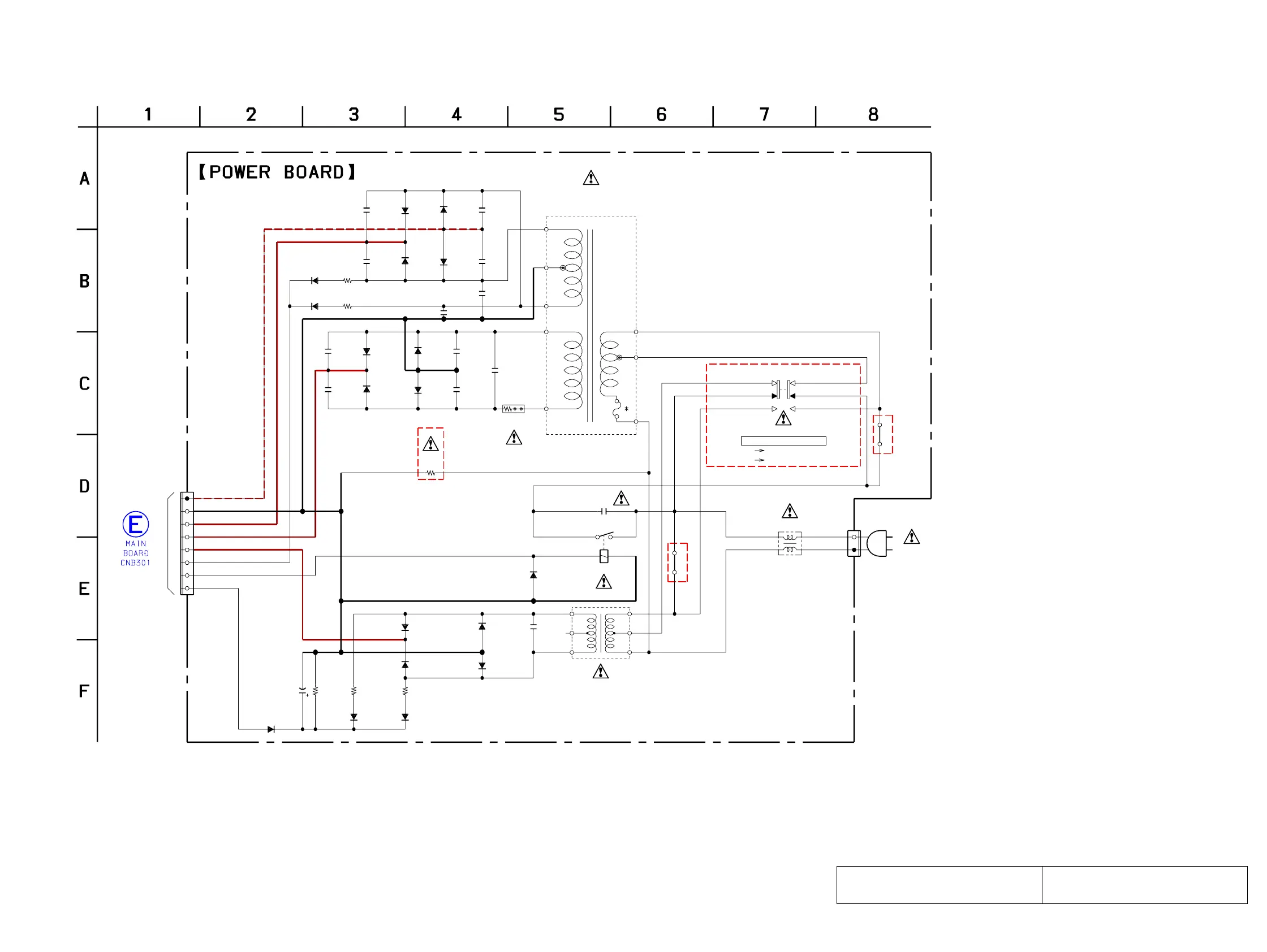
6-13. SCHEMATIC DIAGRAM – POWER Board –
The components identified by mark 0 or dotted
line with mark 0 are critical for safety.
Replace only with part number specified.
Les composants identifiés par une marque 0 sont
critiques pour la sécurité. Ne les remplacer que
par une pièce portant le numéro spécifié.
D920
D921
R901
R902
C907
C908
D918
D919
D916
D917
C910
C912
D913
D914 D912
D911 C909
C911
C903
C913
RY901
CN902
D922
C914
R906 R904
D923
R905
D924
D909
D910
D907
D908
C915
D906
LF901
CN901
T901
R903
JW907
C901C902
JW
909
C905
C906
R910
T902
S901
1SS133T-77
1SS133T-77
47k
47k
0.022
0.022
1N5401M
1N5401M
1N5401M
1N5401M
0.022
0.022
1N4002B
1N4002B 1N4002B
1N4002B 0.022
0.022
0.1
0.01
8P
RB441Q-40T-77
47
25V
2.2k
1SS133T-77
2.2k
1SS133T-77
1SS133T-77
1SS133T-77
1SS133T-77
1SS133T-77
0.1
1SS133T-77
2P
3.3M
0.10.1
0.022
0.022
0.15
*
PROTECT
-B
GND
+B
SUB +B
RELAY ON
14V
AC-DET
MAIN POWER
TRANSFORMER
TRANSFORMER
SUB POWER
*
R906
1k
1.2k
(US,CND,AEP,UK,KR)
(EXCEPT US,CND,AEP,UK,KR)
-1 -2
(EXCEPT E,E51,EA,SP)
110-120V 220-240V
220-240V120-127V
(E,E51,SP)
(EA)
(EXCEPT E,E51,EA,SP)
(AC IN)
(E,E51,EA,SP)
(US,CND)
BUILT IN TRANSFORMER
NOT REPLACEABLE:*
VOLTAGE SELECTOR
(Page 21)

Related product manuals