EasyManua.ls Logo

Sony HCD-NXM4D - BLOCK DIAGRAM - TUNER;TAPE DECK SECTION; TUNER;TAPE DECK SECTION BLOCK DIAGRAM

Sony HCD-NXM4D
114 pages
Print Icon
To Next Page IconTo Next Page
To Next Page IconTo Next Page
To Previous Page IconTo Previous Page
To Previous Page IconTo Previous Page
Loading...
HCD-NXM4D
3333
HCD-NXM4D
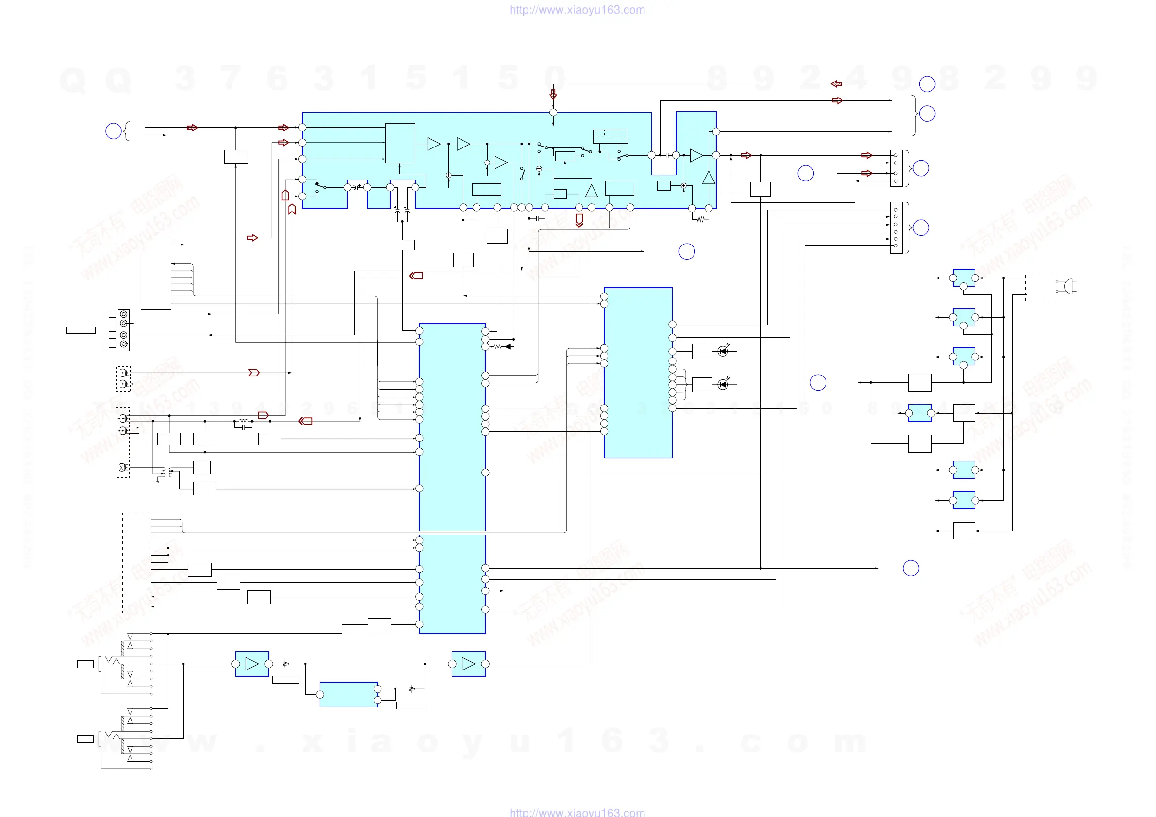
7-4. BLOCK DIAGRAM – TUNER/TAPE DECK SECTION –
TUNER
Q25,26
Q270
R-CH
L OUT
R OUT
ST-MUTE
TUNER
ST-CE
ST D OUT
ST D IN
ST CLK
STEREO
DECK-A
DECK-B
L
R
HP901
HP901
L
R
HE901
HRP901
HRP901
TAPE
F REC
B SHUT
A HALF
A PLAY
B PLAY
A HALF
A PLAY
B PLAY
R-REC
B HALF
A SHUT
CAPM+
A TRIG+
B TRIG+
R-CH
R-CH
Q303
Q314,315
Q301,302
Q311-313
Q104
Q31,22
R-CH
L
R
R-CH
L
R
VIDEO/SAT
MIC1
J1060
J1061
MIC2
MECHANISM DECK
64
61
66
27
18
50
51
52
53
54
55
63
5
10
3
11
REC/PB
SWITCH
MUTE
SWITCH
REC/PB
SWITCH
BIAS
OSC
Q318
T301
Q316,317
BIAS
REC/PB
BIAS
SWITCH
TC REC
MUTE
12
CAP M
DRIVE
Q326,327
Q323,324
Q321,322
IC1060(1/2)
IC1061
MIC ECHO
RV1060
A TRIG
DRIVE
90
91
86
89
87
88
3
2
9
4
67
4
68
26
69
25
65
58
97
100
92
LINE MUTE
A MUTE
ST-MUTE
TUNED
ST-CE
ST-DIN
ST-CLK
B HALF
FDRONT RELAY
57
STK-MUTE
56
TA MUTE
STBY RELAY
I/O EXP CLK
M16537 CLK
M16537 DATA
SPEC-IN
VACS IN
AMS IN
I/O EXP LAT
I/O EXP DATYA IN
I/O EXP DATA OUT
CLK
DATA
D182
A SHUT
A TRIG
B TRIG
MIC SW
LPF1 IN
LPF1 OUT
LPF2 OUT
CAPM-CNT1
TC REC MUTE
60
TC REC/PB
59
BIAS
B SHUT
ON/OFF
(SWITCHING REGULATOR)
ST-DOUT
80
81
19
8
20
21
22
23
18
17
9
R-CH
CN102
SURR-L
FL-OUT
AMP
SECTION
(Page 35)
MAIN
SECTION
(Page 34)
MAIN
SECTION
(Page 34)
AMP
SECTION
(Page 35)
CN103
Q21,22
Q1
Q101
FL
SW
FR
SW
DBFB FEED BACK
PROTECT
STK MUTE
FRONT RELAY
HP SW
FAN CTL
SW RELAY
MIC SIG
63
62
71
70
68 67 66 65
7 8 11 53 51
56
50 5948 34 35
R-CH
Q341-343
Q103
Q29,30
Q140
Q33,34
SELECTOR
R-CH
AMS
DPL-2
DPL-2
42 41 37
29
R-CH
S2
FL
CLK DATA
CLK DATA
EQ
AGC
MD BUS
TONE
TRE
AMS
MUTE
AMS
BUFFER
PB MUTE
LED
SWITCH
LED
SWITCH
AMS-MUTE
STEREO
Q1026
D1021
D1001-1005
Q1001-1005
B PLAY
A PLAY
A HALF
CLK
LED 9V
VCC
LATCH
DI 1
DO 2
IC951
I/O EXPANDER
IC401 (1/2)
SYSTEM CONTROL
IC101
INPUT SELECT SWITCH
ELECTRICAL VOLUMEI
HP IN
HALF PLAY
AMS MUTE
DISC1
DISC2
DISC3
DISC4
DISC5
PROTECT
24
7
SW RELAY
FAN
MUTE
SWITCH
B TRIG
DRIVE
Q401
MIC
SWITCH
SURR
UNREG+5V
SWITCHING
REGULATOR
UNREG+12V
AC-IN
MCU
I/F
I
E
L
K
SW-OUT
M
F
52
IN
OUT
ANALOG-IN-L
J
3031
BUFFER
TA MUTE
N
RV1061
IC1060(2/2)
Q903.904
REG SW
3
IC901
REG
1
3
IC903
REG
1
AUDIO+9V
Q901
REG
2
5
IC906
REG
1
D+3.3V
2
5
IC905
REG
1
D+5.5V
M+9V,LED+9V
3
IC902
REG
1
D+3.3V
Q906
REG
DVD+5V
2
4
IC904
REG
1
M+12V
Q902
REG SW
G
DVD POWER
31
MIC LEVEL
ECHO LEVEL
67
MAIN
SCTION
(Page 34)
R-CH
L-OUT
R-OUT
MAIN
SECTION
(Page 34)
MAIN
SECTION
(Page 34)
MAIN
SECTION
(Page 34)
MAIN
SECTION
(Page 34)
H
H
H
R-ch is omitted due to same as L-ch.
Signal path
F : TUNER
E : PLAY BACK (DECK A)
d : PLAY BACK (DECK B)
G : RECORD
J : DVD
N : MIC
w
w
w
.
x
i
a
o
y
u
1
6
3
.
c
o
m
Q
Q
3
7
6
3
1
5
1
5
0
9
9
2
8
9
4
2
9
8
T
E
L
1
3
9
4
2
2
9
6
5
1
3
9
9
2
8
9
4
2
9
8
0
5
1
5
1
3
6
7
3
Q
Q
TEL 13942296513 QQ 376315150 892498299
TEL 13942296513 QQ 376315150 892498299
http://www.xiaoyu163.com
http://www.xiaoyu163.com

Table of Contents

Related product manuals