EasyManua.ls Logo

Sony HCD-NXM4D - SCHEMATIC DIAGRAM - VIDEO BOARD; VIDEO BOARD SCHEMATIC DIAGRAM

Sony HCD-NXM4D
114 pages
Print Icon
To Next Page IconTo Next Page
To Next Page IconTo Next Page
To Previous Page IconTo Previous Page
To Previous Page IconTo Previous Page
Loading...
HCD-NXM4D
4949
HCD-NXM4D
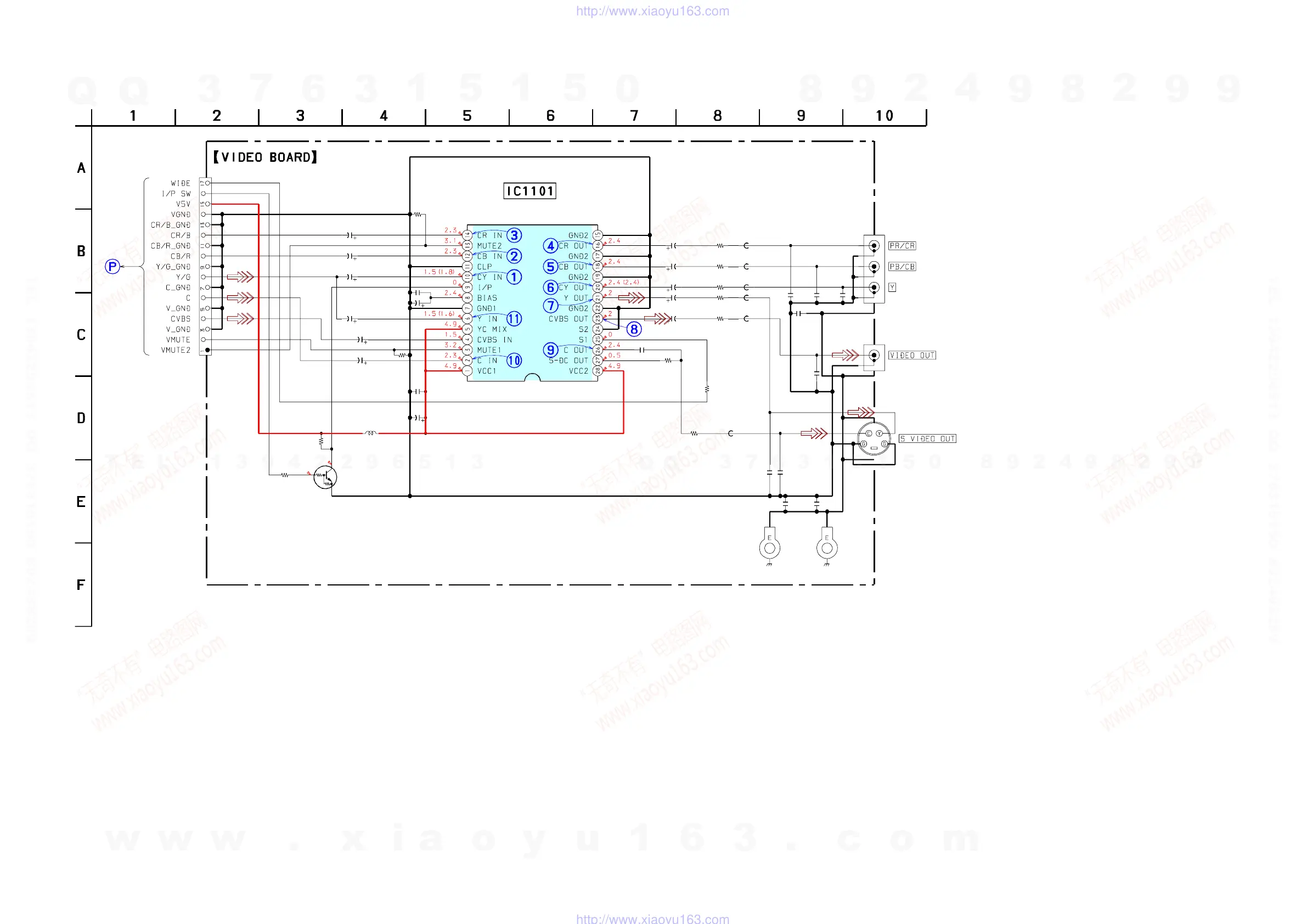
7-20. SCHEMATIC DIAGRAM – VIDEO BOARD –
• See page 62 for Waveforms.
R1101
C1120
R1104
R1106
R1105
R1107
R1108
R1110
R1112
R1102
J1103
C1108
C1102
C1101
C1103
C1106
C1105
C1111
C1112
C1113
C1114
C1115
C1107
FB1101
FB1102
FB1103
FB1104
FB1105
EP1102
EP1101
C1116
C1104
R1103
L1101
10uH
C1109
C1110
R1109
C1117
C1118
C1119
C1123
C1124
C1121
J1102
J1101
C1125
Q1101
FB1106
R1111
IC1101
C1122
CN1101
10k
0
75
75
75
75
75
10k
10k
100
3P
JALCO
1
50V
1
50V
1
50V
1
50V
1
50V
22
50V
1000
6.3V
1000
6.3V
1000
6.3V
1000
6.3V
1000
6.3V
1
50V
0
0
0
0
0
0.1
0.1
10k
0.1
0
0
100
10V
100
22p
22p
22p
22p
22p
22p
0
DTC114EKA
SWITCH
0
75
MM1623BFBE
0
17P
BUFFER
VIDEO AMP
(CHASSIS)
(CHASSIS)
BOARD
DMB07
(5/6)
(Page46)
w
w
w
.
x
i
a
o
y
u
1
6
3
.
c
o
m
Q
Q
3
7
6
3
1
5
1
5
0
9
9
2
8
9
4
2
9
8
T
E
L
1
3
9
4
2
2
9
6
5
1
3
9
9
2
8
9
4
2
9
8
0
5
1
5
1
3
6
7
3
Q
Q
TEL 13942296513 QQ 376315150 892498299
TEL 13942296513 QQ 376315150 892498299
http://www.xiaoyu163.com
http://www.xiaoyu163.com

Table of Contents