EasyManua.ls Logo

Sony HCD-PX333 - Service Position

Sony HCD-PX333
112 pages
Print Icon
To Next Page IconTo Next Page
To Next Page IconTo Next Page
To Previous Page IconTo Previous Page
To Previous Page IconTo Previous Page
Loading...
8
HCD-PX333
SERVICE POSITION
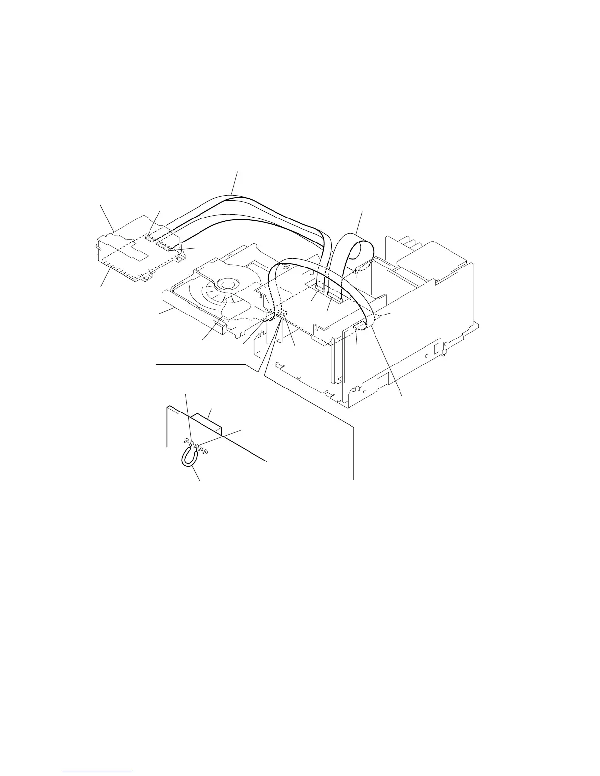
In checking the MD mechanism deck section (MDM-7X2A), prepare two extension jigs (Part No. J-2501-100-A: 1.00 mm 27 core and
Part No. J-2501-198-A: 1.00 mm 17 core).
In checking the CD mechanism deck section (CDM55A-21BD53), prepare extension jig (Part No. J-2501-075-A: 1.00 mm 21 core.)
MD mechanism deck section
(MDM-7X2A)
CN103
BD (MD) board
CD mechanism deck section
(CDM55A-21BD53)
Connect extension jig (J-2501-198-A) to the
BD (MD) board (CN103) and MD DIGITAL board (CN1004).
Connect extension jig (J-2501-100-A) to the
BD (MD) board (CN102) and MD DIGITAL board (CN1003).
CN1004
CN1003
CN101
BD (CD) board
CN1005
CN1002
MD DIGITAL board
Connect extension jig (J-2501-075-A)
to the BD (CD) board (CN101) and
MD DIGITAL board (CN1002).
CN1005
Pin
2
(GND)
Pin
3
(OUTSW)
CN102
harness
Note on Checking CD Mechanism Deck Section
In performing the operation check with the CD mechanism deck section removed from the main unit, the CD disc loading will be disabled if
the connector cable between MD DIGITAL board (CN1005) and LOADING board (CN151) is disconnected. Accordingly, make preparation
through the following steps.
1. Insert the CD disc for test with the set assembled.
2. Unplug the AC power cord to turn the power off, and remove the CD mechanism deck section. (Disconnect the connector cable between
MD DIGITAL board (CN1005) and LOADING board (CN151), and also the connector cable between MD DIGITAL board (CN1002)
and BD (CD) board (CN101))
3. Connect the CN1005 pin 3 (OUTSW) and pin 2 (GND) on the MD DIGITAL board with a lead wire.
4. Connect the connectors between MD DIGITAL board (CN1002) and BD (CD) board (CN101) with the extension tool (part No.: J-2501-
075-A).
Note 1: Under this condition, the CD can be played but the disc loading operation is disabled.
Note 2: After checking, disconnect the lead wire connected in step 3.

Table of Contents

Related product manuals