EasyManua.ls Logo

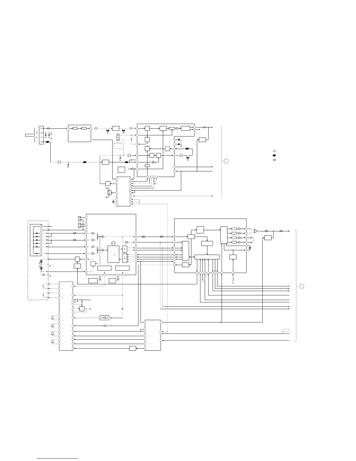
Sony HCD-RX33 - Block Diagram - Tuner;CD Section

Sony HCD-RX33
42 pages
Print Icon
To Next Page IconTo Next Page
To Next Page IconTo Next Page
To Previous Page IconTo Previous Page
To Previous Page IconTo Previous Page
Loading...
HCD-RX33
TUNER/CD SECTION —
— 17 — — 18 —
CE
19
12
5
3
4
2
24
1
PLL
IC102
FM
XO
XI
CLK
DI
DO
CE
CLK
DI
DO
OPTICAL PICK-UP
BLOCK
APC
Q01
38
+5V
VC
LD
GND
A
C
B
E
F
FOCUS
COIL
F+
F
T+
T
TRACKING
COIL
33
34
39
36
35
48
APC
FOCUS PHASE
COMPENSATION
DECODER
SERIAL/
PARALLEL
CONVERTER
FE
AMP
RF
AMP
IIL
TTL
TTL
IIL
COMAND
VC
TRACKING PHASE
COMPENSATION
LD
PD
E
F
PD1
PD2
6
24
23
20
19
22
21
31
25
SENS
RFO
FOK
C OUT
DATA
XLT
CLK
XRST
13
FEO TAO
IC03
T.T/TRAY MOTOR
DRIVER
CD RF/SERVO
PROSSESOR
IC01 (1/2)
4
5
T IN
3
2
1
VR
PD
PD
18
17
20
19
6
F IN
22
SL IN
13
T.T F IN
F+
F
T+
T
SL+
SL
SP+
SP
M
M
MOTOR
M102
SLED
MOTOR
M101
SPINDOL
EFM
DEMO.
XRST
CLV
SERVO
DIGITAL
CLV
D/A
I/F
SUB CODE
PROSSESOR
CPU I/F
9 11 5 4 7 61
MDP
SENS
SCOR
SQSO
SQCK
CLOCK
DATA
CLK
XLT
DAT
SE
CN
FOK
RF
SERIAL
I/F
PWM
PWM
70
69
73
74
NL
L
XTA1
XTA0
X701
MUTE
R-CH
CD DIGITAL
SIGNAL PROCESSOR
IC04
16
:FM
:CD
• SIGNAL PATH
14
7
8
4
2
1
6
10
DETECTOR
16
OSC
FM
75
AM
ANTENNA
JK101
8
RF
MIX
1
3
FM FRONT END
FE101
RF IF
AMP
Q101
CF101
10.7MHz
CF102
10.7MHz
L105
MW OSC
IF
G
VT
AM/FM
TUNING
VOLTAGE
TP1
L107
AM ANT
AM RF
AMP
Q103
MPX
16
FM IF
1
OSC
23
AFC
22
AM RF
21
FM
IF
AF DET
18
FM
DET
AM/FM
IF BUFF
AM
OSC
AM
MIX
AM
DET
SMET
20
CF103
450kHz
MUTE
AGC
AM
IF
DECODER
14
L
15
R
4
2
T102
AM IFT
8
FM DET
17
MPX VCO
CF104
10.7MHz
CF105
19kHz
R CH
FM/AM MPX
IC101
L.P.F
Q104,105
FM
TUNED
LEVEL
PD1
21
X201
7.2MHz
FM B+
17
TUB+
B+
Q105
PL DET
13
18
AM
OSC/FMSD
24
B+
7
SD
PH DET
11
PH DET
12
14
ST/MONO
TU LED
6
13
AM/FM
SD
15
L CTR
16
R CTR
7
ST IND
10
AM/FM
MUTE
Q107
TU L
ST IND
TU MUTE
DO
A
MAIN
SECTION
D
5
LD ON
SWITCH
Q02
LD
PD
F/T COIL
SL/SP MOTOR
CN12
CN2
ATSC
45
FEO
1
TEO
42
FOCUS
TRACKING
37 40
FE BIAS EI
RV01
FOCUS
GAIN
RV02
14
15
30
31
T.T+
T. T
TR+
TR
M
M
MOTOR
T/T
MOTOR
TRAY
21
SP IN
29
TR F IN
12
T.T R IN
28
TR T IN
27
MUTE IN
IC06
IC01 (2/2)
67
REG
Q11
9
REG I
10
REG B
11
REG OUT
7
VCC
8
VCC
+5V
+7.5V
XRST
6
SPEED
11
CONTRL
5
SWITCH
Q04
13
14
TR+
TR
7
14
T.T+
T. T
4
MUTE
2
DATA
3
CLOK
1
STB
IC02
MOTOR DRIVE
REG CONTROL
T.T/TRAY
36
23
14
13
15
16
17
8
25
18
SPOA
LIMIT
SWITCH
S05
10
XLAT
CLOCK
GEN.
PWM
PWM
77
78
NR
R
22
XLON
1
3
2
IC05
MIX AMP
MUTE
Q311
CD L
SCOR
SENS
SQSO
XLAT
SQCK
DATA
CE
STB
CLK
DI
B
MAIN
SECTION
:AM
• RCH is omitted
SFR101
CLK
DI
COUNT
FOK

Related product manuals