EasyManua.ls Logo

Sony HCD-RX33 - Cassette Mechanism Deck Section

Sony HCD-RX33
42 pages
Print Icon
To Next Page IconTo Next Page
To Next Page IconTo Next Page
To Previous Page IconTo Previous Page
To Previous Page IconTo Previous Page
Loading...
— 57 —
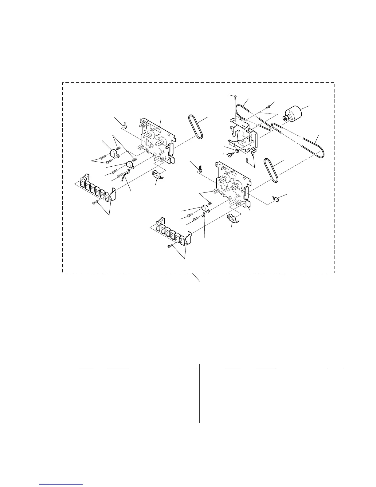
6-4. CASSETTE MECHANISM DECK SECTION (TK20FX-SW943-800)
160
161
160
158
157
161
154
163
153
154
152
153
152
151
SW202
HE901
HRP901
not supplied
not supplied
not supplied
not supplied
not supplied
not supplied
not supplied
not supplied
not supplied
not
supplied
not supplied
HP901
SW203
SW204
M901
Ref. No. Part No. Description Remarks Ref. No. Part No. Description Remarks
151 9-980-286-01 CAP SCREW 2 × 7.5
152 9-980-288-01 A SCREW 2 × 7 (AZIMUTH)
153 9-980-287-01 B SCREW 2 × 3
154 9-980-276-01 PINCH ROLLER ARM ASSY
157 9-980-279-01 SCREW M COLLAR
158 9-980-278-01 MOTOR RUBBER
160 9-980-277-01 BELT (W) F
161 9-980-281-01 BELT M
* 163 1-759-417-11 DECK, MECHANICAL
HE901 9-980-284-01 E HEAD (ERASE)
HP901 9-980-282-01 P HEAD (PLAY)
HRP901 9-980-283-01 RP HEAD (REC/PLAY)
M901 9-980-285-01 MOTOR (CAPSTAN/REEL)
SW202 9-980-274-01 LEAF SWITCH (A DECK)
SW203 9-980-274-01 LEAF SWITCH (B DECK)
SW204 9-980-275-01 LEAF SWITCH (PLAY)

Related product manuals