EasyManua.ls Logo

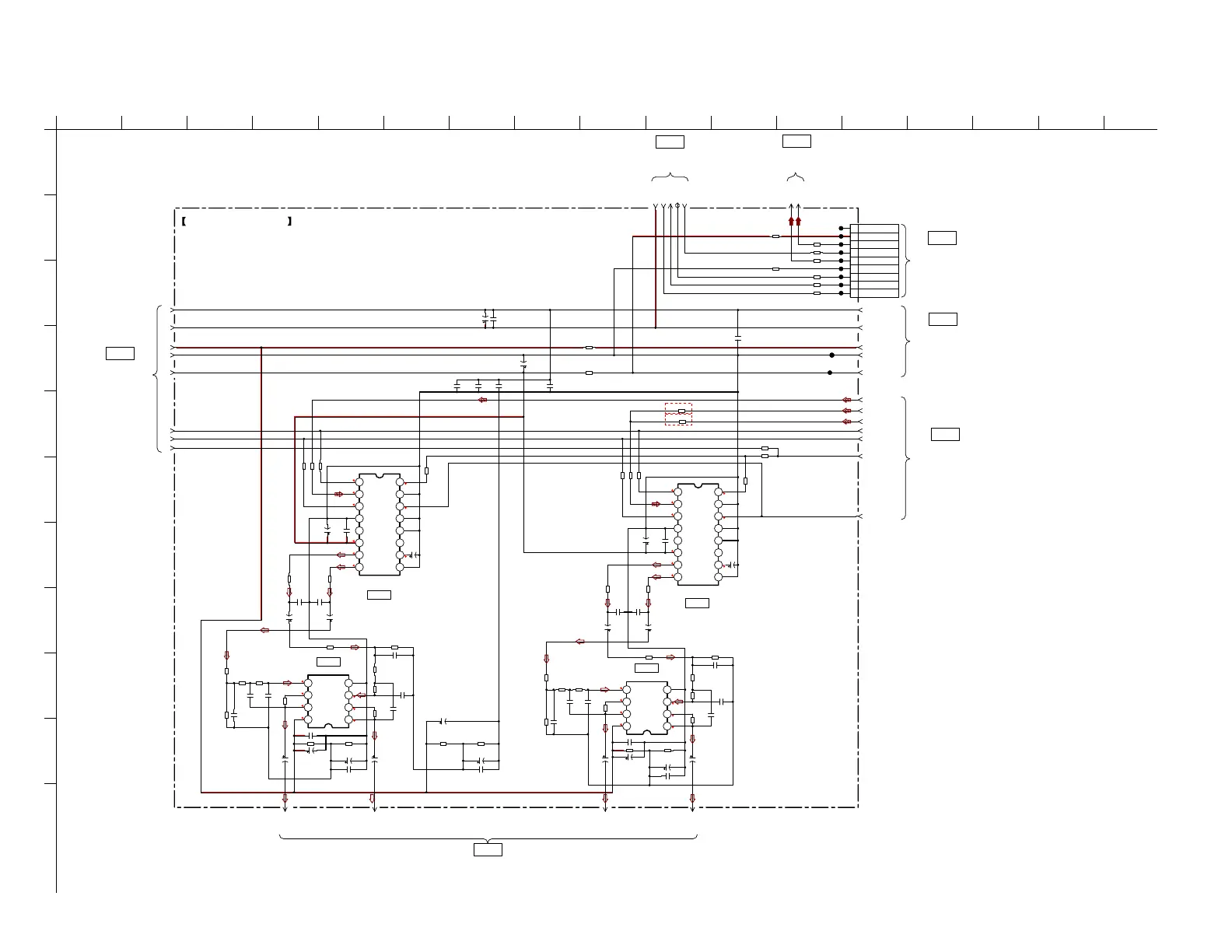
Sony HCD-SHAKE77 - Schematic Diagram - MOTHERBOARD Board (2;8)

Sony HCD-SHAKE77
120 pages
Print Icon
To Next Page IconTo Next Page
To Next Page IconTo Next Page
To Previous Page IconTo Previous Page
To Previous Page IconTo Previous Page
Loading...

Table of Contents

Related product manuals