EasyManua.ls Logo

Sony HCD-SHAKE77 - Page 77

Sony HCD-SHAKE77
120 pages
Print Icon
To Next Page IconTo Next Page
To Next Page IconTo Next Page
To Previous Page IconTo Previous Page
To Previous Page IconTo Previous Page
Loading...
HCD-SHAKE33/SHAKE77
77
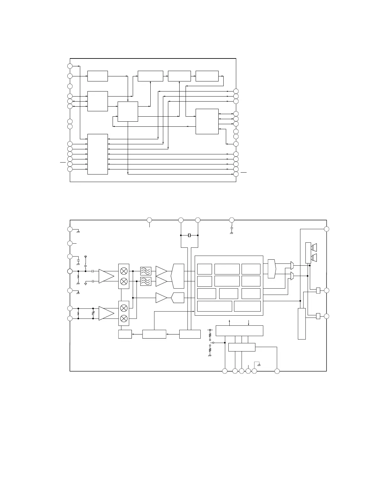
IC610 SRC4182 (MOTHERBOARD BOARD (1/8))
IC3000 RN5B801-0002 (TUNER BOARD)
GND
1
VDDRF VDD
VDD
FM Antenna
FM LNA
Filter
ADC
Digital
Mixer
FM
Demodulator
AM
Demodulator
Digital
AGC
RDS
Decoder
Stereo
Decoder
DAC
LOUT
ROUT
LRCK
BCLK
IISD
IIS Controller
IIS
Generator
Station
Detector
Image
Control
RSSI
Calculation
VDD
SPI
12C
HOST Controller
Serial Interface / Registers
Digital Filters
Digital Signal Process
ADC
AMP
AM LNA
LOSC
XOSC
Clock
Generator
AM
TUNE
AM Antenna
2
CP2
3
FRF1
4
GNDRF
5
ARF1
ARF2
IIC / R
DSI
LA
CK
VDD
GND
DA
IISD
IISD
LRCK / LOUT
Lch
Rch
BCLK / ROUT
BCLK
SW
VDD
X2
X1
CP1
SW
Amplifier
LRCK
20
19
18
17
16
15
14
13
12111098
7
6
5
4
3
2
1
AGC
AMP
AGC
AMP
PRGL1
18 OFMT1
17 OWL0
16 OWL1
20 TDMI
19 OFMT0
24 LRCKO
23 SDOUT
26 MODE0
25 BCKO
28
MODE2
27
MODE1
22 VDD
21 DGND
15 RDY
2RCKI
3NC
4SDIN
5BCKI
6LRCKI
9BYPAS
10IFMT0
11IFMT1
12IFMT2
13RST
14MUTE
7VIO
8DGND
REFERENCE
CLOCK
INTERPOLATION
FILTERS
RE-SAMPLER
DECIMATION
FILTERS
AUDIO
OUTPUT
PORT
AUDIO
INPUT
PORT
RATE
ESTIMATOR
CONTROL
LOGIC

Table of Contents

Related product manuals