EasyManua.ls Logo

Sony HCD-V8800 - TC Mechanism Section-1 (TCM-220 WR2)

Sony HCD-V8800
77 pages
Print Icon
To Next Page IconTo Next Page
To Next Page IconTo Next Page
To Previous Page IconTo Previous Page
To Previous Page IconTo Previous Page
Loading...
— 101 —
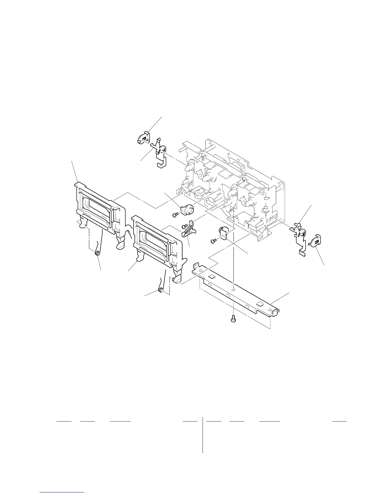
8-5. TC MECHANISM SECTION-1 (TCM-220WR2)
201
207
208
205
203
202
204
206
205
207
209
not supplied
#2
#5
#5
#5
Ref. No. Part No. Description Remark Ref. No. Part No. Description Remark
201 X-4947-943-1 HOLDER (L) ASSY, CASSETTE
202 X-4947-944-1 HOLDER (R) ASSY, CASSETTE
203 4-959-231-11 SPRING (L), TORSION
204 4-959-232-11 SPRING (R), TORSION
205 3-354-963-01 DAMPER
* 206 4-980-439-01 FULCLUM, HOLDER
207 3-354-957-01 JOINT (LOCK LEVER)
208 3-354-953-01 LEVER (LOCK LEVER L)
209 3-354-954-01 LEVER (LOCK LEVER R)

Related product manuals