EasyManua.ls Logo

Sony HCD-VX222 - Page 49

Sony HCD-VX222
70 pages
Print Icon
To Next Page IconTo Next Page
To Next Page IconTo Next Page
To Previous Page IconTo Previous Page
To Previous Page IconTo Previous Page
Loading...
49
HCD-VX222
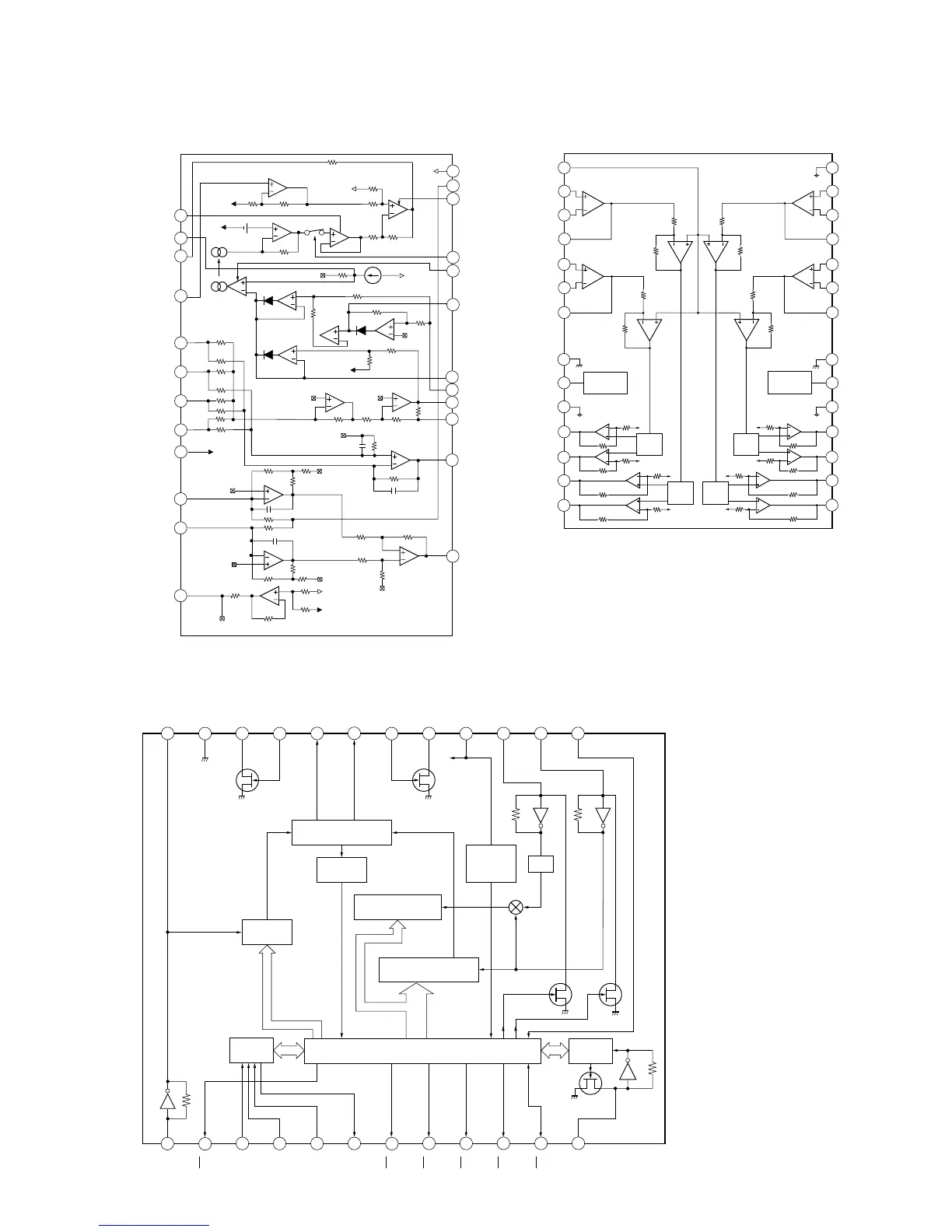
IC103 CXA2568M-T6 (BD BOARD)
11
12
10
VC
VC
VC
VC
VC
VC
VC
VCC
VCC
RF SUMMING AMP RF_EQ_AMP
ERROR AMP
FOCUS
TRACKING
ERROR AMP
VC BUFFER
VCC
VCC
VC
VC
VC
VC
VEE
VEE
VEE
VEE
VEE
VREF
13
14
15
6
5
1
2
3
4
7
8
9
16
19
20
21
22
23
24
18
17
HOLD
LD
PD
A
B
C
D
VEE
F
E
VC
AGCVTH
AGCCONT
VCC
LC/PD
LD_ON
HOLD_SW
RF_BOT
RFTC
RF_1
RFO
RFE
FE
TE
(50%/30%
OFF)
APC PD AMP
APC LD AMP
IC102 BA5982FM (BD BOARD)
IC102 LC72130 (MAIN BOARD)
1
2
3
4
5
6
7
8
XIN
B03
CE
IFIN
AOUT
2
AIN1
AIN2
D1
CL
B04
D0
B01
I01
B02
XOUT
PD1
VSS
PD2
FMIN
AMIN
AOUT1
VDD
I02
B05
9
10
11
12
13
14
15
16
17
18
19
20
21
22
23
24
PHASE DETECTOR
CHARGE PUMP
SWALLOW COUNTER
1/16.1/17 4bits
SWALLOW COUNTER
1/16.1/17 4bits
POWER
ON
RESET
1/2
C B
I / F
REFERENCE
DIVIDER
REFERENCE
DIVIDER
C B
I / F
2
DATA SHIFT REGISTER
LATCH
2
3
1
5
OPIN2 +
6
OPIN2 –
7
OPOUT2
8
GND
9
STBY1
4
BIAS IN
OPIN1 +
OPIN1 –
OPOUT1
11
12
13
14
10
PowVcc1
VO2 (–)
VO2 (+)
VO1 (–)
VO1 (+)
OPIN3 +
OPIN3 –
OPOUT3
GND
STBY2
PreVcc
OPIN4 +
OPIN4 –
OPOUT4
PowVcc2
VO3 (–)
VO3 (+)
VO4 (–)
VO4 (+)
Vcc
STAND BY
CH1 2 3
Level
Shift
Level
Shift
Level
Shift
Vcc
STAND BY
CH4
Vcc
Level
Shift
27
26
28
24
23
22
21
20
25
18
17
16
15
19
10k
10k
10k
10k
10k
10k
10k
10k
10k
10k
10k
10k
10k
10k
20k
10k
10k
10k
10k
10k
10k
10k
10k
10k

Related product manuals