EasyManua.ls Logo

Sony HCD-VX7A - Schematic Diagram - AUDIO Board

Sony HCD-VX7A
86 pages
Print Icon
To Next Page IconTo Next Page
To Next Page IconTo Next Page
To Previous Page IconTo Previous Page
To Previous Page IconTo Previous Page
Loading...
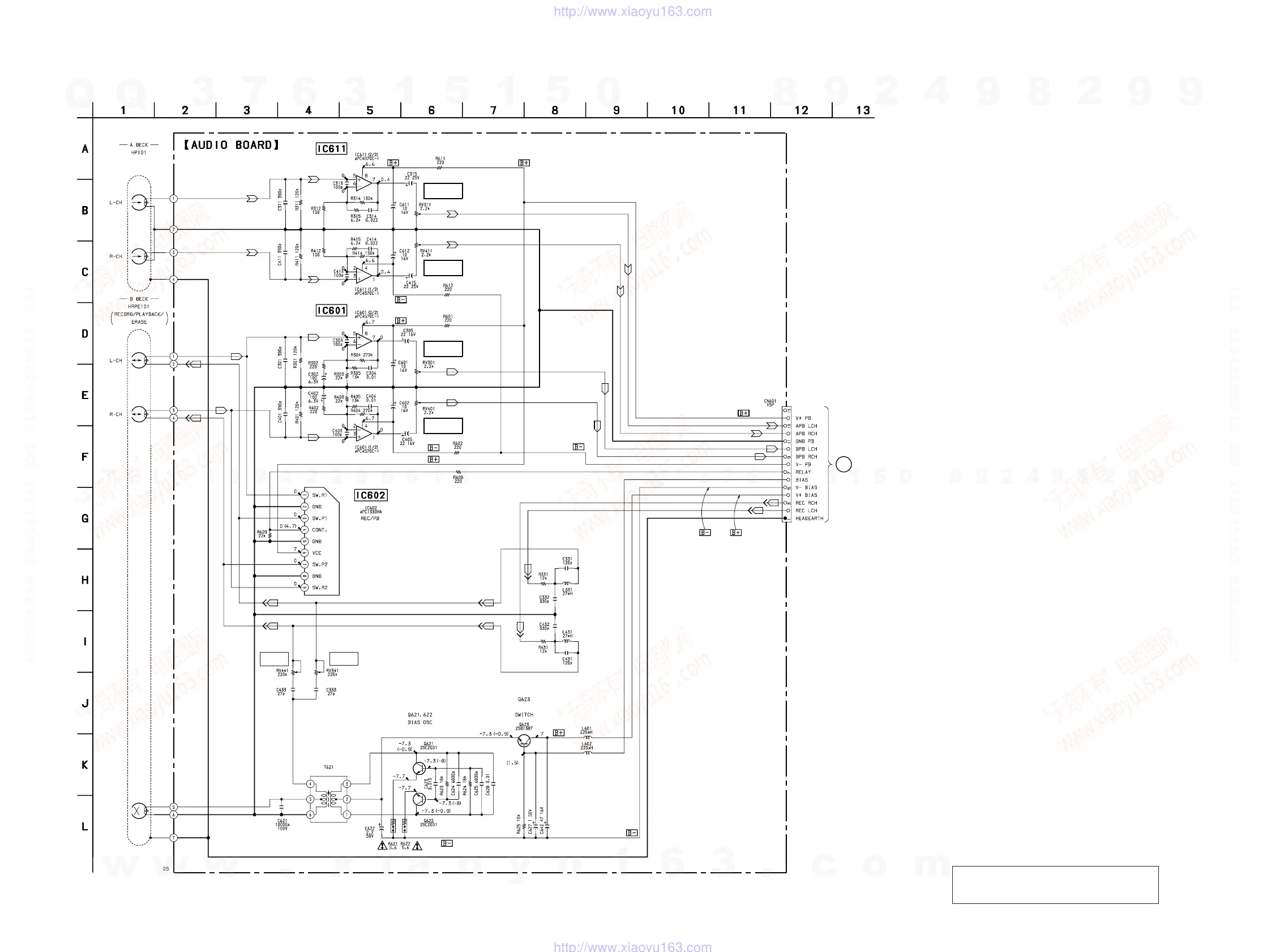
HCD-VX5A/VX5AJ/VX7A
Voltages are dc with respect to ground under no-signal
conditions.
no mark : TAPE PLAY
( ) : RECORD
The components identified by mark ! or dotted
line with mark ! are critical for safety.
Replace only with part number specified.
PB LEVEL (L)
(DECK A)
PB LEVEL (R)
(DECK A)
PB LEVEL (L)
(DECK B)
PB LEVEL (R)
(DECK B)
PB EQ AMP
(DECK A)
PB EQ AMP
(DECK B)
SWITCHING
REC BIAS (L)
(DECK B)
REC BIAS (R)
(DECK B)
BIAS OSC
REC BIAS
-6.8
(PLAYBACK)
D
7-15. SCHEMATIC DIAGRAM – AUDIO Board – See page 79 for IC Block Diagram.
(Page 61)
– 51 –
– 52 –
w
w
w
.
x
i
a
o
y
u
1
6
3
.
c
o
m
Q
Q
3
7
6
3
1
5
1
5
0
9
9
2
8
9
4
2
9
8
T
E
L
1
3
9
4
2
2
9
6
5
1
3
9
9
2
8
9
4
2
9
8
0
5
1
5
1
3
6
7
3
Q
Q
TEL 13942296513 QQ 376315150 892498299
TEL 13942296513 QQ 376315150 892498299
http://www.xiaoyu163.com
http://www.xiaoyu163.com

Related product manuals