EasyManua.ls Logo

Sony HCD-VX7A - Schematic Diagram - MAIN Board (2;4)

Sony HCD-VX7A
86 pages
Print Icon
To Next Page IconTo Next Page
To Next Page IconTo Next Page
To Previous Page IconTo Previous Page
To Previous Page IconTo Previous Page
Loading...
HCD-VX5A/VX5AJ/VX7A
– 59 –
– 60 –
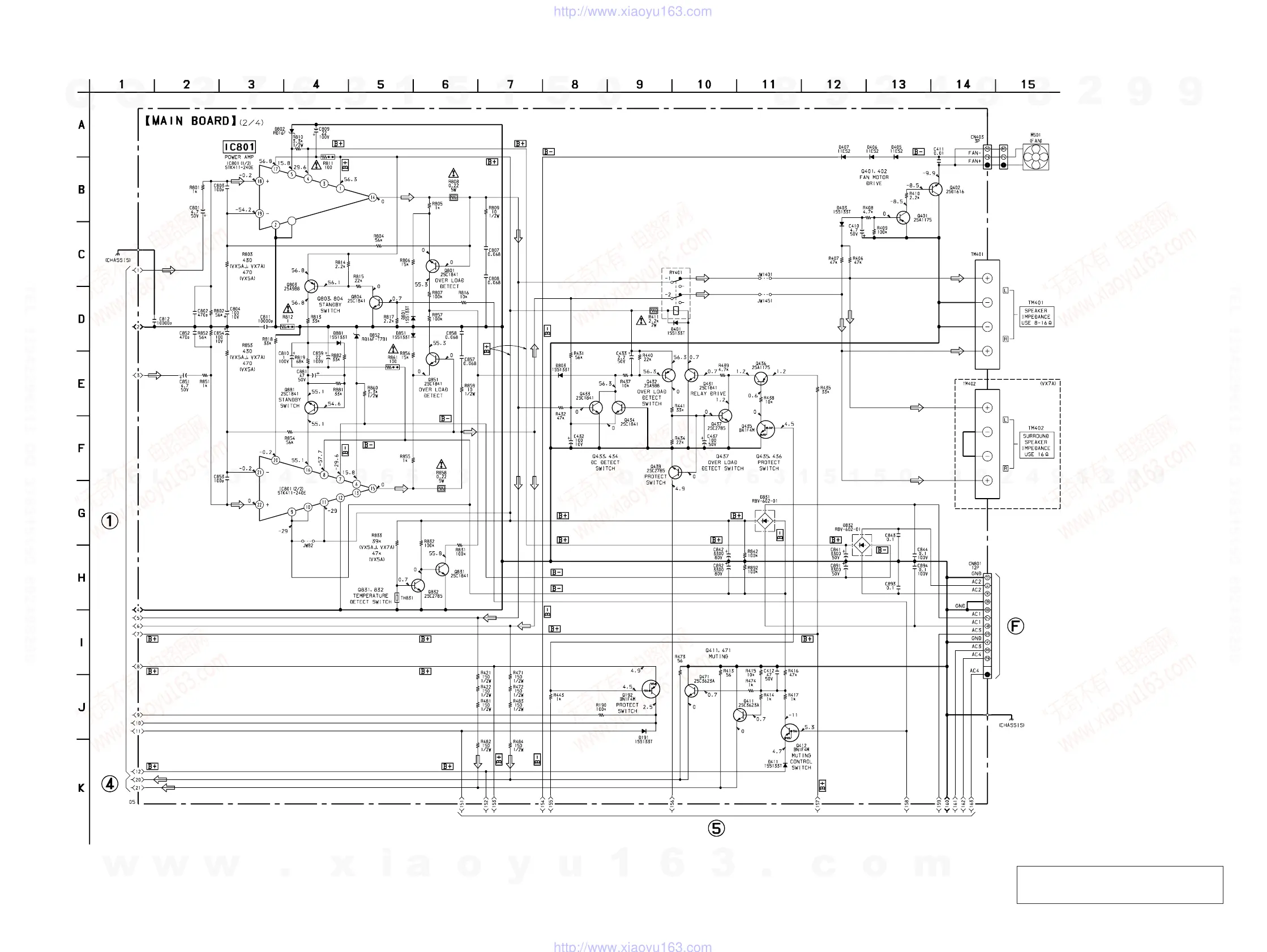
7-20. SCHEMATIC DIAGRAM – MAIN Board (2/4) – See page 75 for Waveforms.
Voltages are dc with respect to ground under no-signal
(detuned) conditions.
no mark : TUNER (FM/AM)
The components identified by mark ! or dotted
line with mark ! are critical for safety.
Replace only with part number specified.
(Page
58)
(Page
62)
(Page 64)
(Page 71)
w
w
w
.
x
i
a
o
y
u
1
6
3
.
c
o
m
Q
Q
3
7
6
3
1
5
1
5
0
9
9
2
8
9
4
2
9
8
T
E
L
1
3
9
4
2
2
9
6
5
1
3
9
9
2
8
9
4
2
9
8
0
5
1
5
1
3
6
7
3
Q
Q
TEL 13942296513 QQ 376315150 892498299
TEL 13942296513 QQ 376315150 892498299
http://www.xiaoyu163.com
http://www.xiaoyu163.com

Related product manuals