EasyManua.ls Logo

Sony HCD-VX7A - Printed Wiring Board - TRANSFORMER Board; Schematic Diagram - TRANSFORMER Board

Sony HCD-VX7A
86 pages
Print Icon
To Next Page IconTo Next Page
To Next Page IconTo Next Page
To Previous Page IconTo Previous Page
To Previous Page IconTo Previous Page
Loading...
HCD-VX5A/VX5AJ/VX7A
– 71 –
– 72 –
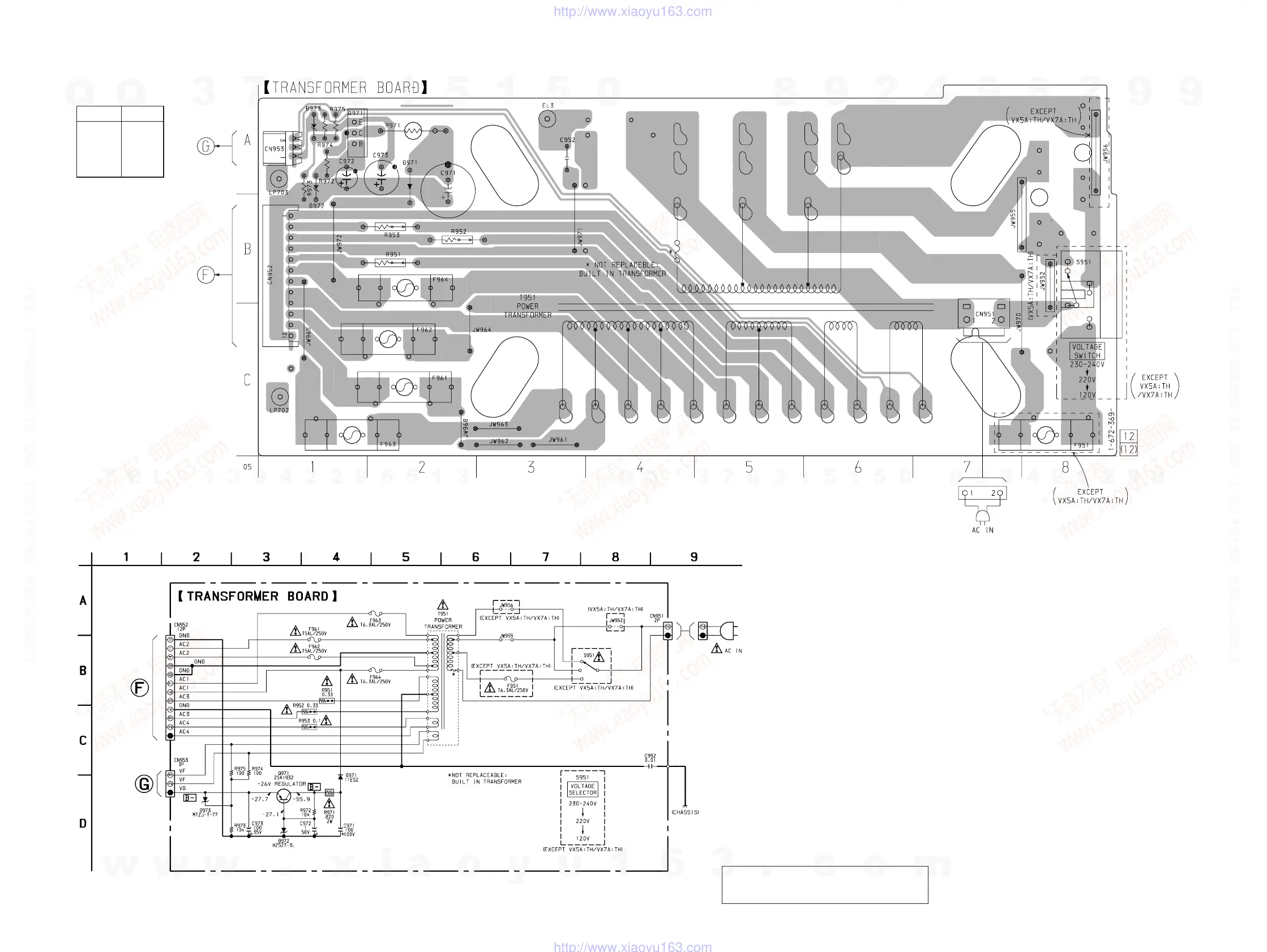
7-27. PRINTED WIRING BOARD – TRANSFORMER Board – See page 32 for Circuit Boards Location.
Semiconductor
Location
Ref. No. Location
D971 A-2
D972 A-1
D973 A-1
Q971 A-1
7-28. SCHEMATIC DIAGRAM – TRANSFORMER Board –
Voltages are dc with respect to ground under no-signal
(detuned) conditions.
no mark : TUNER (FM/AM)
The components identified by mark ! or dotted
line with mark ! are critical for safety.
Replace only with part number specified.
(Page 55)
(Page 55)
(Page 60)
(Page 62)
w
w
w
.
x
i
a
o
y
u
1
6
3
.
c
o
m
Q
Q
3
7
6
3
1
5
1
5
0
9
9
2
8
9
4
2
9
8
T
E
L
1
3
9
4
2
2
9
6
5
1
3
9
9
2
8
9
4
2
9
8
0
5
1
5
1
3
6
7
3
Q
Q
TEL 13942296513 QQ 376315150 892498299
TEL 13942296513 QQ 376315150 892498299
http://www.xiaoyu163.com
http://www.xiaoyu163.com

Related product manuals