EasyManua.ls Logo

Sony HCD-XGR99AV - Schematic Diagram - CD-L, CD-R Section; Q Q

Sony HCD-XGR99AV
82 pages
Print Icon
To Next Page IconTo Next Page
To Next Page IconTo Next Page
To Previous Page IconTo Previous Page
To Previous Page IconTo Previous Page
Loading...
35
35
HCD-XGR99AV
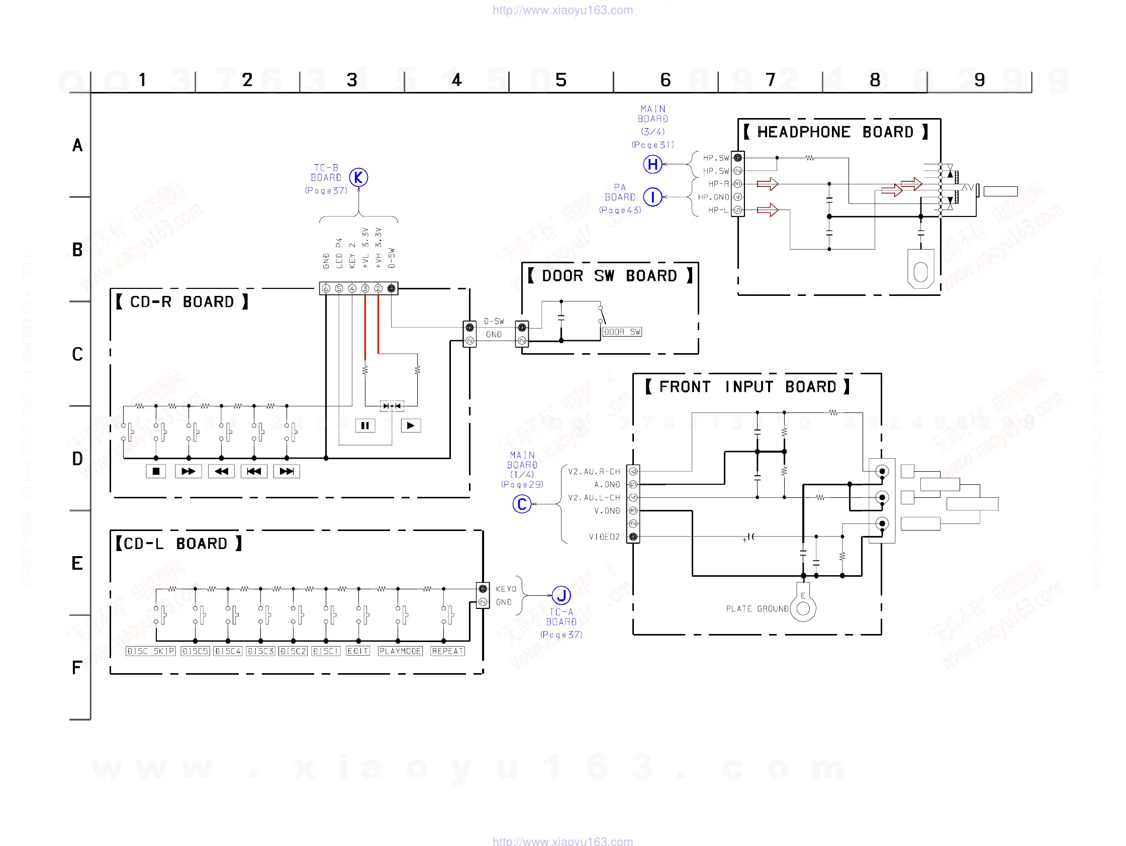
7-13. SCHEMATIC DIAGRAM – CD-L, CD-R SECTION –
C891
C892
NO892
R891
C893
NO891
S703
S704
S705
S706
S707
R701
S701
R700
S702
S709
S708
S700
N0702
CN700
R702
R703
R704
R705
R706
R707
C700
S600
S601
S602
S603
R607
R603
R604
R608
R525
R522
EPT500
C504
NO500
CN600
NO701
R600
R601
R602
S604
S605
J500
R523
R521
C501
C502
D600
J891
C503
C505
R524
1000p
1000p
5P
100
JW
3.3k
2.2k
2P
4.7k
6.8k
10k
15k
22k
33k
10000p
22
15k
22k
22
1k
1k
JW
6P
SCN
6P
4.7k
6.8k
10k
47k
47k
1000p
1000p
SML79423C
ORG/GREEN
1
50V
100p
75
R
L
GAME INPUT
AUDIO
VIDEO
PHONES
w
w
w
.
x
i
a
o
y
u
1
6
3
.
c
o
m
Q
Q
3
7
6
3
1
5
1
5
0
9
9
2
8
9
4
2
9
8
T
E
L
1
3
9
4
2
2
9
6
5
1
3
9
9
2
8
9
4
2
9
8
0
5
1
5
1
3
6
7
3
Q
Q
TEL 13942296513 QQ 376315150 892498299
TEL 13942296513 QQ 376315150 892498299
http://www.xiaoyu163.com
http://www.xiaoyu163.com

Table of Contents

Related product manuals