EasyManua.ls Logo

Sony HCD-XGR99AV - Schematic Diagram - Sub Amp Section

Sony HCD-XGR99AV
82 pages
Print Icon
To Next Page IconTo Next Page
To Next Page IconTo Next Page
To Previous Page IconTo Previous Page
To Previous Page IconTo Previous Page
Loading...
45
45
HCD-XGR99AV
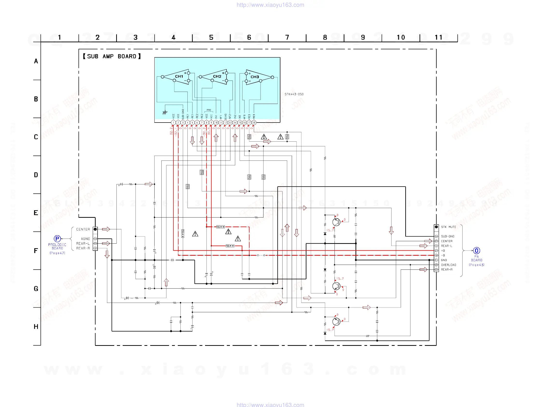
7-23. SCHEMATIC DIAGRAM – SUB AMP SECTION –
C103
R101
C101
C151
R111
D151
D101
R112
R162
Q101
Q151
R109
R159
C108
C109
C158
C159
C113
C105
C106
R120
R161
JW115
R151
R113
R163
R138
R108
R128
R158
R107
R157
R189
C188
C189
R192
Q181
D191
R191
IC101
R188
R168
R190
C182
R182
C183
R183
C184
R181
R160
C157
C107
C154
R153
R152
C152
C102
R102
C104
R103
R130
R110
C153
C181
R193
CN101
CN102
220p
1k
1
50
1
50
1k
1SS133T
1SS133T
15k
15k
2SC1841
2SC1841
10
1/2W
10
1/2W
0.068
PE
0.068
PE
0.068
PE
0.068
PE
10000p
0.1
TF
0.1
TF
1
1/4W
1k
1/4W
1k
100k
100k
0.22
5W
0.22
5W
0.22
5W
0.22
5W
100
1/4W
100
1/4W
10
1/2W
0.068
PE
0.068
PE
15k
2SC1841
1SS133T
1k
0.22
2W
0.22
2W
47k
680p
47k
220p
330
47
50
1k
47k
100
50V
100
50V
47
50V
270
47k
680p
680p
47k
47
50V
330
10k
47k
220p
1
50
100k
9P
4P
DETECT
OVER LOAD
POWER AMP
Q101,181,501
w
w
w
.
x
i
a
o
y
u
1
6
3
.
c
o
m
Q
Q
3
7
6
3
1
5
1
5
0
9
9
2
8
9
4
2
9
8
T
E
L
1
3
9
4
2
2
9
6
5
1
3
9
9
2
8
9
4
2
9
8
0
5
1
5
1
3
6
7
3
Q
Q
TEL 13942296513 QQ 376315150 892498299
TEL 13942296513 QQ 376315150 892498299
http://www.xiaoyu163.com
http://www.xiaoyu163.com

Table of Contents

Related product manuals