EasyManua.ls Logo

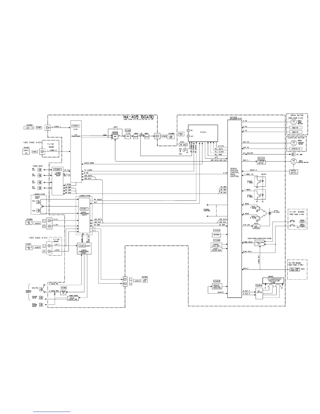
Sony LX40 - Block Diagrams; Overall Block Diagram

Sony LX40
71 pages
Print Icon
To Next Page IconTo Next Page
To Next Page IconTo Next Page
To Previous Page IconTo Previous Page
To Previous Page IconTo Previous Page
Loading...
SLV-LX40/LX50/LX60S/LX70S
3-1 3-2
SECTION 3
BLOCK DIAGRAMS
3-1. OVERALL BLOCK DIAGRAM

Table of Contents

Related product manuals