EasyManua.ls Logo

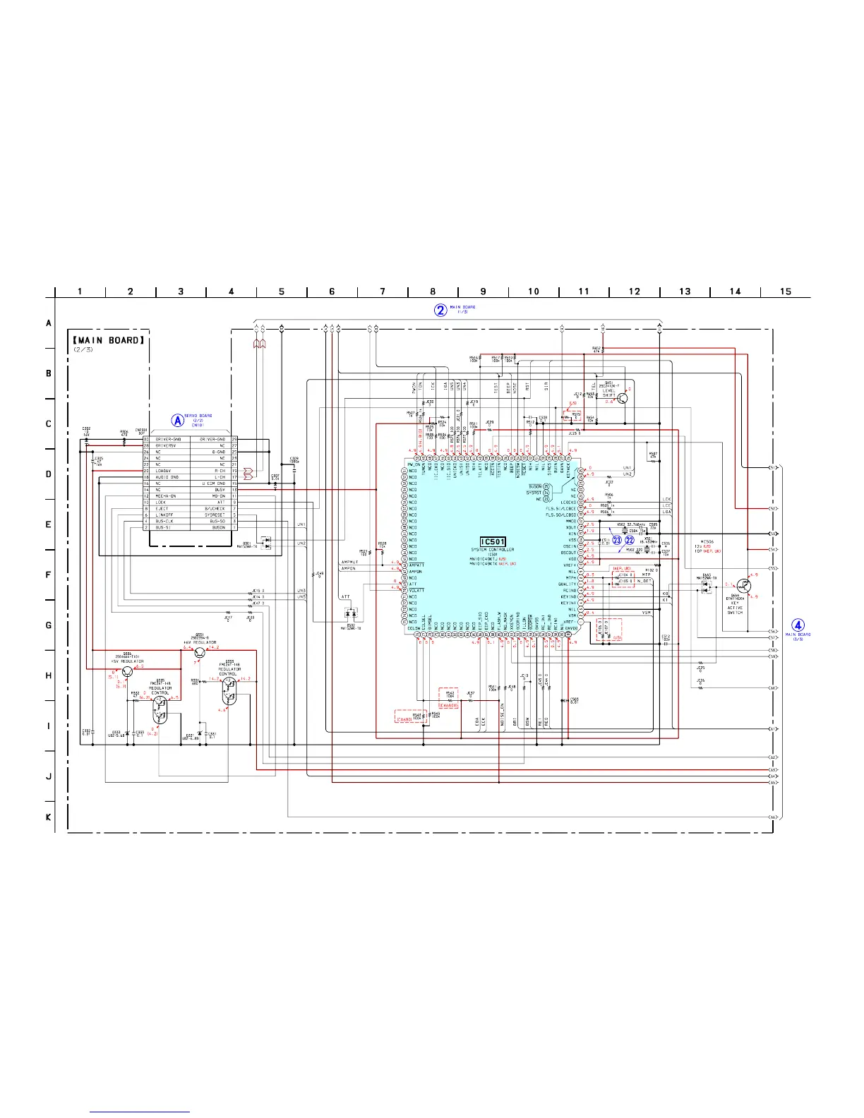
Sony MDX-CA680 - 4-11. SCHEMATIC DIAGRAM - MAIN Board (2;3) -

Sony MDX-CA680
64 pages
Print Icon
To Next Page IconTo Next Page
To Next Page IconTo Next Page
To Previous Page IconTo Previous Page
To Previous Page IconTo Previous Page
Loading...
MDX-CA680/CA680X
3434
4-11. SCHEMATIC DIAGRAM – MAIN Board (2/3) – See page 40 for Waveforms.
Voltages and waveforms are dc with respect to ground
under no-signal (detuned) conditions.
no mark : FM
( ) : AM (MW/LW)
(Page 31)
(Page 33)
(Page 35)

Related product manuals