EasyManua.ls Logo

Sony Model MV-700HR - Block Diagram - AUDIO Section

Sony Model MV-700HR
76 pages
Print Icon
To Next Page IconTo Next Page
To Next Page IconTo Next Page
To Previous Page IconTo Previous Page
To Previous Page IconTo Previous Page
Loading...
MV-700HR
2020
MV-700HR
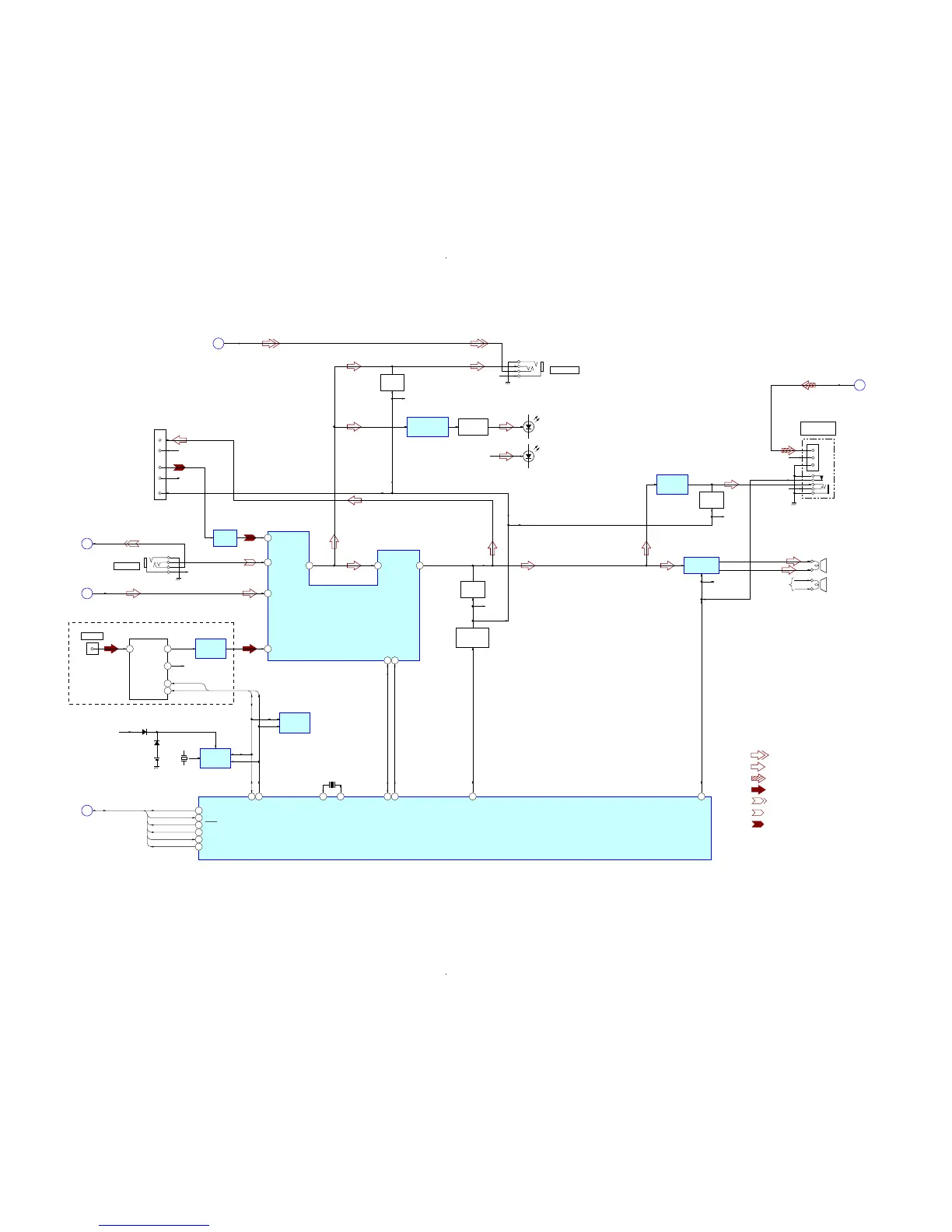
6-2. BLOCK DIAGRAM – AUDIO Section –
AMP
IC1352
FM TUNER UNIT
IC1903
R-CH
SELL
4
OUT L
21
AUDIO INPUT SELECT,
ELECTRICAL VOLUME
IC1401
HEADPHONES
/OPTICAL OUT
A/V INPUT
LOW-PASS
FILTER
IC1904
EEPROM
IC403
REAL TIME
CLOCK
IC419
12 IN2_L
10 IN1_L
6 DVD_L
TU_L
8
INL
3
ANT
16
*SCL
14
*SDA
13
S-SCL
6
S-SDA
7
AMUTE
53
AMP-ON
62
LCH
10
RCH
11
SDA
SCL
6
7
SPEAKER AMP
IC1101
R-CH
R-CH
DVD +5V
SPDIF
SP1
(L-CH)
SP2
(R-CH)
MUTING
Q1103
MUTING
CONTROL
Q1551 – 1553
18
SI
17
SCL
SYSTEM CONTROLLER
IC401 (1/3)
R-CH
MUTING
Q1101
R-CH
MUTING
Q1104
R-CH
R-CH
SDA
SCL
B+ 4V
VCC
D422, 426
D804
SCL
SDA
DVD-L
B
AV IN VIDEO
D
IR TRANSMITTER
MODULATOR
IC501
HEADPHONE
AMP
IC1301
LED DRIVE
Q501
R-CH
D501, 502
(IR TRANSMITTER)
(L-CH)
D503, 504
(IR TRANSMITTER)
(R-CH)
SOO
16
SIO
15
SCKO
17
XIFCS
11
XIFBUSY
12
MTRST
XSDO
XSIO
XSCK
XIFCS
XIFBUSY
RESET
8
C
• SIGNAL PATH
: TUNER
: DVD/CD PLAY (VIDEO)
: DVD/CD PLAY (DIGITAL AUDIO OUT)
: A/V INPUT (VIDEO)
: DVD/CD PLAY (ANALOG AUDIO OUT)
: CRADLE INPUT (AUDIO)
: A/V INPUT (AUDIO)
R-ch is omitted due to same as L-ch.
R-CH
R-CH
R-CH
(US, CND, E (PAL), TW, KR, AUS, CH)
AV OUT VIDEO
9
CN1003 (1/3)
(CRADLE)
J1004
EXT ANT
TM1901
R-CH
10
L-OUT
R-OUT
5
12
13
L IN
R IN
A MUTE
X402
32.768kHz
BATT101
LITHIUM BATTERY
(CR2032)
Abbreviation
AUS: Australian model
CH : Chinese model
CND: Canadian model
KR : Korean model
TW : Taiwan model
OUT
VCC
GND
J1001
G
H
X2
X1
41 40
X401
4.19MHz
A/V OUTPUT
J1003
(Page 21)
(Page 19)
(Page 19)
(Page 21)
(Page 19)
Ver. 1.2

Related product manuals