EasyManua.ls Logo

Sony Model MV-700HR - Block Diagram - POWER SUPPLY Section

Sony Model MV-700HR
76 pages
Print Icon
To Next Page IconTo Next Page
To Next Page IconTo Next Page
To Previous Page IconTo Previous Page
To Previous Page IconTo Previous Page
Loading...
MV-700HR
2222
MV-700HR
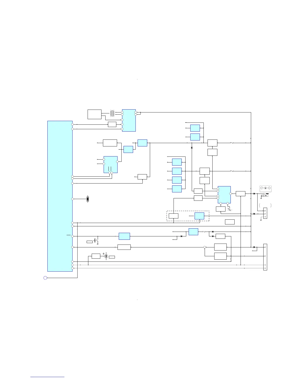
6-4. BLOCK DIAGRAM – POWER SUPPLY Section –
(US, CND, E (PAL), TW, KR, AUS, CH)
DEAD TIME
Q1004
B+ SWITCH
Q1001, 1002
SWITCHING
Q1000
DC/DC
CONVERTER
RV1001
RV1001
RESET SIGNAL
GENERATOR
IC402
+3.3V
REGULATOR
IC210
SWITCHING
REGULATOR
Q1017
REGULATOR
CONTROL
Q1008, 1013
DC IN 12V
+
OUT1
7
DT2
11
OUT2
10
DT1
6
SCP
15
VCC
F1003
J1002
9
PW-ON
2
THRMAL
33
RADIO_ON
64
RESET
36
PW_DET
32
PW_IN
46
DEAD TIME
Q1012
DVD +5V
DAC +3.3V
+3.3V
REGULATOR
IC209
RF +3.3V
+3.3V
REGULATOR
IC1902
+3.3V
REGULATOR
IC1905
DVD +3.3V,
MS +3.3V
FM +3.3V
REGULATOR
Q1005
B+ 4V
D1903
D1013
LCD +3.3V
CRADLE +9V
HOME CHECK
29
ACC CHECK
48
+4V
REGULATOR
IC1002
VOLTAGE CHECK
(CLADLE)
Q1014, 1015
VOLTAGE CHECK
(DC IN)
Q1007, 1009
+1.8V
REGULATOR
IC1906
DVD +1.8V
+5V
REGULATOR
IC212
DAC +5V
B+ 8V
+3.3V
REGULATOR
IC631
DC/DC CONVERTER
IC901
VDD +3.3V
VSS –13V
+7.5V
VEE +5V
+17V
REGULATOR
D903, 904, 908, 909
VGON +17V
+5V
REGULATOR
IC632
+5V
REGULATOR
IC1901
AMP +5V
B+ SWITCH
Q407, 503
F1001
SWITCHING
REGULATOR
Q1016
REGULATOR
CONTROL
Q1003, 1010
F1002
TH1001
D1016, 1017
POWER CONTROL
IC1001
50IR-ON
4SHDN1
3SHDN2
IR B+
DIMMER
Q601
2
LCD BACK LIGHT
CONTROL
IC601
INVERTER
TRANSFORMER
T1033
IL
8 OUTL
13 OUTR
1 ABRT60DIMMER
56TFT-ON
7BATT
3VIN
14BATT
5EN
CR
2
SWITCHING
Q1011
BATTERY DETECT
Q1006
LED DRIVE
Q410
S413
RESET
D5
POWER
1 VOUT1
5D2
SYSTEM CONTROLLER
IC401 (3/3)
RADIO-ON
E
LIQUID CRYSTAL
DISPLAY MODULE
LCD900 (2/2)
(BACK LIGHT UNIT)
SHDN1
9
SHDN2
8
D805
D1003
D1010
D1009
9V
POWER ON
6
16
CN1003 (3/3)
(CRADLE)
VCC IN
2
VCC OUT
1
GND
3
CN1002
2
BATT
4
ACC
Abbreviation
AUS: Australian model
CH : Chinese model
CND: Canadian model
KR : Korean model
TW : Taiwan model
+
RECHARGEABLE
BATTERY PACK
(Page 21)
Ver. 1.2

Related product manuals