EasyManua.ls Logo

Sony Model MV-700HR - Page 43

Sony Model MV-700HR
76 pages
Print Icon
To Next Page IconTo Next Page
To Next Page IconTo Next Page
To Previous Page IconTo Previous Page
To Previous Page IconTo Previous Page
Loading...
43
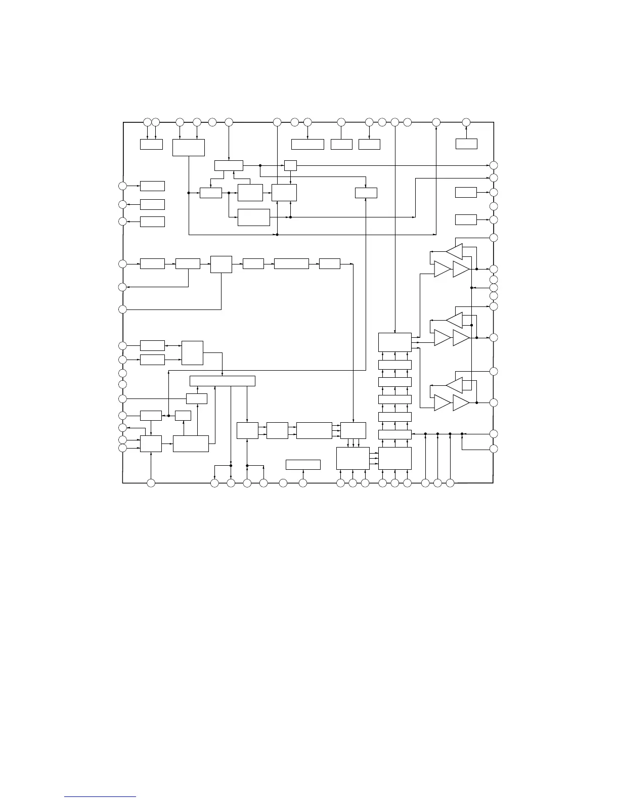
MV-700HR
IC701 AN2546FH-AV
LOGIC
VCOM
PWM
+
SCP OUT
33
VDB IN
35
HSS
34
LOGIC
PRGB
38
VSS
37
GND
41
EXT POL
36
LOGIC
LDET
39
VCO L/N
HHKILL
HFO
43
REGULATOR
VDD
40
AFC DET
42
VCC1
44
SYNC
SEPARATOR
VERTICAL
COUNT
V SYNC
DROP
PHASE
COMP
HSS-IN
46
NAVI SYNC-IN
45
IIC BUS
SCLK
47
DAT
48
VXO3
1
R-Y IN
4
B-Y IN
5
R-Y OUT
2
B-Y OUT
3
VCC1
6
VREF
7
R-IN 1
8
G-IN 1
9
B-IN 1
10
ACC DET
56
C-IN
57
VXO1
63
VXO2
64
HD
32
VD
31
PWM
30
VCC3
29
COMMON OUT
28
R-CH AVE DET
27
R-OUT
26
VCC2
25
AVE
24
GND1
23
G-CH AVE DET
22
G-OUT
21
B-CH AVE DET
20
B-OUT
19
BLAK
18
YS
17
VXO
ACC
AMP
VXO
GENERATOR
G-Y
GENERATOR
R-Y, B-Y DEMODULATOR
APC
BPF
ACC DET
TINT
REGULATOR
KILLER
DELAY
+
+
+
+
+
SWITCH
DAC
DAC
GCASHARPNESS
SYNC
CUT
SCP-OUT
62
APC DET
61
YUV
SWITCH
GCA
MATRIX
INTERNAL/
EXTERNAL
SWITCH
CLAMP
CLAMP
OSD SWITCH
BRIGHT
CONTRAST
GAMMA
INVERT
LIMIT
Y DET
55
KILL DET
60
GND3
59
VCC1
58
R-CH DET
11
G-CH DET
12
B-CH DET
13
R-IN 2
14
G-IN 2
15
B-IN 2
16
COM DC
50
LOGIC
RST
49
DAC-OUT
51
Y-IN
52
TRAP-OUT
53
F DET

Related product manuals