EasyManua.ls Logo

Sony RDR-VX521 - Page 13

Sony RDR-VX521
132 pages
Print Icon
To Next Page IconTo Next Page
To Next Page IconTo Next Page
To Previous Page IconTo Previous Page
To Previous Page IconTo Previous Page
Loading...
13
Hookups and Settings
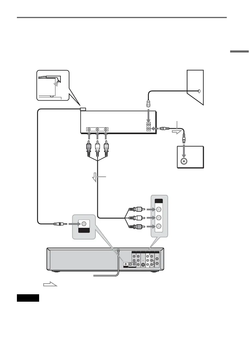
A: Cable box or satellite receiver with a video/audio output
With this hookup, you can record any channel on the cable box or satellite receiver. Be sure that the cable
box or satellite receiver is turned on. This connection is necessary to use the Synchro-Rec function
(pages 53 and 83).
To watch cable or satellite programs, you need to match the channel on the recorder (L1) to the input jack
connected to the cable box or satellite receiver (LINE 1 IN).
Place the set top box controller near the remote sensor on the cable box/satellite receiver.
Note
Synchro-Recording does not work with some tuners. For details, see the tuner’s operating instructions.
IN
L
R
VIDEO
AUDIO
OUT
VHF/UHFLINE OUT
VIDEO
YL
P
B
R
P
R
AUDIO
LINE 1 IN
AUDIO OUT S VIDEO OUT
COMPONENT
VIDEO OUT
SET TOP BOX
CONTROL
DIGITAL AUDIO OUT
OPTICAL COAXIAL
ANT IN
RL
AUDIO
OUT
VIDEO
OUT
TO TV
VIDEO
LINE 1 IN
AUDIO
SET TOP BOX
CONTROL
Antenna cable
(supplied)
Set top box
controller
(supplied)
Cable box/
satellite receiver
Wall
TV
Audio/video
cord (not supplied)
to LINE 1 IN
VCR-DVD recorder
: Signal flow
to antenna input
to SET TOP BOX
CONTROL
,continued

Table of Contents

Other manuals for Sony RDR-VX521

Related product manuals