EasyManua.ls Logo

Sony RMT-D175A - Page 49

Sony RMT-D175A
90 pages
Print Icon
To Next Page IconTo Next Page
To Next Page IconTo Next Page
To Previous Page IconTo Previous Page
To Previous Page IconTo Previous Page
Loading...
1
A
B
C
D
E
F
G
H
I
J
2
12
13
11
10
98765
43
14
15
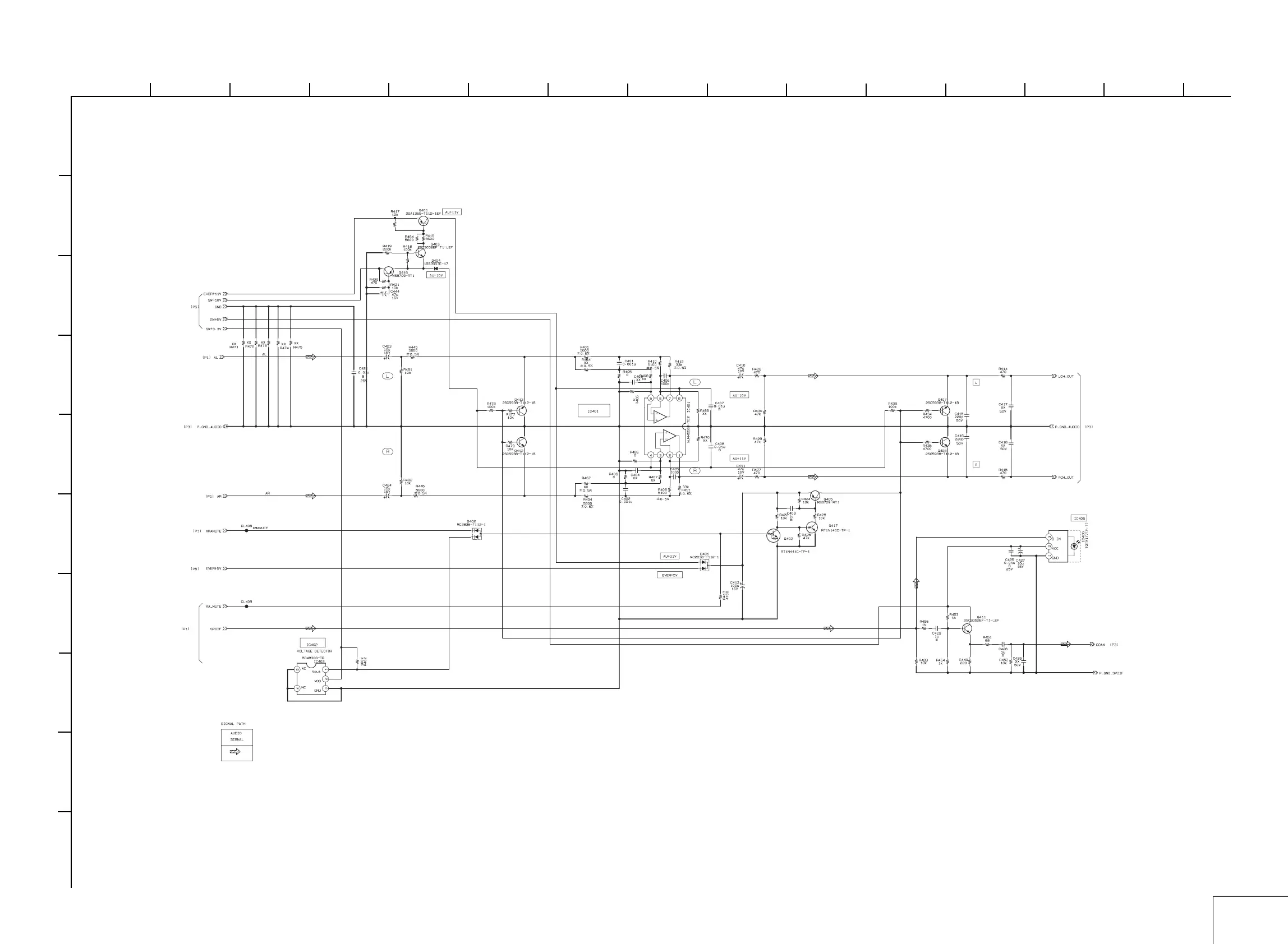
DVP-NS72HP/NS77H/NS77HP/NS78H/NS78HP
AUDIO
MV-55 (5/7)
For Schematic Diagram
• Refer to page 4-9 to 4-10 for printed wiring board of MV-55 board.
• Refer to page 4-3 to 4-4 for waveforms
MV-55 BOARD (5/7)
(DVP-NS72HP/NS77H: US/NS77HP: MX/
NS78H: CND,SP,KR,TH/NS78HP: E,BR)
AUDIO
-REF.NO.:1000 SERIES-
XX MARK:NO MOUNT
NO MARK:REC/PB MODE
4-21 4-22

Table of Contents

Related product manuals